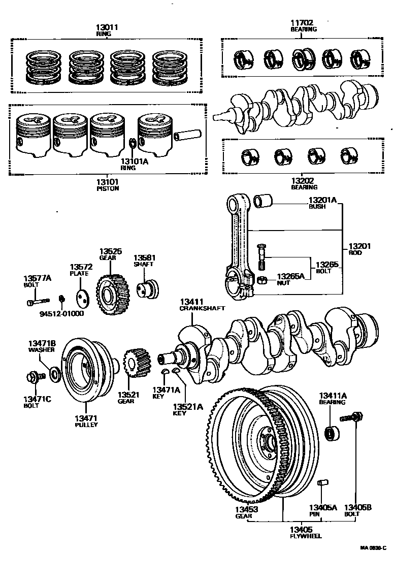
CRANKSHAFT & PISTON

11702BEARING SET, CRANKSHAFT
STD
STD,STD
STD
STD
U/S 0.05
U/S 0.05
U/S 0.05
U/S 0.25
U/S 0.25,U/S 0.25
U/S 0.25
U/S 0.25
U/S 0.50
U/S 0.50,U/S 0.50
U/S 0.50
U/S 0.50
U/S 0.75
U/S 0.75
U/S 0.75
U/S 1.00
U/S 1.00,U/S 1.00
U/S 1.00
U/S 1.00
13011RING SET, PISTON
STD
STD
STD
STD
STD
STD
STD
STD,STD
STD N.S.W. SOLID TYPE
STD 3PCS.
O/S 0.25
O/S 0.25
O/S 0.50
O/S 0.50,O/S 0.50
O/S 0.50 N.S.W. SOLID TYPE
O/S 0.25 3PCS.
O/S 0.75
O/S 1.00
O/S 1.00
O/S 1.00
O/S 1.00
O/S 1.00
O/S 0.50
O/S 1.00
O/S 1.00,O/S 1.00
O/S 1.00 N.S.W. SOLID TYPE
O/S 0.50 3PCS.
O/S 0.75
O/S 0.75 3PCS.
O/S 1.00
O/S 1.50
O/S 1.50,O/S 1.50
O/S 1.50 N.S.W. SOLID TYPE
O/S 1.00 3PCS.
O/S 1.25
O/S 1.50
13101PISTON SUB-ASSY, W/PIN
STD
STD
STD
STD
O/S 1.00
O/S 1.00
O/S 1.00
O/S 1.00
STD
STD
STD
STD
STD NEW SOUTH WALES
STD
STD HONG KONG SPEC.
O/S 0.25
O/S 0.25
O/S 0.50
O/S 0.50
O/S 0.50
O/S 0.50 NEW SOUTH WALES
O/S 0.50 HONG KONG SPEC.
O/S 0.50
O/S 0.75
O/S 1.00
O/S 1.00
O/S 1.00
O/S 1.00 NEW SOUTH WALES
O/S 1.00 HONG KONG SPEC.
O/S 0.75
O/S 1.00
O/S 1.50
O/S 1.50
O/S 1.50 NEW SOUTH WALES
O/S 1.50
O/S1.50 HONG KONG SPEC.
O/S 1.25
O/S 1.50
13101ARING, HOLE SNAP(FOR PISTON PIN)
13202BEARING SET, CONNECTING ROD
STD
STD
STD,STD
U/S 0.05
U/S 0.05,U/S 0.05
U/S 0.25
U/S 0.25
U/S 0.25,U/S 0.25
U/S 0.50
U/S 0.50
U/S 0.50,U/S 0.50
U/S 0.75
U/S 1.00
U/S 1.00
U/S 1.00
13405FLYWHEEL SUB-ASSY
N=108
N=112
N=112
N=136
13405APIN, STRAIGHT(FOR FLYWHEEL)
L=20,OD=10,L=20,OD=10
L=22,OD=10,L=22,OD=10
L=14,OD=11
13411CRANKSHAFT
sub13401-56011
sub13401-60013
sub13470-60031
sub13470-60061
sub13470-60070
sub13470-60080
sub13495-60010
sub90280-07012
sub90913-04003
sub13401-60015
sub13401-61010
13411ABEARING(FOR INPUT SHAFT FRONT)
6202 2NK
6202ZC3
6202ZZ
13453GEAR, FLYWHEEL RING
N=108
N=112
N=136
13471PULLEY, CRANKSHAFT
W/COOLER
W/COOLER
W/COOLER
FOR POWER STEERING
NEW SOUTH WALES
W/PS & COOLER
NEW SOUTH WALES,W/COOLER
W/COOLER
13471AKEY, CRANKSHAFT(FOR CRANKSHAFT PULLEY SET)
13471BWASHER, PLATE(FOR CRANKSHAFT PULLEY SET)
13471CBOLT(FOR CRANKSHAFT PULLEY SET)
13521GEAR OR SPROCKET, CRANKSHAFT TIMING
N=25
N=22
N=22
N=27
13521AKEY(FOR CRANKSHAFT TIMING GEAR)
13525GEAR, IDLE, NO.1
N=24
N=35
13577PLATE, LOCK
9451201000
main94512-01000
27 parts on this diagram · 7 diagrams in section