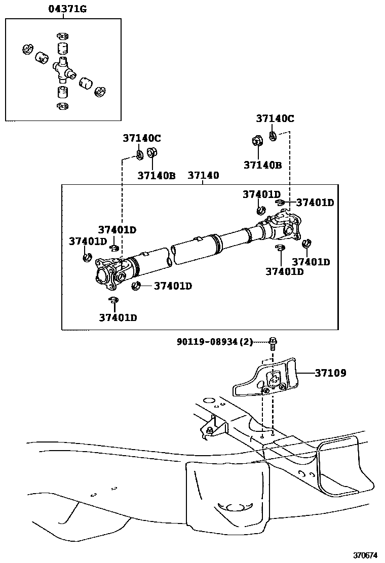
PROPELLER SHAFT & UNIVERSAL JOINT

04371GSPIDER KIT, FRONT PROPELLER SHAFT UNIVERSAL JOINT
37109BRACKET SUB-ASSY, PROPELLER SHAFT HEAT INSULATOR, NO.1
37140SHAFT ASSY, PROPELLER, FRONT
37140BNUT (F0R FRONT PROPELLER SHAFT)
37140CWASHER (F0R FRONT PROPELLER SHAFT)
37401DRING, SNAP (FOR FRONT PROPELLER SHAFT JOINT SPIDER BEARING)
T=2.29,MARK 1
T=2.31,MARK 2
T=2.33,NO MARK
T=2.35,BROWN
T=2.37,BLUE
T=2.39,MARK 6
T=2.41,MARK 7
T=2.43,MARK 8
T=2.45,MARK 9
T=2.47,MARK 10
T=2.49,MARK A
T=2.51,MARK B
T=2.53,MARK C
T=2.55,MARK D
T=2.57,MARK E
T=2.19,MARK D
T=2.21,MARK E
T=2.23,MARK F
T=2.25,MARK G
T=2.27,MARK H
9011908934
main90119-08934
7 parts on this diagram · 3 diagrams in section