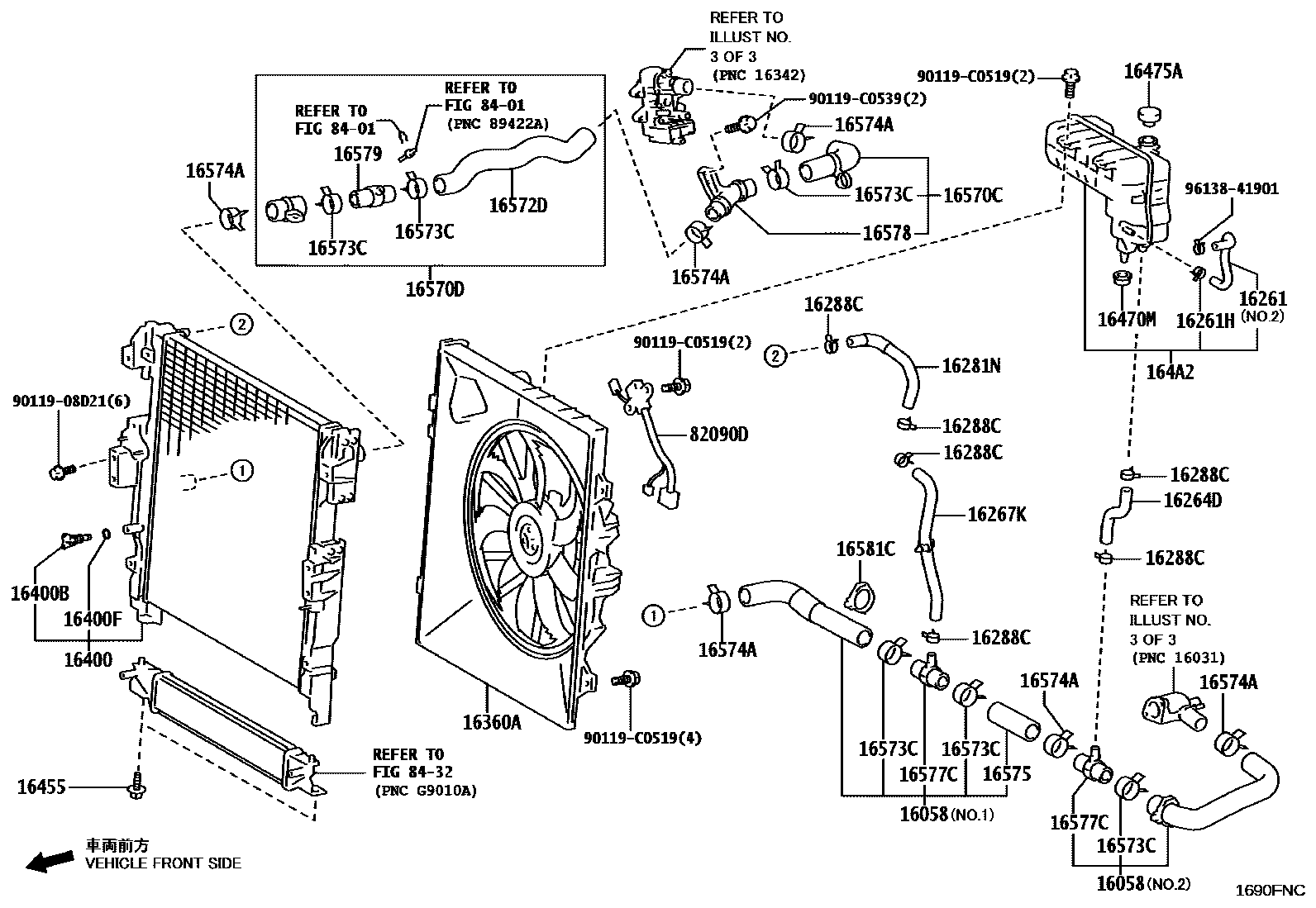
RADIATOR & WATER OUTLET

16058HOSE SUB-ASSY, RADIATOR, NO.2
NO.1:REFER ILLUST.
NO.2:REFER ILLUST.
16261HOSE, WATER BY-PASS
NO.1:REFER ILLUST.
NO.2:REFER ILLUST.
16261HCLIP(FOR WATER BY-PASS HOSE NO.1)
16264HOSE, WATER BY-PASS, NO.2
16264DHOSE, WATER BY-PASS, NO.2
16267HOSE, WATER BY-PASS, NO.3
16267KHOSE, WATER BY-PASS, NO.3
16281HOSE, WATER BY-PASS, NO.4
16281NHOSE, WATER BY-PASS, NO.4
16288PIPE, WATER BY-PASS, NO.4
16288CCLIP(FOR WATER BY-PASS PIPE NO.4)
16360AFAN ASSY, W/MOTOR
16400RADIATOR ASSY
16400BPLUG, RADIATOR DRAIN COCK
##
16400FPACKING(FOR RADIATOR DRAIN COCK)
##
16455BOLT, RADIATOR SIDE SUPPORT PLATE
16470MGROMMET
16475ACAP, RESERVE TANK
164A2TANK, RESERVE SEALED W/O CAP
16570CPIPE ASSY, RADIATOR, NO.1
16570DPIPE ASSY, RADIATOR, NO.2
16572DHOSE, RADIATOR, NO.2
16573CCLAMP OR CLIP, RADIATOR HOSE, NO.3
16574ACLIP, RADIATOR HOSE, NO.4
16575HOSE, RADIATOR, NO.5
16577CPIPE, RADIATOR
16578PIPE, RADIATOR, NO.2
16579PIPE, RADIATOR, NO.3
16581CCLAMP, HOSE(FOR RADIATOR HOSE NO.2)
82090DWIRE ASSY, EXTENSION
8401
8432
9011908D21
90119C0519
main90119-C0519
90119C0539
main90119-C0539
9613841901
36 parts on this diagram · 3 diagrams in section