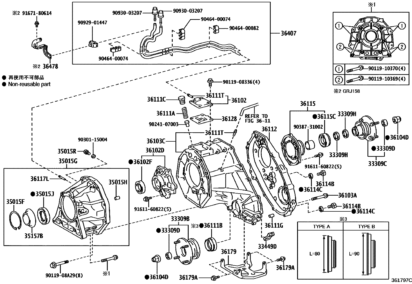
TRANSFER CASE & EXTENSION HOUSING

33309CFLANGE SUB-ASSY, OUTPUT SHAFT COMPANION
33309DSEAL, OIL(FOR TRANSFER OUTPUT SHAFT COMPANION FLANGE)
33309HWASHER, TRANSFER OUTPUT SHAFT
N=31,OD=38
33449DMAGNET (FOR TRANSFER CASE)
35015FRING, HOLE SNAP(FOR TRANSFER ADAPTER)
35015GADAPTER, TRANSFER, REAR
35015HPIN, RING(FOR TRANSFER CASE)
35015JSEAL, OIL(FOR TRANSFER CASE ADAPTER REAR)
35015RPLUG, W/HEAD STRAIGHT SCREW(FOR TRANSMISSION CASE ADAPTER)
35157BRECEIVER, TRANSFER CASE REAR ADAPTER OIL
36102COVER SUB-ASSY, TRANSFER CASE
36102DRETAINER SUB-ASSY, TRANSFER RH BEARING
36102FSEAL, OIL, NO.2 (FOR TRANSFER RH BEARING RETAINER)
36103ABOLT (FOR TRANSFER CASE)
*8-1.25PX55-30
36103CCASE, TRANSFER, FRONT
36104DNUT (FOR TRANSFER OUTPUT SHAFT)
3611
36111ASPRING, COMPRESSION (FOR TRANSFER CASE)
36111BSEAL, OIL (FOR TRANSFER CASE)
TYPE A
TYPE B
36111CPLUG (FOR TRANSFER CASE)
36111GPIN, STRAIGHT (FOR TRANSFER CASE)
L=14,OD=10
36111TTUBE (FOR TRANSFER CASE)
sub90406-T0007
36112CASE, TRANSFER, REAR
36114BPLUG, NO.1 (FOR TRANSFER CASE)
36114CGASKET, NO.1 (FOR TRANSFER CASE)
36115HOUSING, TRANSFER EXTENSION
36117LTUBE(FOR TRANSFER ADAPTER)
sub90406-T0007
36128DEFLECTOR, BREATHER OIL
36179PROTECTOR, TRANSFER CASE LOWER
36179ABOLT (FOR TRANSFER CASE LOWER PROTECTOR)
36407HOSE SUB-ASSY, TRANSFER BREATHER
36478BRACKET, TRANSFER BREATHER
9011908336
main90119-08336
9011908A29
main90119-08A29
9011910369
main90119-10369
9011910370
main90119-10370
9024107003
main90241-07003
9030115004
main90301-15004
9038731002
main90387-31002
9046400074
main90464-00074
9046400082
main90464-00082
9092901447
main90929-01447
9093003207
main90930-03207
9161160822
main91611-60822
9167180614
main91671-80614
47 parts on this diagram · 1 diagram in section