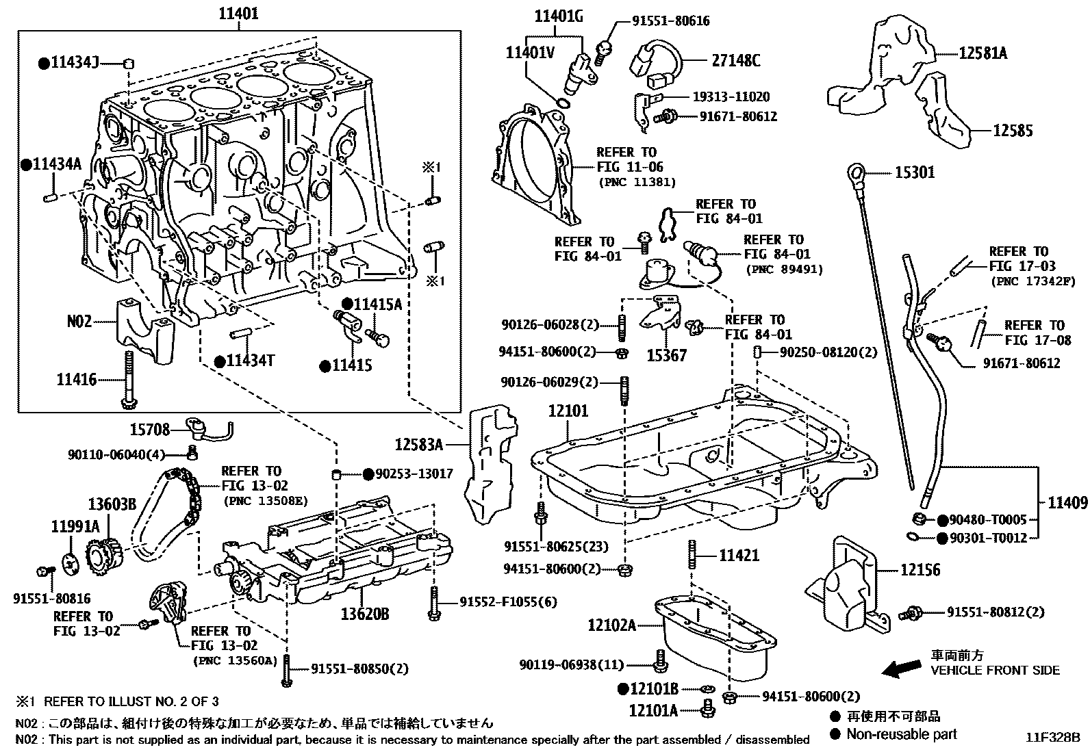
CYLINDER BLOCK

1106
11401GSENSOR, CRANK POSITION
11401VO-RING, CRANK POSITION SENSOR
11415COCK SUB-ASSY, WATER DRAIN(FOR CYLINDER BLOCK)
11415APLUG, WATER DRAIN COCK(FOR CYLINDER BLOCK)
11416BOLT(FOR CRANKSHAFT BEARING CAP SET)
(J)
(L)
11421BOLT, STUD(FOR OIL PAN)
11434APIN, STRAIGHT(FOR TIMING GEAR COVER SET)
L=18,OD=8
L=8,OD=11
11434JPIN, RING (FOR CYLINDER HEAD SET)
11434TPIN, RING(FOR TIMING BELT IDLER BRACKET SET)
11991APLATE, BALANCESHAFT THRUST, NO.1
12101PAN SUB-ASSY, OIL
12101APLUG(FOR OIL PAN DRAIN)
12101BGASKET(FOR OIL PAN DRAIN PLUG)
12102APAN SUB-ASSY, OIL, NO.2
12156INSULATOR, OIL PAN
12581AINSULATOR, CYLINDER BLOCK, NO.1
12583AINSULATOR, CYLINDER BLOCK, NO.3
12585INSULATOR, CYLINDER BROCK, NO.5
1302
13603BGEAR SUB-ASSY, BALANCESHAFT
15301GAGE SUB-ASSY, OIL LEVEL
15367BRACKET, OIL LEVEL SENSOR
15708NOZZLE SUB-ASSY, OIL, NO.1
1703
1708
27148CWIRE, CONNECTING
8401
1931311020BRACKET, CRANK POSITION SENSOR HARNESS
main19313-11020
9011006040
main90110-06040
9011906938
main90119-06938
9012606028
main90126-06028
9012606029
main90126-06029
9025008120
main90250-08120
9025313017
main90253-13017
90301T0012
main90301-T0012
90480T0005
main90480-T0005
9155180616
main91551-80616
9155180625
main91551-80625
9155180812
main91551-80812
9155180816
main91551-80816
9155180850
main91551-80850
91552F1055
main91552-F1055
9167180612
main91671-80612
9415180600
main94151-80600
48 parts on this diagram · 10 diagrams in section