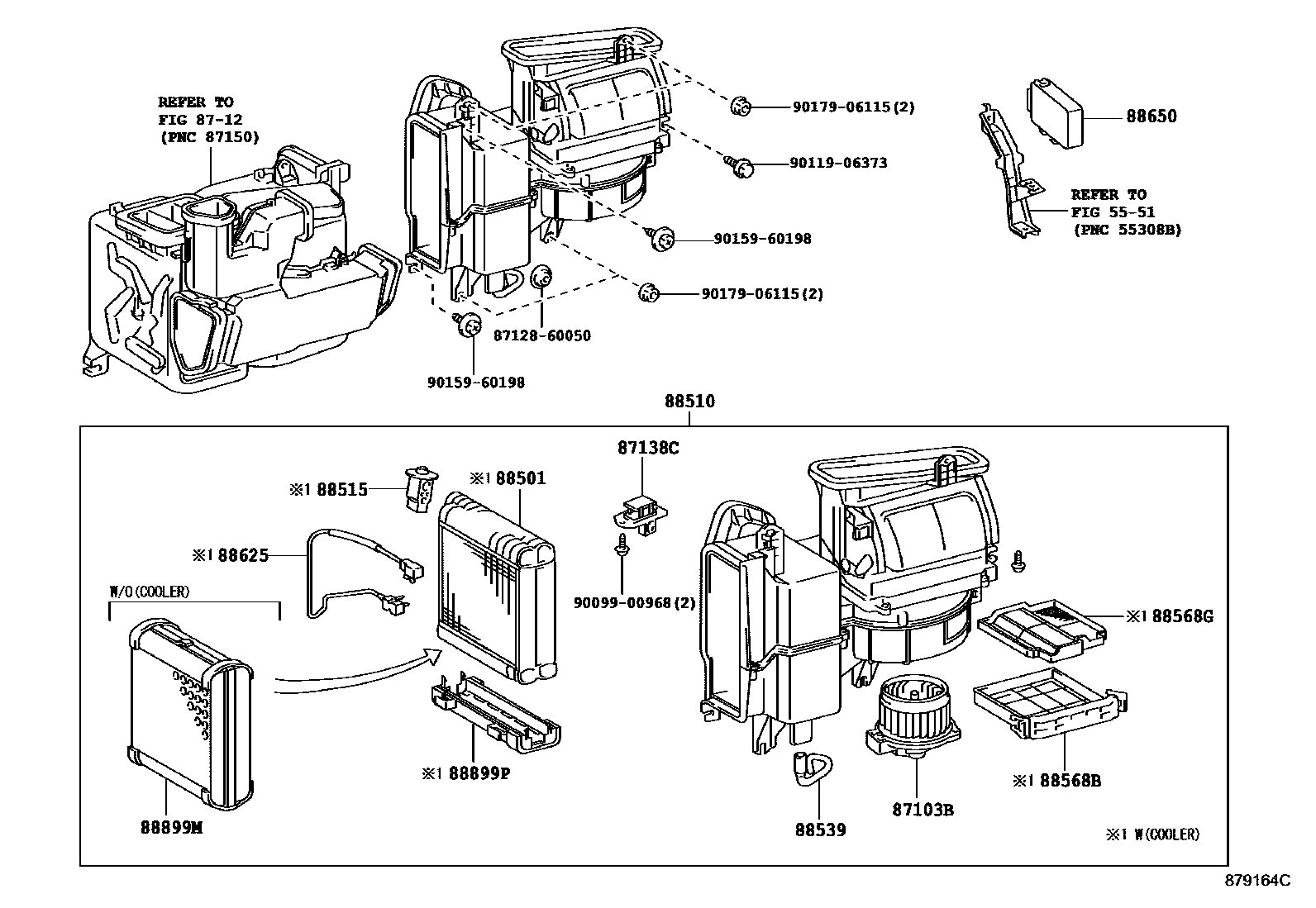
HEATING & AIR CONDITIONING - COOLER UNIT

5551
87103BMOTOR SUB-ASSY, BLOWER W/FAN
HEATER-W(FRONT)
HEATER-W(FRONT)
BANGLADESH SPEC&BATTERY-80D26R X 2
8712
87138CRESISTOR, BLOWER
HEATER-W(FRONT)
BANGLADESH SPEC&BATTERY-85D26R X 2(55AH X 2)
88501EVAPORATOR SUB-ASSY, COOLER, NO.1
AIR CONDITIONER-WITH
HEATER-W(FRONT & REAR)&AIR CONDITIONER-WITH
AIR CONDITIONER-WITH(DOP)
HEATER-W(FRONT & REAR)&AIR CONDITIONER-WITH
HEATER-W(FRONT & REAR)&AIR CONDITIONER-WITH
AIR CONDITIONER-WITH(DOP)
AIR CONDITIONER-WITH(DOP)
88510UNIT ASSY, COOLER
HEATER-WITH(FRONT & ALUMI CORE)&AIR CONDITIONER-WITH
HEATER-W(FRONT)
sub88510-60A20
BANGLADESH SPEC&BATTERY-80D26R X 2
HEATER-WITH(FRONT & REAR & ALUMI CORE)&AIR CONDITIONER-WITH
AIR CONDITIONER-WITH
HEATER-W(FRONT & REAR)&AIR CONDITIONER-WITH
CKD PACKAGE(BANGLADESH)
HEATER-WITH(FRONT & REAR & ALUMI CORE)&AIR CONDITIONER-WITH
AIR CONDITIONER-WITH
CKD PACKAGE(BANGLADESH)
BANGLADESH SPEC&BATTERY-85D26R X 2(55AH X 2)
88515VALVE, COOLER EXPANSION
HEATER-WITH(FRONT & ALUMI CORE)&AIR CONDITIONER-WITH
AIR CONDITIONER-WITH(DOP)
88539HOSE, COOLER UNIT DRAIN, NO.1
HEATER-W(FRONT)
88568BFILTER, AIR
AIR CONDITIONER-WITH(DOP)
88568GFILTER, AIR
AIR CONDITIONER-WITH
88625THERMISTOR, COOLER, NO.1
HEATER-WITH(FRONT & REAR & ALUMI CORE)&AIR CONDITIONER-WITH
88650AMPLIFIER ASSY, COOLER STABILIZER
AIR CONDITIONER-WITH
AIR CONDITIONER-WITH
AIR CONDITIONER-WITH(DOP)
AIR CONDITIONER-WITH
AIR CONDITIONER-WITH
AIR CONDITIONER-WITH
HEATER-WITH(FRONT & REAR & ALUMI CORE)&AIR CONDITIONER-WITH
88899MPLATE, COVER(FOR AIR FILTER)
main88899-60360iGRJ79..LX;GRJ79,HZJ79..DCB..GCC;GRJ79,HZJ79..LHD..GEN;GRJ71,76,78,HZJ71,76,78..LHD200701-201608
88899PPLATE, COVER
HEATER-WITH(FRONT & REAR & ALUMI CORE)&AIR CONDITIONER-WITH
8712860050GROMMET, HEATER
main87128-60050
9009900968
main90099-00968
9011906373
main90119-06373
9015960198
main90159-60198
9017906115
main90179-06115
19 parts on this diagram · 16 diagrams in section