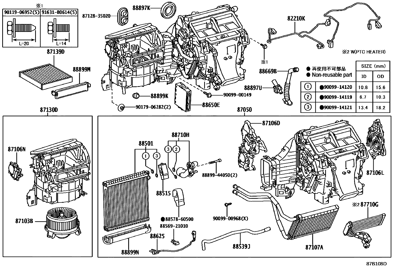
HEATING & AIR CONDITIONING - COOLER UNIT

82210KHARNESS ASSY, AIR CONDITIONER
AIR CONDITIONER-DUAL(AUTO)
AIR CONDITIONER-DUAL(AUTO)
AIR CONDITIONER-DUAL(AUTO)
AIR CONDITIONER-DUAL(AUTO)
87050RADIATOR ASSY, AIR CONDITIONER
GCC SPEC&AIR CONDITIONER-DUAL(MANUAL)
COOL BOX-WITH
COOL BOX-WITH
AIR CONDITIONER-DUAL(AUTO)
SOUTH AMERICA SPEC(EURO 3 CONFORMITY)&AIR CONDITIONER-SINGLE(AUTO)&COOL BOX-WITH
KAZAKHSTAN,GEORGIA,AZORES SPEC&COLD AREA SPEC&AIR CONDITIONER-DUAL(AUTO)&COOL BOX-WITH
KAZAKHSTAN,GEORGIA,AZORES SPEC&COLD AREA SPEC&AIR CONDITIONER-SINGLE(AUTO)
KAZAKHSTAN,GEORGIA,AZORES SPEC&COLD AREA SPEC&AIR CONDITIONER-DUAL(AUTO)&COOL BOX-WITH
AIR CONDITIONER-DUAL(AUTO)
AIR CONDITIONER-SINGLE(AUTO)
AIR CONDITIONER-DUAL(AUTO)&COOL BOX-WITH
AIR CONDITIONER-SINGLE(AUTO)
CHINA SPEC&COLD AREA SPEC&AIR CONDITIONER-DUAL(MANUAL)
COOL BOX-WITH
GCC SPEC&AIR CONDITIONER-DUAL(AUTO)
UKRAINE SPEC&COLD AREA SPEC&AIR CONDITIONER-DUAL(AUTO)
GEORGIA,AZORES,TAJIKISTAN,ARMENIA SPEC&COLD AREA SPEC&AIR CONDITIONER-DUAL(AUTO)
SOUTH AMERICA SPEC(EURO 3 CONFORMITY)&AIR CONDITIONER-SINGLE(AUTO)&COOL BOX-WITH
GEORGIA,AZORES,TAJIKISTAN,ARMENIA SPEC&COLD AREA SPEC&AIR CONDITIONER-DUAL(AUTO)
RUSSIA SPEC&COLD AREA SPEC&ENGINE-FOR EURO 5 CONFORMITY&AIR CONDITIONER-DUAL(MANUAL)&COOL BOX-WITH
GEORGIA,AZORES,TAJIKISTAN,ARMENIA SPEC&COLD AREA SPEC&COOL BOX-WITH
AIR CONDITIONER-DUAL(MANUAL)
AIR CONDITIONER-DUAL(AUTO)
AIR CONDITIONER-DUAL(AUTO)&COOL BOX-WITH
AIR CONDITIONER-SINGLE(AUTO)
87103BMOTOR SUB-ASSY, BLOWER W/FAN
87106DSERVO SUB-ASSY, DAMPER, NO.1
BELIZE SPEC&AIR CONDITIONER-SINGLE(AUTO)
87106LSERVO SUB-ASSY, DAMPER
87106NSERVO SUB-ASSY, DAMPER(FOR RECIRCULATION)
87107AUNIT SUB-ASSY, HEATER RADIATOR
87139DELEMENT, AIR REFINER
*DPF
POLLEN FILTER
CHINA SPEC,MICRO DUST FILTER
CHINA SPEC,STANDARD
87710GQUICK HEATER ASSY
GEORGIA,AZORES,TAJIKISTAN,ARMENIA SPEC&COLD AREA SPEC&AIR CONDITIONER-DUAL(AUTO)&COOL BOX-WITH
KAZAKHSTAN,GEORGIA,AZORES SPEC&COLD AREA SPEC&AIR CONDITIONER-SINGLE(AUTO)
88501EVAPORATOR SUB-ASSY, COOLER, NO.1
GCC SPEC
GCC SPEC&AIR CONDITIONER-DUAL(MANUAL)
CHINA SPEC&COLD AREA SPEC&AIR CONDITIONER-DUAL(MANUAL)
CHINA SPEC&COLD AREA SPEC&AIR CONDITIONER-DUAL(MANUAL)
88515VALVE, COOLER EXPANSION
EGYPT SPEC&AIR CONDITIONER-DUAL(MANUAL)
KAZAKHSTAN,GEORGIA,AZORES SPEC&COLD AREA SPEC&AIR CONDITIONER-DUAL(AUTO)&COOL BOX-WITH
sub88515-60300
BELIZE SPEC&AIR CONDITIONER-SINGLE(AUTO)
BELIZE SPEC&AIR CONDITIONER-SINGLE(AUTO)
sub88515-60290
88539JHOSE, DRAIN COOLER
88625THERMISTOR, COOLER, NO.1
88650EAMPLIFIER ASSY, AIR CONDITIONER, NO.1
AIR CONDITIONER-DUAL(MANUAL)
AIR CONDITIONER-DUAL(MANUAL)
AIR CONDITIONER-DUAL(MANUAL)
AIR CONDITIONER-DUAL(MANUAL)
AIR CONDITIONER-DUAL(MANUAL)
AIR CONDITIONER-DUAL(MANUAL)
AIR CONDITIONER-DUAL(MANUAL)&REAR SEAT-SLIDEWALK-IN&5:5 DOUBLE FLAT MANUAL
AIR CONDITIONER-DUAL(MANUAL)&REAR SEAT-SLIDEWALK-IN&5:5 DOUBLE FLAT MANUAL
AIR CONDITIONER-DUAL(MANUAL)&REAR SEAT-SLIDEWALK-IN&5:5 DOUBLE FLAT MANUAL
AIR CONDITIONER-SINGLE(AUTO)
AIR CONDITIONER-SINGLE(AUTO)
AIR CONDITIONER-SINGLE(AUTO)
COLD AREA SPEC&AIR CONDITIONER-SINGLE(AUTO)
COLD AREA SPEC&AIR CONDITIONER-SINGLE(AUTO)
COLD AREA SPEC&AIR CONDITIONER-SINGLE(AUTO)
COLD AREA SPEC&AIR CONDITIONER-SINGLE(AUTO)
COLD AREA SPEC&AIR CONDITIONER-SINGLE(AUTO)
COLD AREA SPEC&AIR CONDITIONER-SINGLE(AUTO)
AIR CONDITIONER-DUAL(AUTO)
AIR CONDITIONER-DUAL(AUTO)
AIR CONDITIONER-DUAL(AUTO)
AIR CONDITIONER-DUAL(AUTO)
AIR CONDITIONER-DUAL(MANUAL)
AIR CONDITIONER-DUAL(MANUAL)
AIR CONDITIONER-DUAL(MANUAL)
AIR CONDITIONER-SINGLE(AUTO)
AIR CONDITIONER-SINGLE(AUTO)
AIR CONDITIONER-DUAL(AUTO)
COLD AREA SPEC&AIR CONDITIONER-SINGLE(AUTO)
COLD AREA SPEC&AIR CONDITIONER-SINGLE(AUTO)
AIR CONDITIONER-DUAL(MANUAL)
AIR CONDITIONER-SINGLE(AUTO)
AIR CONDITIONER-DUAL(AUTO)
COLD AREA SPEC&AIR CONDITIONER-SINGLE(AUTO)
COLD AREA SPEC&AIR CONDITIONER-SINGLE(AUTO)
AIR CONDITIONER-DUAL(MANUAL)
CHINA SPEC&LEATHER SEAT PACKAGE&AIR CONDITIONER-SINGLE(AUTO)
AIR CONDITIONER-DUAL(AUTO)&REAR SEAT-SLIDEWALK-IN&5:5 DOUBLE FLAT MANUAL
COLD AREA SPEC&AIR CONDITIONER-SINGLE(AUTO)
COLD AREA SPEC&AIR CONDITIONER-SINGLE(AUTO)
AIR CONDITIONER-DUAL(MANUAL)
AIR CONDITIONER-SINGLE(AUTO)
*471(*LES) & SHIFT KNOB(LEATHER,*WOO)&AIR CONDITIONER-DUAL(AUTO)&REAR SEAT-SLIDEWALK-IN&5:5 DOUBLE FLAT MANUAL
VX-L PACKAGE & SHIFT KNOB(LEATHER)&COLD AREA SPEC&AIR CONDITIONER-DUAL(AUTO)&REARSEAT-SLIDEWALK-IN&5:5 DOUBLE FLAT POWER
UKRAINE SPEC&*471(*FAS) & SHIFT KNOB(LEATHER,*WOO)&COLD AREA SPEC&AIR CONDITIONER-DUAL(AUTO)&REAR SEAT-SLIDEWALK-IN&5:5 DOUBLE FLAT MANUAL
COLD AREA SPEC
AIR CONDITIONER-DUAL(MANUAL)
AIR CONDITIONER-SINGLE(AUTO)
*471(*LES) & SHIFT KNOB(LEATHER,*WOO)&AIR CONDITIONER-DUAL(AUTO)&REAR SEAT-SLIDEWALK-IN&5:5 DOUBLE FLAT MANUAL
VX-L PACKAGE & SHIFT KNOB(LEATHER)&COLD AREA SPEC&AIR CONDITIONER-DUAL(AUTO)&REARSEAT-SLIDEWALK-IN&5:5 DOUBLE FLAT POWER
UKRAINE SPEC&*471(*FAS) & SHIFT KNOB(LEATHER,*WOO)&COLD AREA SPEC&AIR CONDITIONER-DUAL(AUTO)&REAR SEAT-SLIDEWALK-IN&5:5 DOUBLE FLAT MANUAL
COLD AREA SPEC
AIR CONDITIONER-DUAL(MANUAL)
88669BHOSE, COOLER AIR
KAZAKHSTAN,GEORGIA,AZORES SPEC&COLD AREA SPEC&AIR CONDITIONER-DUAL(AUTO)&COOL BOX-WITH
AIR CONDITIONER-DUAL(AUTO)&COOL BOX-WITH
88710HTUBE & ACCESSORY ASSY, AIR CONDITIONER
main88710-60B70iGRJ150,KDJ150..5FC;KDJ150..LHD..6F..GEN;GRJ150,LJ150,TRJ15#..LHD..(4FC,5F,6F)200908-201308
88897KGROMMET, (FOR COOLER PIPE)
88897UPIPE, ASPIRATOR
BELIZE SPEC&AIR CONDITIONER-SINGLE(AUTO)
88899KPLATE, COVER
88899MPLATE, COVER(FOR AIR FILTER)
88899NPLATE, COVER
GCC SPEC
8712835020GROMMET, HEATER
main87128-35020
8856921010CLAMP (FOR COOLER RELAY)
main88569-21010
8857860500PAKING, COOLER AIR DUCT
main88578-60500
8889944050COVER, EVAPORATOR
main88899-44050
9009900149
main90099-00149
9009900968
main90099-00968
9009914119
main90099-14119
9009914120
main90099-14120
9009914121
main90099-14121
9011906952
main90119-06952
9017906282
main90179-06282
91631B0614
main91631-B0614
34 parts on this diagram · 9 diagrams in section