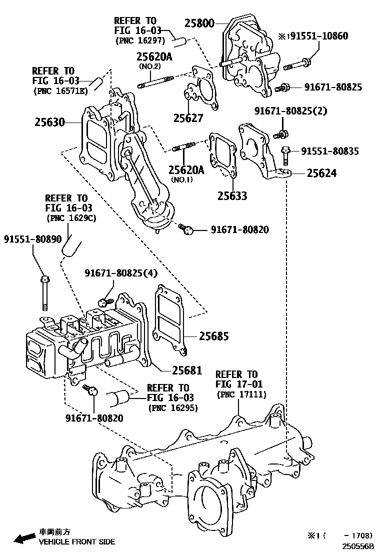
EXHAUST GAS RECIRCULATION SYSTEM

1603
1701
25620ABOLT, STUD(FOR EGR VALVE)
NO.1
NO.2
25624ADAPTER, EGR VALVE
ENGINE-FOR EURO 4 CONFORMITY
25627GASKET, EGR VALVE
ENGINE-FOR EURO 3 CONFORMITY
ENGINE-FOR EURO 4 CONFORMITY
ENGINE-FOR EURO 2 CONFORMITY
25633GASKET, EGR VALVE
25681COOLER, EGR, NO.1
25685GASKET, EGR COOLER, NO.1
25800VALVE ASSY, ELECTRIC EGR CONTROL
ENGINE-FOR EURO 2 CONFORMITY
ENGINE-FOR EURO 3 CONFORMITY
ENGINE-FOR EURO 4 CONFORMITY
9155110860
main91551-10860
9155180835
main91551-80835
9155180890
main91551-80890
9167180820
main91671-80820
9167180825
main91671-80825
15 parts on this diagram · 5 diagrams in section