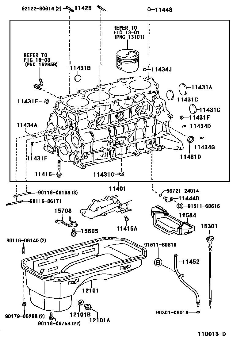
CYLINDER BLOCK

11401BLOCK SUB-ASSY, CYLINDER
sub11401-69576
sub11401-69577
sub11401-69705
sub11401-69706
sub11401-69707
sub32909-26150
sub32909-35130
sub32921-26300
sub32921-26310
sub32921-35380
sub32922-26290
sub32922-26300
sub32922-35410
sub82715-26161
sub82729-26080
sub91162-61216
sub91162-61220
sub91619-61216
sub91619-61235
sub91619-61250
sub94130-61200
sub11401-69836
sub11401-69837
sub32909-26150
sub32921-26300
sub32921-26310
sub32922-26290
sub32922-26300
sub82715-26161
sub82729-26080
sub91162-61216
sub91162-61220
sub91619-61216
sub91619-61250
sub94130-61200
sub11401-69839
sub11401-80766
sub11401-79686
sub11401-79687
11415COCK SUB-ASSY, WATER DRAIN(FOR CYLINDER BLOCK)
11415APLUG, WATER DRAIN COCK(FOR CYLINDER BLOCK)
11416BOLT(FOR CRANKSHAFT BEARING CAP SET)
sub90910-02176
main90910-02092i3RZFE..RZJ90..GEN;3RZFE..RZJ95..LHD..STD;3RZFE..RZJ95..ATM..GCC;3RZFE..RZJ95..(GX,VX)..(ARL,GEN,MA)199604-200412
sub90910-02179
11431APLUG, TIGHT, NO.1(FOR CYLINDER BLOCK)
11431BPLUG, TIGHT, NO.2(FOR CYLINDER BLOCK)
11431CPLUG, TIGHT, NO.3(FOR CYLINDER BLOCK)
main96411-64000i3RZFE..RZJ90..GEN;3RZFE..RZJ95..LHD..STD;3RZFE..RZJ95..ATM..GCC;3RZFE..RZJ95..(GX,VX)..(ARL,GEN,MA)199604-200412
11431DPLUG, TIGHT, NO.4(FOR CYLINDER BLOCK)
11431EPLUG, TIGHT, NO.5(FOR CYLINDER BLOCK)
11431FPLUG, TIGHT, NO.6(FOR CYLINDER BLOCK)
11431GPLUG, TIGHT
11434APIN, STRAIGHT(FOR TIMING GEAR COVER SET)
L=18,OD=8
L=8,OD=11
11434DPIN, STRAIGHT(FOR ENGINE REAR OIL SEAL)
L=14,OD=6
L=11,OD=6
L=11,OD=6
L=8,OD=11
11434GPIN, STRAIGHT(FOR END PLATE)
11434JPIN, RING (FOR CYLINDER HEAD SET)
11444PLUG, HOLE
11444DPLUG, HOLE
11448ORIFICE, CYLINDER BLOCK OIL
12101PAN SUB-ASSY, OIL
main12101-75050i3RZFE..RZJ90..GEN;3RZFE..RZJ95..LHD..STD;3RZFE..RZJ95..ATM..GCC;3RZFE..RZJ95..(GX,VX)..(ARL,GEN,MA)199604-200412
12101BGASKET(FOR OIL PAN DRAIN PLUG)
12584INSULATOR, CYLINDER BROCK, NO.4
1301
15301GAGE SUB-ASSY, OIL LEVEL
main15301-75060i3RZFE..RZJ90..GEN;3RZFE..RZJ95..LHD..STD;3RZFE..RZJ95..ATM..GCC;3RZFE..RZJ95..(GX,VX)..(ARL,GEN,MA)199604-200412
15605VALVE SUB-ASSY, OIL CHECK
1603
9011606138
main90116-06138
9011606140
main90116-06140
9011606171
main90116-06171
9011906754
main90119-06754
9017906298
main90179-06298
9030109018
main90301-09018
9151160610
main91511-60610
9151160616
main91511-60616
9212260614
main92122-60614
9672124014
main96721-24014
39 parts on this diagram · 5 diagrams in section