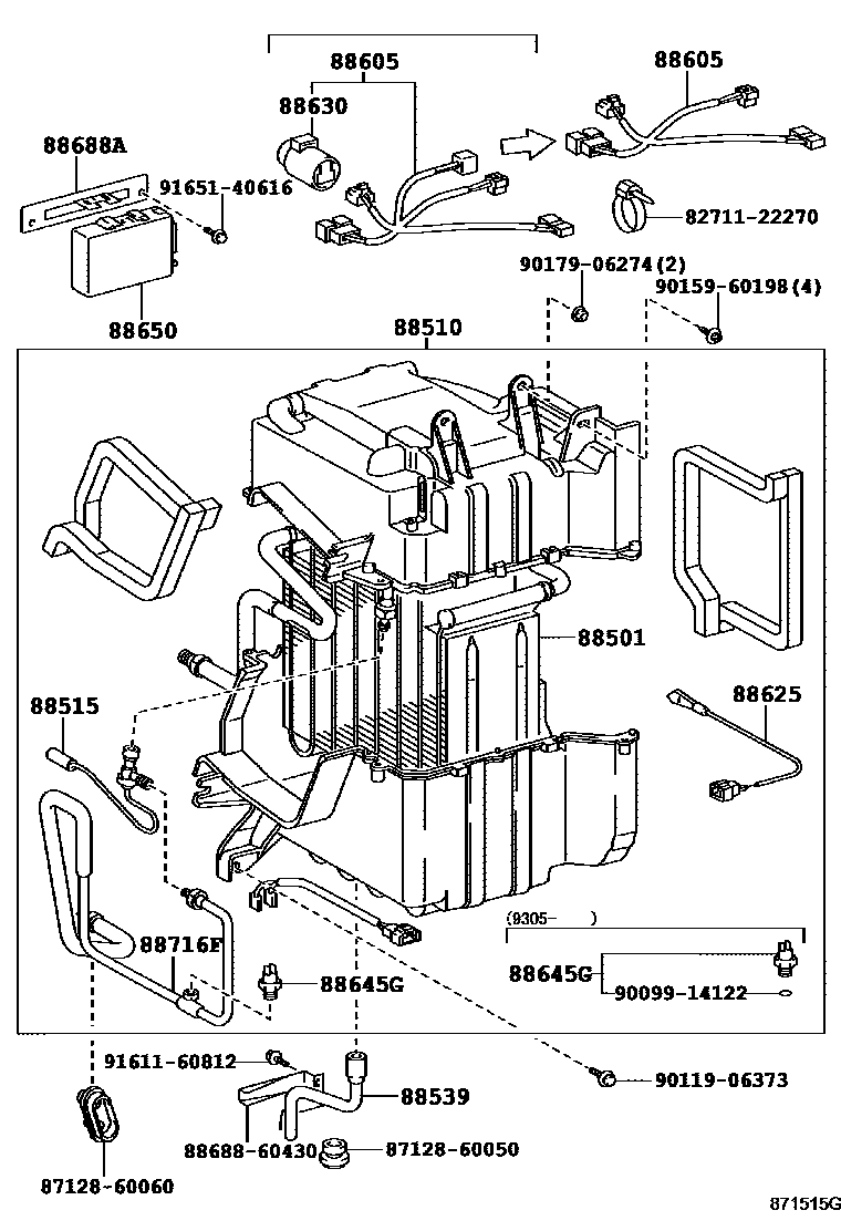
88501EVAPORATOR SUB-ASSY, COOLER, NO.1
main88501-60050iFJ7#,FZJ70,75,HZJ7#,LJ7#,PZJ7#,RJ7#..RHD..(ARL,GEN)199001-199305 main88501-60060iFJ75..GEN..CBU;FJ70,73,FZJ7#,HZJ75,LJ72,77,79,PZJ70,75,RJ7#..LHD199201-199305 main88501-60080iFZJ70,HZJ70..ARL;FZJ75..RHD..IV..CBR199401-199501 main88501-60090iFZJ79..GEN..IV;FZJ71..LHD..GEN199908-200808 main88501-90A08iHZJ75..HT;FJ75..HT..(GCC,GEN)199108-199201 REAR
88510UNIT ASSY, COOLER
main88510-60430iFJ70,75,HZJ7#,LJ72,77,79,PZJ7#,RJ7#..RHD..(ARL,GEN)199108-199201 FRONT
main88510-60440iFJ75..GEN..CBU;FJ70,73,FZJ7#,HZJ75,LJ72,77,79,PZJ70,75,RJ7#..LHD199201-199305 FRONT
main88510-60450iHZJ75..HT;FJ75..HT..(GCC,GEN)199108-199201 REAR
main88510-60510iFZJ79..GEN..IV;FZJ71..LHD..GEN199908-200808 main88510-60520iFZJ70,HZJ70..ARL;FZJ75..RHD..IV..CBR199401-199501 88515VALVE, COOLER EXPANSION
main88515-60040iFZJ71..RHD;HZJ79..GCC,GEN;FZJ71,HDJ7#..ARL,GCC;FZJ74,78,79,HZJ71,78..(GCC,GEN)..CBU199908-200701 main88515-87004iFJ75..ARL;FJ75..GEN..CBU;FJ70,73,FZJ7#,HZJ7#,LJ7#,PZJ7#,RJ7#..ARL,GCC,GEN199201-199305 88539HOSE, COOLER UNIT DRAIN, NO.1
main88539-60090iHZJ75..ARL;FZJ75..ARL..IV;HZJ75..RHD..GEN..IV;FZJ70,HZJ7#..RHD..HT..GEN;FZJ75..RHD..(ARL,GEN)..CBU199401-199908 main88539-60190iFZJ71,74,78,79,HZJ71,78,79..LHD199908-200701 main88539-60210iFZJ74..STD..GEN;FZJ71,78,79..LHD..GEN200105-200204 CHINA SPEC OR VENEZUELA SPEC OR COLOMBIA SPEC
main88539-60211iFZJ79..GEN..IV;FZJ71..LHD..GEN200204-200808 MALAYSIA SPEC OR VENEZUELA SPEC
main88539-90K01iFJ75..GEN..CBU;FJ70,73,HZJ75,LJ72,77,79,PZJ70,75,RJ7#..LHD199201-199305 88605HARNESS SUB-ASSY, COOLER WIRING, NO.1
main88605-60580iHZJ75,LJ70,PZJ70,73..GCC,GEN;FZJ70,75,LJ72,77,79,PZJ75..DSL,EFI,TD199001-199209 main88605-60582iHZJ75..RHD..PIC..GEN..CBU;FZJ73,HZJ70..SOT..(DSL,EFI)199501-199909 main88605-60620iHZJ75,PZJ70..(PIC,SOT)..4F..CBU199001-199305 BANGLADESH SPEC
main88605-60621iHZJ70,75..RHD..(PIC,SOT)..GEN..CBU199501-200007 BANGLADESH SPEC
main88605-60671iFZJ70..SOT;FZJ75..RHD..IV..CBR199410-199501 main88605-6A030iFZJ71..RHD;FZJ71,HDJ7#..ARL,GCC;FZJ74,78,79..(GCC,GEN)..CBU199908-200701 88625THERMISTOR, COOLER, NO.1
main88625-95A00iHZJ75..HT;FJ75..HT..(GCC,GEN)199108-199201 REAR
88630RELAY ASSY, COOLER
main88630-14030iFZJ70,75..EFI;HZJ75..PIC..ARL199211-199305 88645GSWITCH, PRESSURE
main88645-12020iFJ7#,HZJ7#,LJ7#,PZJ7#,RJ7#..ARL,GCC,GEN199001-199201 main88645-34010iFZJ79..GEN..IV;FZJ71..LHD..GEN199908-200808 88650AMPLIFIER ASSY, COOLER STABILIZER
main88650-60150iHZJ70,75..RHD..(PIC,SOT)..GEN..CBU199305-200007 BANGLADESH SPEC
main88650-60490iFZJ79..GEN..IV;FZJ71..LHD..GEN199908-200808 main88650-90K00iFJ70,73;FJ75..PIC..(ARL,GCC,GEN)199001-199108 SINGLE AIR CONDITIONER
DUAL AIR CONDITIONER,W(CUT SYSTEM)
88688ABRACKET, COOLER STABILIZER AMPLIFIER
main88688-90K07iFJ75..GEN..CBU;FJ70,73,FZJ7#,HZJ75,LJ72,77,79,PZJ7#,RJ7#..GCC,GEN199201-199305 88716FPIPE, COOLER REFRIGERANT LIQUID, F
main88716-60540iFJ7#,HZJ75,LJ7#,PZJ70,75,RJ7#..LHD199001-199201 FRONT
main88716-6A320iHZJ70,75..RHD..(PIC,SOT)..GEN..CBU199401-200007 main88716-6A330iFZJ79..GEN..IV;FZJ71..LHD..GEN199908-200808 8271122270WIRE, FUSE TO FUSE(FOR COMBUSTION HEATER)
8712860050GROMMET, HEATER
8712860060GROMMET, HEATER
8868860430BRACKET, COOLER DIAPHRAGM