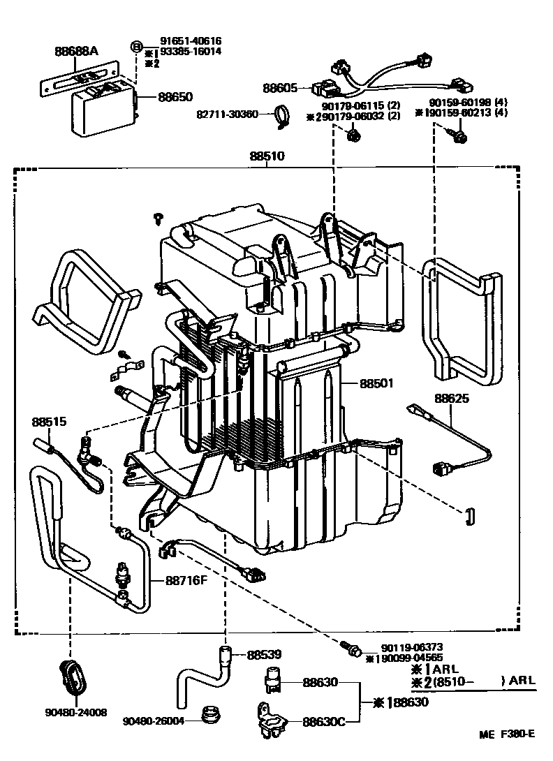
HEATING & AIR CONDITIONING - COOLER UNIT

88501EVAPORATOR SUB-ASSY, COOLER, NO.1
RR
RR
FR
FR
FR
FR
88510UNIT ASSY, COOLER
FR
FR
RR
88515VALVE, COOLER EXPANSION
88539HOSE, COOLER UNIT DRAIN, NO.1
88605HARNESS SUB-ASSY, COOLER WIRING, NO.1
24V
W/*ODAC
W/*ODAC
88625THERMISTOR, COOLER, NO.1
88630RELAY ASSY, COOLER
88630CBRACKET, COOLER RELAY
88650AMPLIFIER ASSY, COOLER STABILIZER
24V
W/*ODAC
W/*ODAC
88688ABRACKET, COOLER STABILIZER AMPLIFIER
88716FPIPE, COOLER REFRIGERANT LIQUID, F
W/*ODAC
8271130360WIRE, FUSE TO FUSE(FOR COMBUSTION HEATER)
main82711-30360
9009904565
main90099-04565
9011906373
main90119-06373
9015960198
main90159-60198
9015960213
main90159-60213
9017906032
main90179-06032
9017906115
main90179-06115
9048024008
main90480-24008
9048026004
main90480-26004
9165140616
main91651-40616
9338516014
main93385-16014
22 parts on this diagram · 3 diagrams in section