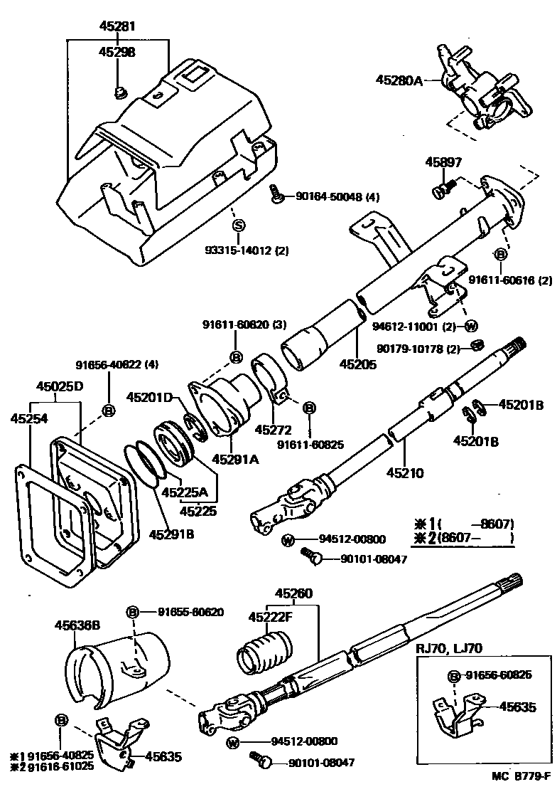
STEERING COLUMN & SHAFT

45025DCOVER SUB-ASSY, STEERING COLUMN HOLE, NO.1
RIGID STEERING
COLLAPSIBLE STEERING
45201BRING, SHAFT SNAP(FOR STEERING MAIN SHAFT)
T=1.20,FLAT TYPE
T=1.20,CURVED TYPE
45201DRING(FOR STEERING MAIN SHAFT)
45205TUBE SUB-ASSY, STEERING COLUMN
W/TILT STEERING(RIGID)
W/TILT STEERING(COLLAPSIBLE)
45210SHAFT ASSY, STEERING MAIN
45222FCOVER, DUST
45225BLOCK, BEARING
45225ARING, O(FOR BEARING BLOCK)
45254SHIELD, STEERING COLUMN HOLE
45260SHAFT ASSY, STEERING INTERMEDIATE, NO.2
RIGID STEERING
COLLAPSIBLE STEERING
RIGID STEERING
COLLAPSIBLE STEERING
45272CLAMP, STEERING COLUMN, LOWER
45281HOUSING, STEERING COLUMN
GRAY,SHADOW GRAY
sub45286-60925
BROWN,SEPIA BROWN
sub45286-60925
GRAY,SHADOW GRAY
sub45286-60926
BROWN,SEPIA BROWN
sub45286-60926
BROWN,W/*TIS,SEPIA BROWN
sub45286-60927
BROWN,SEPIA BROWN
sub45286-60927
GRAY,SHADOW GRAY
sub45286-60928
BROWN,W/*TIS,SEPIA BROWN
sub45286-60928
BROWN,SEPIA BROWN
sub45286-60928
GRAY,W/*DTY WINDOW,SHADOW GRAY
sub45286-60930
BROWN,SEPIA BROWN
sub45286-60930
GRAY,W/*DTY WINDOW & *TIS,SHADOW GRAY
sub45286-60931
BROWN,W/*DTY WINDOW & *TIS,SEPIA BROWN
sub45286-60931
GRAY,W/*DTY WINDOW & *TIS,SHADOW GRAY
sub45286-60932
GRAY,W/*TIS,SHADOW GRAY
sub45286-60932
BROWN,W/*TIS,SEPIA BROWN
sub45286-60932
BROWN,W/*DTY WINDOW & *TIS,SEPIA BROWN
sub45286-60932
45291SEAL, MAIN SHAFT UPPER DUST
W/TILT STEERING(COLLAPSIBLE)
W/TILT STEERING(RIGID)
45291ASUPPORT, STEERING COLUMN TUBE
45291BRING, O(FOR STEERING COLUMN TUBE SUPPORT)
45298PLUG, STEERING COLUMN COVER
45635SUPPORT, INTERMEDIATE LINK JOINT PROTECTOR
45636BPROTECTOR, INTERMEDIATE LINK JOINT
45897BOLT, STEERING LOCK SET
9010108047
main90101-08047
9016450048
main90164-50048
9017910178
main90179-10178
9161160616
main91611-60616
9161160820
main91611-60820
9161160825
main91611-60825
9161661025
main91616-61025
9165560620
main91655-60620
9165640822
main91656-40822
9165640825
main91656-40825
9165660825
main91656-60825
9331514012
main93315-14012
9451200800
main94512-00800
9461211001
main94612-11001
34 parts on this diagram · 4 diagrams in section