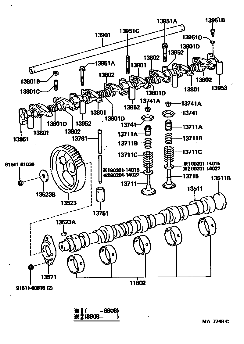
CAMSHAFT & VALVE

11802BEARING SET, CAMSHAFT
STD,STD
STD
STD
STD
STD,STD
STD,STD
U/S 0.125,U/S 0.125
U/S 0.125,U/S 0.125
U/S 0.25,U/S 0.250
U/S 0.25,U/S 0.250
U/S 0.25,U/S 0.250
U/S 0.50,U/S 0.50
13511BPLUG, EXPANSION(FOR CAMSHAFT)
OD=55
OD=56
13523AKEY, WOODRUFF(FOR TIMING GEAR)
13523BWASHER, PLATE(FOR TIMING GEAR)
13711VALVE, INTAKE
sub13711-35051
sub13711-35050
sub13711-35051
sub13711-58021
HIGH-OCTANE SPEC
*47
W/O EXHAUST EMISSION CONTROL
13711BSPRING, COMPRESSION(FOR INNER)
WD=4.35,CW=6.25
13711CSPRING, COMPRESSION(FOR OUTER)
13741RETAINER, VALVE SPRING
W/O EXHAUST EMISSION CONTROL
INTAKE,HIGH-OCTANE SPEC
INTAKE
EXHAUST
EXHAUST,LOW-OCTANE SPEC
13741ALOCK, VALVE SPRING RETAINER
EXHAUST
EXHAUST,LOW-OCTANE SPEC
INTAKE,HIGH-OCTANE SPEC
W/O EXHAUST EMISSION CONTROL
INTAKE
13781ROD, VALVE PUSH
13951ABOLT(FOR ROCKER SUPPORT SET)
*8-1.25PX53-30
*8-1.25PX63-30
*8-1.25PX55-30
*10-1.25PX74-20
*10-1.25PX72-20
*8-1.25PX55-30
*8-1.25PX60-30
*8-1.25PX65-30
13951CBOLT, STUD(FOR ROCKER SUPPORT)
L=38,S=10&16
13951DWASHER, SEAL(FOR HEAD COVER SET)
9020114015
main90201-14015
9020114022
main90201-14022
9161160818
main91611-60818
9161161030
main91611-61030
33 parts on this diagram · 6 diagrams in section