HEATING & AIR CONDITIONING - CONTROL & AIR DUCT

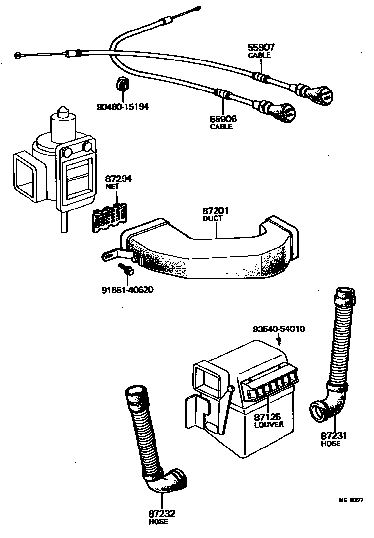
55906CABLE SUB-ASSY, HEATER CONTROL
55907CABLE SUB-ASSY, HEATER AIR INLET BUTTERFLY
87125LOUVER, VENTILATION
87201DUCT SUB-ASSY, AIR, NO.1
W/O COOLER
W/COOLER
W/COOLER
W/COOLER
87231HOSE, HEATER DEFROSTER, RH
COLD SPEC
COLD SPEC
87232HOSE, HEATER DEFROSTER, LH
COLD SPEC
COLD SPEC
W/O COOLER
87294NET, AIR DUCT
9048015194
main90480-15194
9165140620
main91651-40620
9354054010
main93540-54010
10 parts on this diagram · 2 diagrams in section