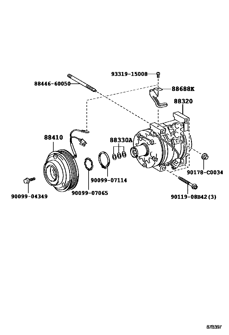
HEATING & AIR CONDITIONING - COMPRESSOR

88320COMPRESSOR ASSY, COOLER
REAR SEAT-SLIDEWALK-IN & 5:5 DOUBLE FLAT POWER
REAR SEAT-SLIDEWALK-IN & 5:5 DOUBLE FLAT MANUAL
REAR SEAT-SLIDEWALK-IN & 5:5 DOUBLE FLAT POWER
88330AWASHER (FOR MAGNET CLUTCH)
88410CLUTCH ASSY, MAGNET
88688KBRACKET, COOLER COMPRESSOR
8844660050BOLT, IDLE PULLEY
main88446-60050
9009904349
main90099-04349
9009907065
main90099-07065
9009907114
main90099-07114
9011908B42
main90119-08B42
90178C0034
main90178-C0034
9331915008
main93319-15008
11 parts on this diagram · 4 diagrams in section