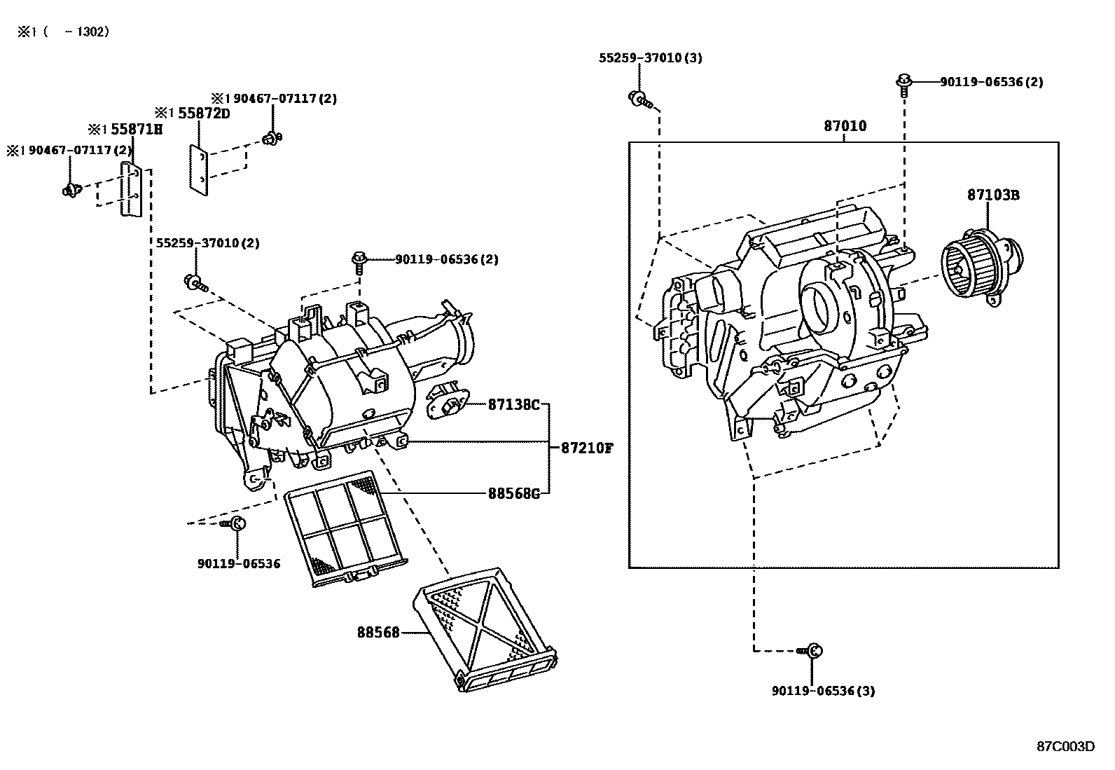
HEATING & AIR CONDITIONING - COOLER UNIT

55871HSEAL, AIR DUCT, NO.1
55872DSEAL, AIR DUCT, NO.2
87010UNIT ASSY, AIR CONDITIONER
FRONT HEATER-WITH & WITHOUT(WARM UP SWITCH)&AIR CONDITIONER-MANUAL & WITH(POLLEN FILTER)
sub87010-37031
subSZ010-44221
FRONT HEATER-WITH & WITHOUT(WARM UP SWITCH)
FRONT HEATER-WITH & WITHOUT(WARM UP SWITCH)&AIR CONDITIONER-MANUAL & WITH(POLLEN FILTER)
sub87010-37121
subSZ010-44221
FRONT HEATER-WITH & WITH(REV UP LEVER)&AIR CONDITIONER-MANUAL & WITH(POLLEN FILTER)
sub87010-37121
subSZ010-44221
sub87010-37121
subSZ010-44221
AIR CONDITIONER-MANUAL
AIR CONDITIONER-MANUAL & WITH(CLEAN AIR FILTER)
FRONT HEATER-WITH & WITH(REV UP LEVER)
FRONT HEATER-WITH & WITHOUT(WARM UP SWITCH)
AIR CONDITIONER-WITHOUT
FRONT HEATER-WITHOUT & WITH(BOOST VENTILATOR)
FRONT HEATER-WITHOUT & WITH(BOOST VENTILATOR)&AIR CONDITIONER-WITHOUT
FRONT HEATER-WITHOUT & WITH(BOOST VENTILATOR)
87103BMOTOR SUB-ASSY, BLOWER W/FAN
87138CRESISTOR, BLOWER
87210FCASE ASSY, AIR DAMPER
88568FILTER, COOLER UNIT COVER
STANDARD
AIR CONDITIONER-WITHOUT,STANDARD
88568GFILTER, AIR
5525937010
main55259-37010
9011906536
main90119-06536
9046707117
main90467-07117
11 parts on this diagram · 8 diagrams in section