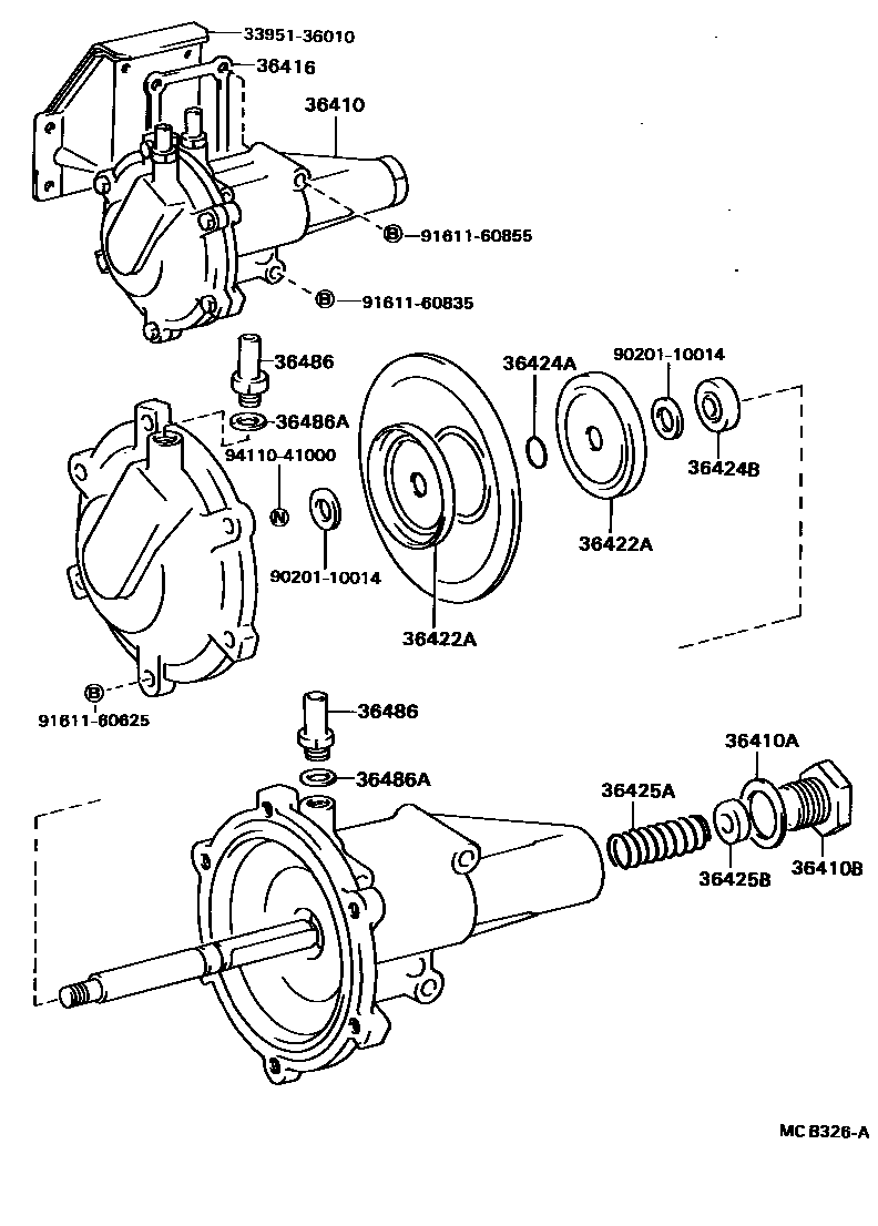
DIAPHRAGM CYLINDER & TRANSFER VACUUM ACTUATOR

36410CYLINDER ASSY, DIAPHRAGM
36410AGASKET (FOR DIAPHRAGM CYLINDER)
sub90430-24017
36410BPLUG, W/HEAD STRAIGHT SCREW
36416GASKET, DIAPHRAGM CYLINDER
36422APLATE, DIAPHRAGM
36424ARING, O (FOR DIAPHRAGM PUSH ROD)
36424BSEAL, TYPE T, OIL (FOR DIAPHRAGM PUSH ROD)
36425ASPRING, COMPRESSION (FOR DIAPHRAGM CYLINDER)
36425BSPACER (FOR DIAPHRAGM CYLINDER)
36486TUBE, SUCTION
36486AGASKET (FOR SUCTION TUBE)
3395136010BRACKET, DIAPHRAGM CYLINDER
main33951-36010
9020110014
main90201-10014
9161160625
main91611-60625
9161160835
main91611-60835
9161160855
main91611-60855
9411041000
main94110-41000
17 parts on this diagram · 1 diagram in section