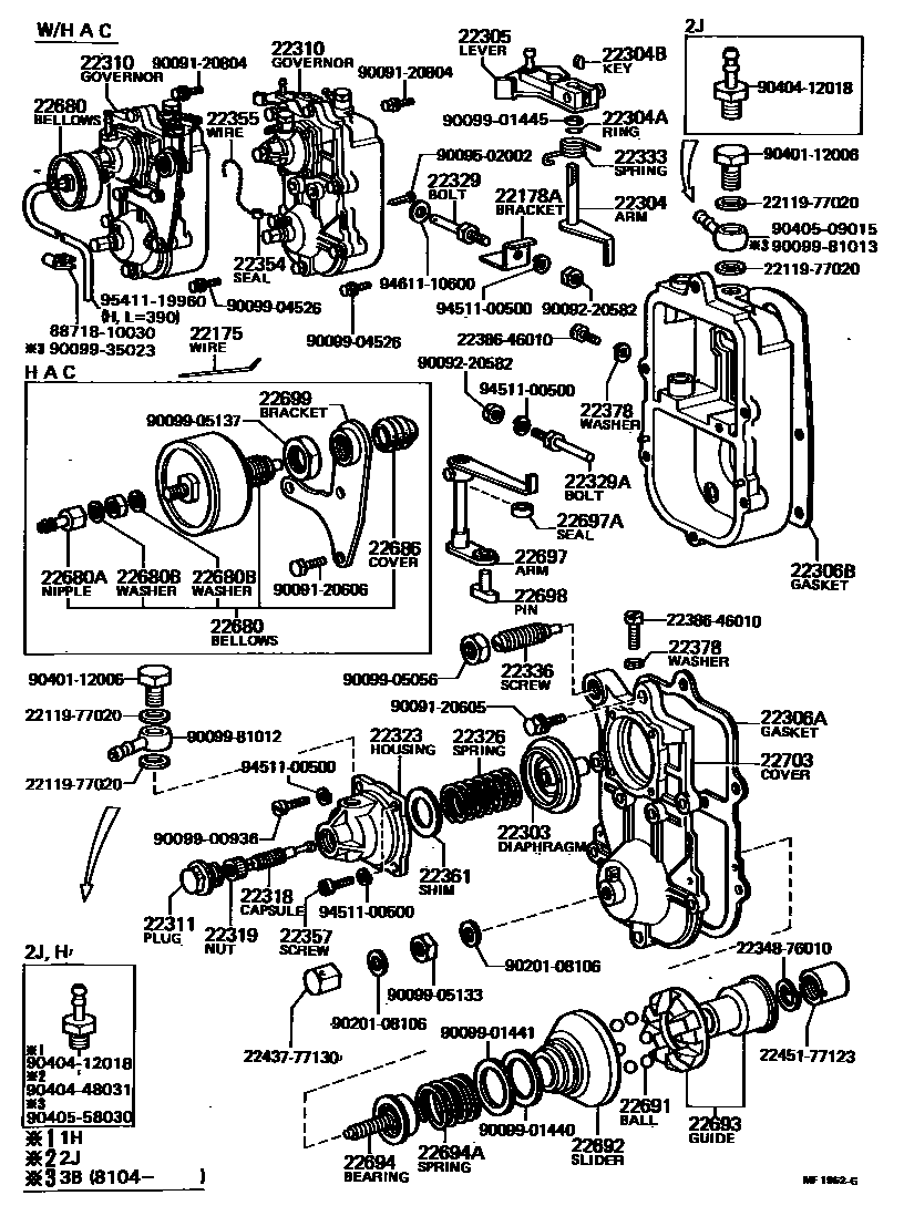
PNEUMATIC GOVERNOR

22175WIRE, OVER INJECTION
W/O EDIC
22178ABRACKET, DIAPHRAGM CONNECTING
22303DIAPHRAGM SUB-ASSY, GOVERNOR
22304BKEY(FOR NO.3 LEVER)
22305LEVER SUB-ASSY, INJECTION PUMP, NO.1
W/HAC
W/EDIC
W/EDIC & HAC
W/HAC
W/EDIC
W/HAC
W/HAC
W/EDIC & HAC
22306AGASKET(FOR GOVERNOR HOUSING)
22306BGASKET(FOR INJECTION PUMP HOUSING)
sub22442-58260
22310GOVERNOR ASSY, INJECTION PUMP
W/EDIC
W/EDIC & HAC
W/HAC
W/EDIC & HAC
W/HAC
W/EDIC
W/HAC
W/HAC
W/EDIC & HAC
W/EDIC
W/HAC
W/EDIC
W/EDIC & HAC
22311PLUG, DIAPHRAGM HOUSING SEALING SCREW
22318CAPSULE, IDLING
22319NUT, GOVERNOR IDLING SPRING SET
22323HOUSING, GOVERNOR DIAPHRAGM
22326SPRING, GOVERNOR MAIN
22329BOLT, DIAPHRAGM CONNECTING
22329ABOLT, DIAPHRAGM CONNECTING, NO.2
22333SPRING, DIAPHRAGM STOP LEVER RETURN
22336CAPSULE, FULL STOP
W/O HAC & EDIC
22354SEAL, LEAD
22355WIRE, GOVERNOR HOUSING SEAL
22361SHIM, MAIN SPRING
T=3.0,T=3.0
T=2.0,T=2.0
T=1.0,T=1.0
T=0.5,T=0.5
22680BELLOWS ASSY, PNEUMATIC
W/HAC
W/EDIC & HAC
W/HAC,EDIC & HAC
22680ANIPPLE SUB-ASSY, OVERFLOW(FOR PNEUMATIC BELLOWS)
W/HAC,EDIC & HAC
W/EDIC & HAC
22680BWASHER(FOR PNEUMATIC BELLOWS)
W/EDIC & HAC
W/HAC,EDIC & HAC
22686COVER, PNEUMATIC BELLOWS
W/HAC,EDIC & HAC
W/EDIC & HAC
22691BALL, SPEED CONTROL
22693GUIDE, BALL
22694BEARING SUB-ASSY
22694ASPRING, SPEED CONTROL
22697ASEAL, OIL(FOR NO.3 LEVER)
22699BRACKET SUB-ASSY, ADJUSTING
W/HAC
W/HAC
W/HAC
W/HAC,EDIC & HAC
EDIC & HAC
W/HAC
22703COVER, GOVERNOR
W/O HAC
W/HAC
2211977020WASHER, AIR BLEEDER NIPPLE
main22119-77020
2234876010BUSH, GEAR SHAFT
main22348-76010
2238646010SCREW(FOR INJECTION PUMP GOVERNOR)
main22386-46010
2243777130ARM, SPRING
main22437-77130
2245177123ADAPTER
main22451-77123
8871810030PIPE, COOLER REFRIGERANT SUCTION, NO.2
main88718-10030
9009120605
main90091-20605
9009120606
main90091-20606
9009120804
main90091-20804
9009220582
main90092-20582
9009502002
main90095-02002
9009900936
main90099-00936
9009901440
main90099-01440
9009901441
main90099-01441
9009901445
main90099-01445
9009904526
main90099-04526
9009905056
main90099-05056
9009905133
main90099-05133
9009905137
main90099-05137
9009935023
main90099-35023
9009981012
main90099-81012
9009981013
main90099-81013
9020108106
main90201-08106
9040112006
main90401-12006
9040412018
main90404-12018
9040448031
main90404-48031
9040509015
main90405-09015
9040558030
main90405-58030
9451100500
main94511-00500
9461110600
main94611-10600
9541119960
main95411-19960
69 parts on this diagram · 3 diagrams in section