HEATING & AIR CONDITIONING - COMPRESSOR

1605
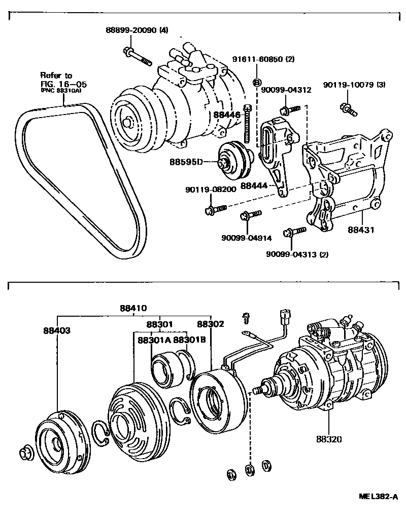
88301ROTOR SUB-ASSY, MAGNET CLUTCH
main88412-26030iBU60..T3..ST;BU65..GEN..CBU;BU88..LHD..CBU;BU60,83,88..RHD;BU61,70,84,87,94..GEN,GHD,SA;BU66,91,96..T3..TB..DSL..(ARL,GEN)198808-199703
88301ABEARING (FOR MAGNET CLUTCH)
88301BRING, SNAP (FOR MAGNET CLUTCH)
88302STATOR SUB-ASSY, MAGNET CLUTCH
CHINA SPEC
main88411-60020iBU91,96..GEN;BU60..T3..ST;BU60,65,83..RHD..(GEN,GHD);BU61,66,70,84,87,88,94..GEN,GHD,SA198808-199703
sub88411-95J00
88320COMPRESSOR ASSY, COOLER
main88320-36270iBU91..ARL;BU91..CBU;BU88,94..RHD;BU88..LHD..CBU;BU96..LHD..DSL;BU91..LHD..DSL..IV3198808-199703
sub88320-35H91
sub88320-35H92
88403HUB SUB-ASSY, MAGNET CLUTCH
main88403-16011iBU91,96..GEN;BU60..T3..ST;BU60,65,83..RHD..(GEN,GHD);BU61,66,70,84,87,88,94..GEN,GHD,SA198808-199703
88410CLUTCH ASSY, MAGNET
sub88410-36260
sub88410-36270
HONG KONG SPEC
main88410-36380iBU60..ST..IV3;BU61..WT..IV3;BU65,88..RHD..GEN..(CBU,IV3);BU60,83,84,91,96..RHD..GEN..IV3199309-199703
88431BRACKET, COMPRESSOR MOUNTING, NO.1
A/C=DEALER OPT
sub88431-36402
main88431-36402iBU91..TD;BU88..IV1;BU60..T3..ST;BU61..ST..IV3;BU83,84..GHD,SA;BU61,84..CBU,IV1;BU61,84..LHD..IV3;BU66,70,87,94,96..GEN,GHD;BU60,83,91..RHD..GEN..CBU198912-199703
A/C=DEALER OPT
A/C=DEALER OPT,HONG KONG SPEC
88444BRACKET, IDLE PULLEY
main88444-36110iBU60..T3..ST;BU66,96..ARL,GEN;BU61,70,84,87,94..GEN,GHD,SA;BU60,65,83,88,91..RHD..WT..(ARL,GEN,GHD)198808-198910
A/C=DEALER OPT
A/C=DEALER OPT,HONG KONG SPEC
88446BOLT, IDLE PULLEY
88595DPULLEY ASSY, IDLE
8889920090COVER, EVAPORATOR
main88899-20090
9009904312
main90099-04312
9009904313
main90099-04313
9009904914
main90099-04914
9011908200
main90119-08200
9011910079
main90119-10079
9161160850
main91611-60850
19 parts on this diagram · 1 diagram in section