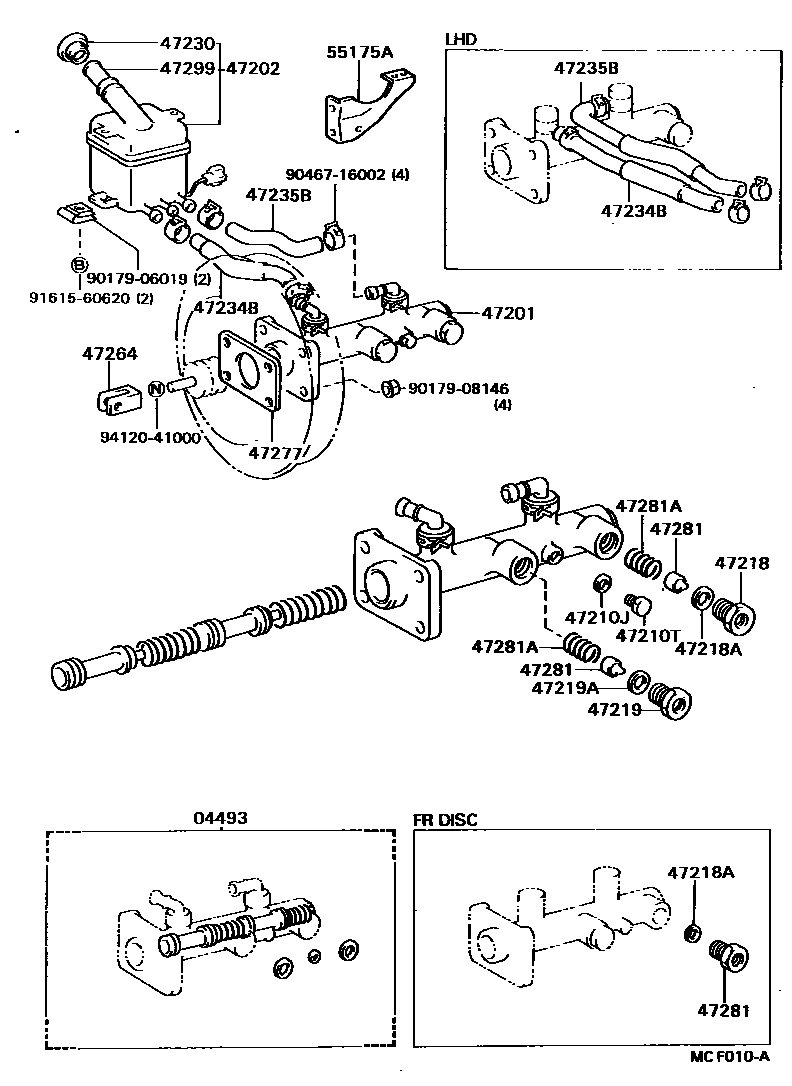
BRAKE MASTER CYLINDER

04493CYLINDER KIT, BRAKE MASTER
W(FR DISC BRAKE RR AUTO ADJUSTER)
main04493-36141iBU65..ARL;BU60,61,83,84..RHD..WT..(ARL,GEN);BU66,88..(T3,TW1)..TB..WT..(CBU,IV3)198808-199703
W(FR DISC BRAKE RR AUTO ADJUSTER)
47201CYLINDER SUB-ASSY, BRAKE MASTER
W(FR DISC BRAKE RR AUTO ADJUSTER)
W(FR DISC BRAKE RR AUTO ADJUSTER)
W(FR DISC BRAKE RR AUTO ADJUSTER)
47202RESERVOIR SUB-ASSY, BRAKE MASTER CYLINDER
47210JGASKET(FOR MASTER CYLINDER)
47210TBOLT(FOR BRAKE MASTER CYLINDER)
47218PLUG, MASTER CYLINDER FLUID OUTLET
W(FR DISC BRAKE RR AUTO ADJUSTER)
47218AGASKET(FOR FLUID OUTLET PLUG)
47219PLUG, MASTER CYLINDER FLUID OUTLET(FOR REAR SIDE)
47219AGASKET(FOR FLUID OUTLET PLUG REAR SIDE)
47230CAP ASSY, BRAKE MASTER CYLINDER RESERVOIR FILLER
47234BTUBE, RESERVOIR, NO.1
47235BTUBE, BRAKE MASTER CYRINDER RESERVOIR, NO.2
47264CLEVIS, MASTER CYLINDER PUSH ROD
TAIWAN SPEC
47277SPACER, MASTER CYLINDER
TAIWAN SPEC
47281VALVE, BRAKE MASTER CYLINDER OUTLET CHECK
W(FR DISC BRAKE RR AUTO ADJUSTER)
47281ASPRING COMPRESSION(FOR OUTLET CHECK VALVE)
W(FR DISC BRAKE RR AUTO ADJUSTER)
47299STRAINER, BRAKE MASTER CYLINDER RESERVOIR
55175ASUPPORT SUB-ASSY, BRAKE MASTER CYLINDER
TAIWAN SPEC
9017906019
main90179-06019
9017908146
main90179-08146
9046716002
main90467-16002
9161560620
main91615-60620
9412041000
main94120-41000
23 parts on this diagram · 1 diagram in section