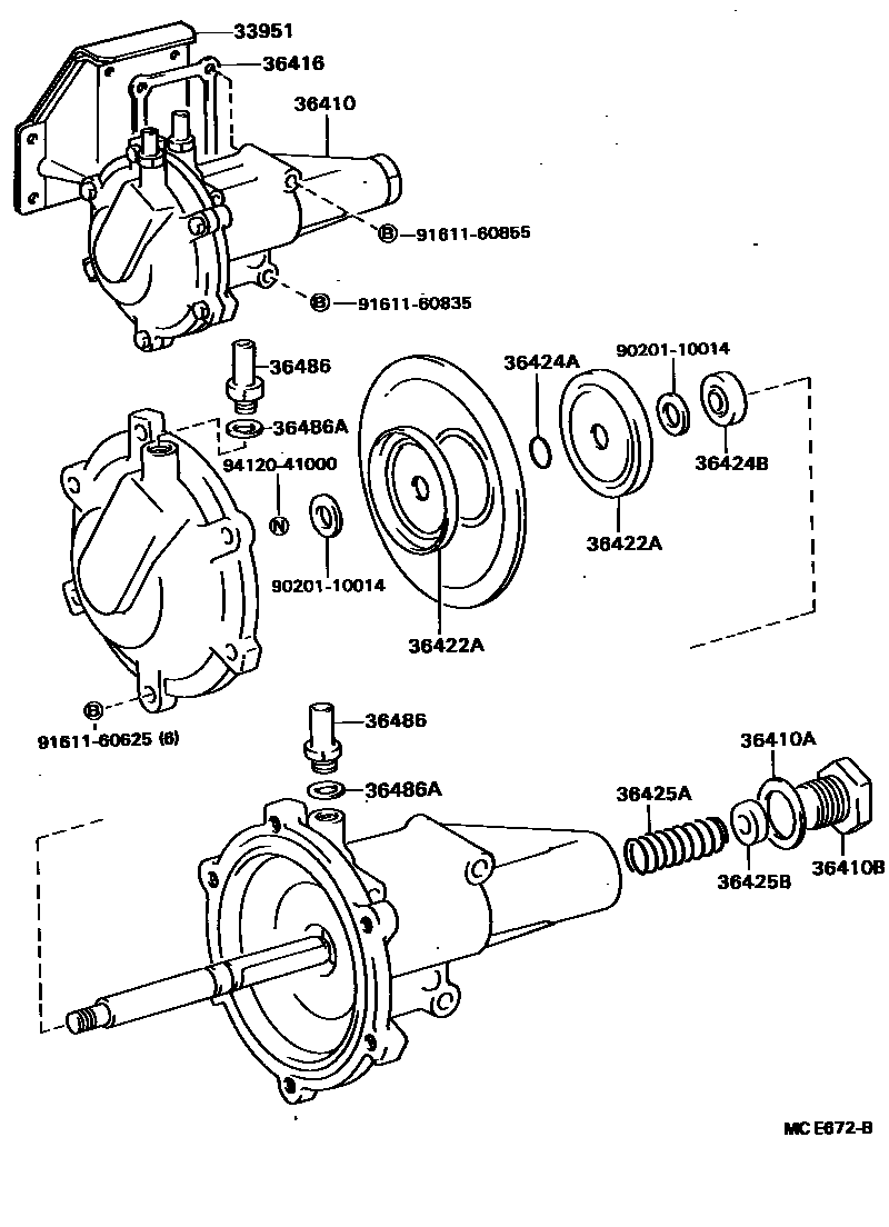
DIAPHRAGM CYLINDER & TRANSFER VACUUM ACTUATOR

33951BRACKET, DIAPHRAGM CYLINDER
36410CYLINDER ASSY, DIAPHRAGM
36410AGASKET (FOR DIAPHRAGM CYLINDER)
sub90430-24017
36410BPLUG, W/HEAD STRAIGHT SCREW
36416GASKET, DIAPHRAGM CYLINDER
36422APLATE, DIAPHRAGM
36424ARING, O (FOR DIAPHRAGM PUSH ROD)
36424BSEAL, TYPE T, OIL (FOR DIAPHRAGM PUSH ROD)
36425ASPRING, COMPRESSION (FOR DIAPHRAGM CYLINDER)
36425BSPACER (FOR DIAPHRAGM CYLINDER)
36486TUBE, SUCTION
36486AGASKET (FOR SUCTION TUBE)
9020110014
main90201-10014
9161160625
main91611-60625
9161160835
main91611-60835
9161160855
main91611-60855
9412041000
main94120-41000
17 parts on this diagram · 1 diagram in section