E
EPC Data

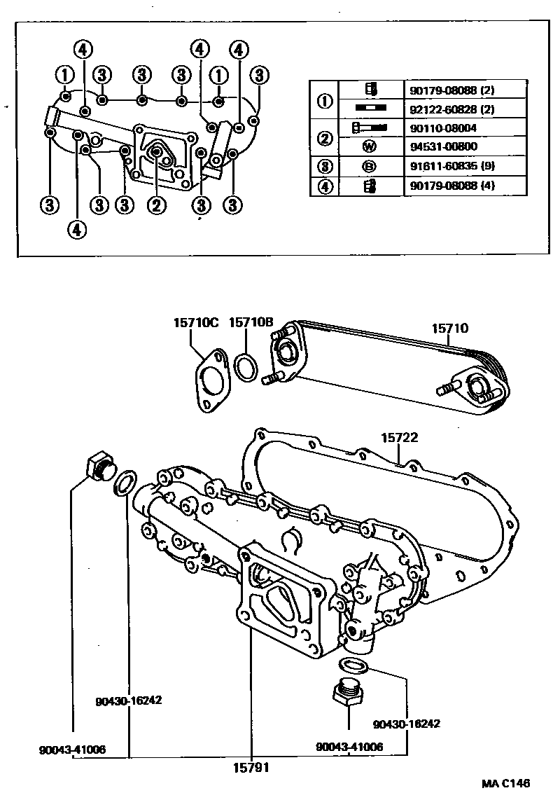
ENGINE OIL COOLER

Parts diagram
15710COOLER ASSY, OIL
main15710-56041i198708-198808
15710BRING, O(FOR OIL COOLER)
main90301-20001i198708-198808
15710CGASKET(FOR OIL COOLER)
main90923-05014i198708-198808
15722GASKET, OIL COOLER
main15725-56011i198708-198808
15791CASE, OIL COOLER
main15701-56011i198708-198808
9004341006
9011008004
9017908088
9043016242
9161160835
9212260828
9453100800

12 parts on this diagram · 1 diagram in section

ENGINE OIL COOLER — Toyota Parts Diagram with OEM Numbers & Prices | EPC Data