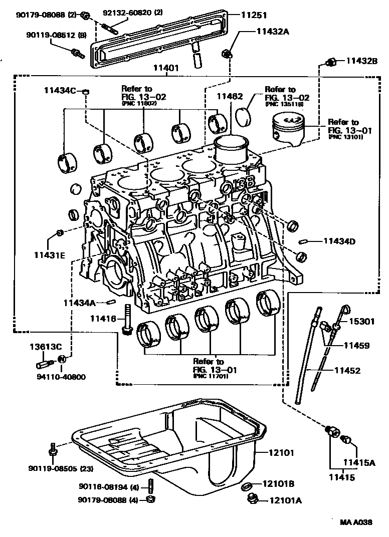
CYLINDER BLOCK

11251COVER, VALVE PUSH ROD
11401BLOCK SUB-ASSY, CYLINDER
11415COCK SUB-ASSY, WATER DRAIN(FOR CYLINDER BLOCK)
11415APLUG, WATER DRAIN COCK(FOR CYLINDER BLOCK)
11416BOLT(FOR CRANKSHAFT BEARING CAP SET)
11431APLUG, TIGHT, NO.1(FOR CYLINDER BLOCK)
11431BPLUG, TIGHT, NO.2(FOR CYLINDER BLOCK)
11431CPLUG, TIGHT, NO.3(FOR CYLINDER BLOCK)
11431DPLUG, TIGHT, NO.4(FOR CYLINDER BLOCK)
11431EPLUG, TIGHT, NO.5(FOR CYLINDER BLOCK)
11432APLUG, W/HEAD TAPER SCREW, NO.1
sub90345-51007
11432BPLUG, W/HEAD TAPER SCREW, NO.2
11434APIN, STRAIGHT(FOR TIMING GEAR COVER SET)
L=18,OD=8
11434CPIN, STRAIGHT (FOR CYLINDER HEAD SET)
L=7,OD=14.5
11434DPIN, STRAIGHT(FOR ENGINE REAR OIL SEAL)
L=18,OD=8
11452GUIDE, OIL LEVEL GAGE
11459SUPPORT, OIL LEVEL GAGE GUIDE
11462LINER, CYLINDER
12101PAN SUB-ASSY, OIL
12101APLUG(FOR OIL PAN DRAIN)
sub90033-41020
12101BGASKET(FOR OIL PAN DRAIN PLUG)
sub90430-18023
1301
1302
13613CNOZZLE, OIL
15301GAGE SUB-ASSY, OIL LEVEL
sub15301-56051
9011608194
main90116-08194
9011908505
main90119-08505
9011908512
main90119-08512
9017908088
main90179-08088
9213260820
main92132-60820
9411040800
main94110-40800
31 parts on this diagram · 1 diagram in section