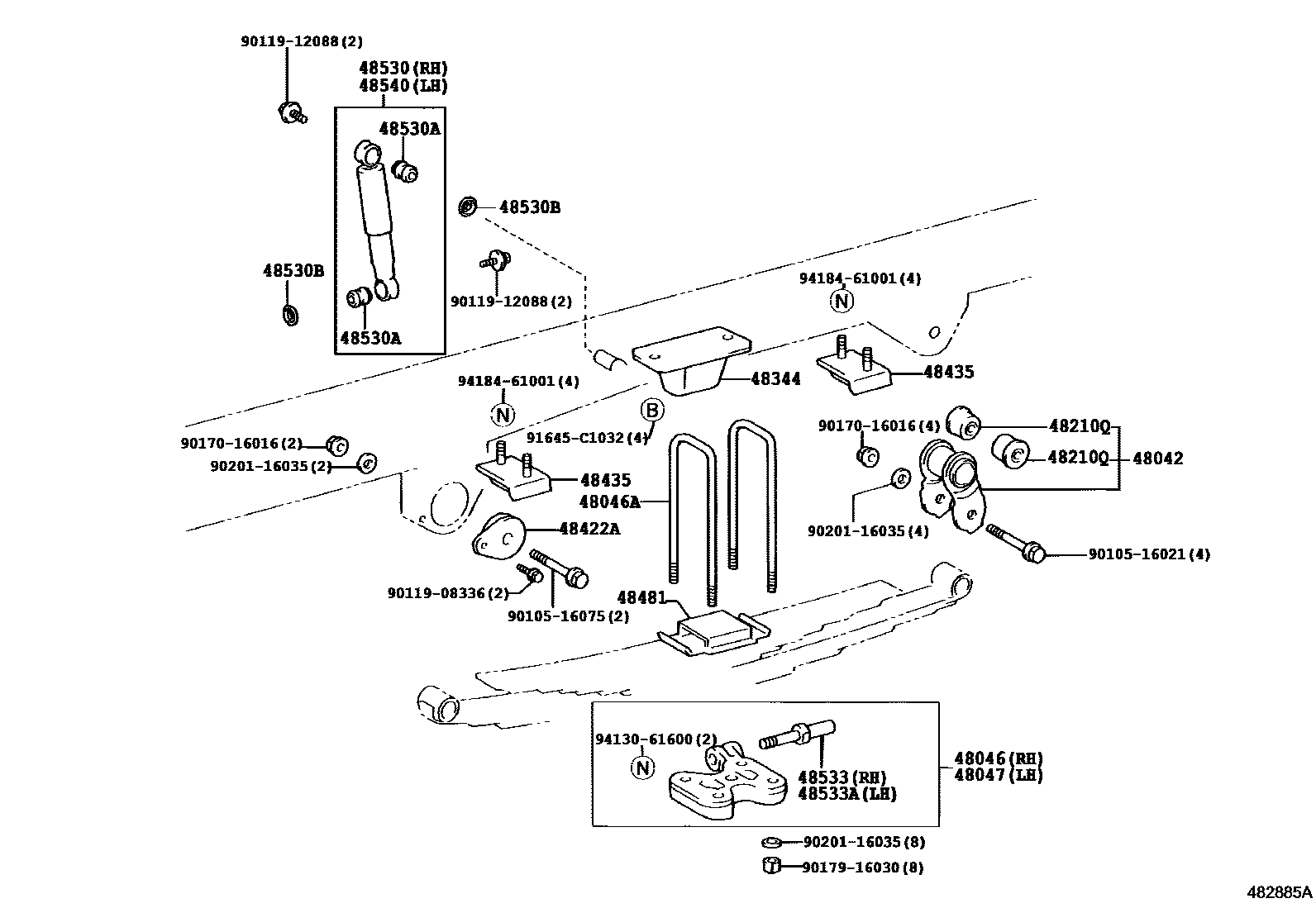
REAR SPRING & SHOCK ABSORBER

48046SEAT SUB-ASSY, SPRING U BOLT, RH
48046ABOLT, U(FOR REAR SPRING)
L=220
L=225
L=300
L=280
L=310
L=320
L=230
L=345
L=255
48047SEAT SUB-ASSY, SPRING U BOLT, LH
48210SPRING ASSY, REAR RH
MAIN 6+HELPER 5-LEAF
MAIN 7+HELPER 9-LEAF
48210QBUSH(FOR REAR SPRING SHACKLE)
48344STOPPER, BUMPER, REAR
48422ASUPPORT, REAR SPRING PIN
48435ATTACHMENT, HELPER SPRING BRACKET, NO.1
48530ABUSH(FOR REAR SHOCK ABSORBER)
48530BWASHER, REAR SHOCK ABSORBER CUSHION, NO.1
48533PIN, REAR SHOCK ABSORBER LOWER PIVOT, RH
48533APIN, REAR SHOCK ABSORBER LOWER PIVOT, LH
9010516021
main90105-16021
9010516075
main90105-16075
9011908336
main90119-08336
9011912088
main90119-12088
9017016016
main90170-16016
9017916030
main90179-16030
9020116035
main90201-16035
91645C1032
main91645-C1032
9413061600
main94130-61600
9418461001
main94184-61001
26 parts on this diagram · 12 diagrams in section