HEATING & AIR CONDITIONING - CONTROL & AIR DUCT
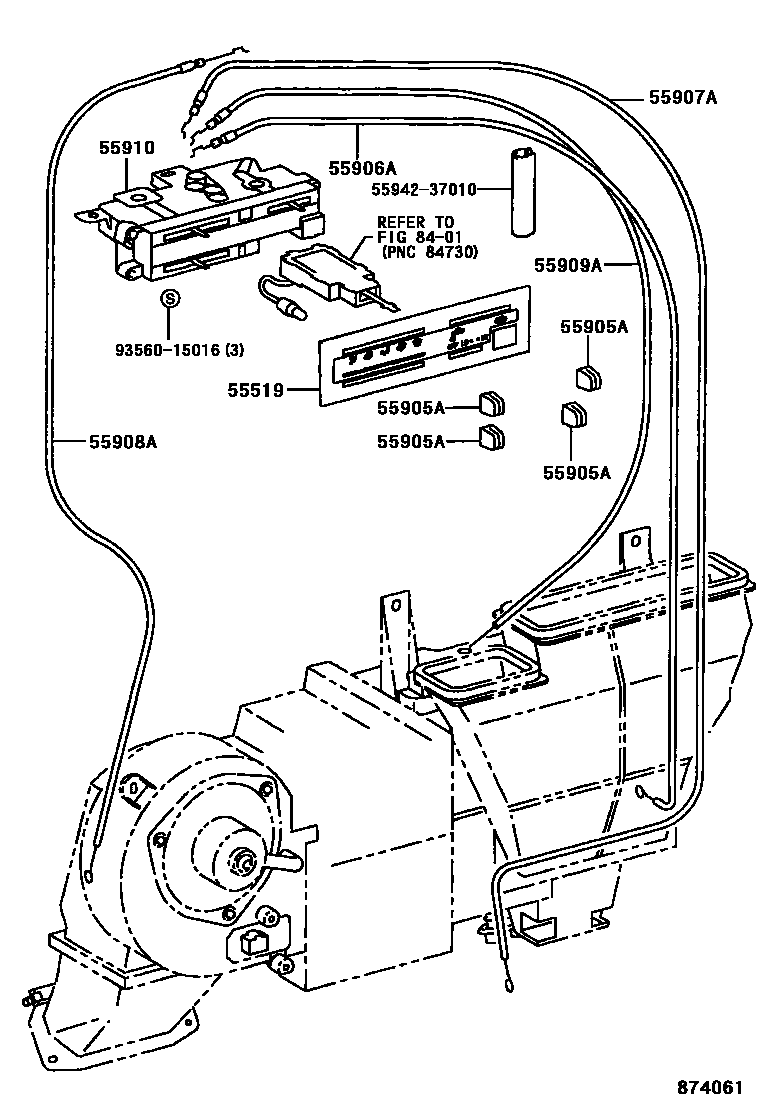
55519PLATE, HEATER CONTROL NAME
main55519-37010iBU222;BU212..TD..CBU;BU101,111,14#,211,212,221,YU210..RHD..(CBR,DSL)200112-200212 main55519-37020iBU101,111,140,141,211,221..RHD..GEN..(CBU,IV3)199505-200212 W(AIR CONDITIONER (MAKER OPTION))
main55519-37030iBU10#,111,112,14#,21#,22#,RZU100..LHD199505-200212 main55519-37040iBU101,111,140,141,211,221..RHD..GEN..(CBU,IV3)199505-200212 W/O(HEATER)
main55519-37050iBU212..LHD..40T..TD;BU100,101,111,14#,211,221..LHD..(DM1,T3,TW1,TW2)..GEN199505-200212 W/O(HEATER)
main55519-37060iBU212..LHD..40T..TD;BU100,101,111,140,141,211,221..LHD..(DM1,T3,TW1,TW2)199505-200212 W(AIR CONDITIONER (MAKER OPTION))
55905AKNOB, HEATER CONTROL
main55905-89115iBU212;BU142,222..20T,25T,40T;BU10#,11#,140,141,211,213,221,223,RZU100,YU210..CBR,DSL,EFI,TDEFI199505 55906ACABLE SUB-ASSY, DEFROSTER DAMPER CONTROL
main55906-37020iBU222;BU212..TD..CBU;BU101,111,14#,211,212,221,YU210..RHD..(CBR,DSL)200112-200212 main55906-37030iBU10#,111,112,14#,RZU100..LHD199505-200212 55907ACABLE SUB-ASSY, WATER VALVE CONTROL
main55907-37020iBU212,222..RHD;BU100,101,110,111,14#,211,221,RZU100,YU210..RHD..(CBR,DSL,EFI)199505-200008 main55907-37030iBU10#,111,112,14#,RZU100..LHD199505-200212 55908ACABLE SUB-ASSY, AIR INLET DAMPER CONTROL
main55908-37010iBU142..20T,25T;BU10#,11#,140,141,RZU100..DSL,EFI199505-200212 55909ACABLE SUB-ASSY, AIRMIX DAMPER CONTROL
main55909-37010iBU222;BU212..TD..CBU;BU101,111,14#,211,212,221,YU210..RHD..(CBR,DSL)200112-200212 main55909-37020iBU10#,111,112,14#,RZU100..LHD199505-200212 55910CONTROL ASSY, HEATER OR BOOST VENTILATOR
main55910-37020iBU212,222..RHD;BU101,111,14#,211,221,RZU100,YU210..RHD..(CBR,DSL,EFI)200008-200112 main55910-37030iBU101,111,140,141,211,221..RHD..GEN..(CBU,IV3)199505-200212 W(BOOSTVENTILATOR)
main55910-37040iBU10#,111,112,14#,21#,22#,RZU100..LHD199505-200212 main55910-37050iBU212..LHD..40T..TD;BU100,101,111,14#,211,221..LHD..(DM1,T3,TW1,TW2)..GEN199505-200212 W(BOOST VENTILATOR)
5594237010GUARD, HEATER CONTROL
10 parts on this diagram · 4 diagrams in section
HEATING & AIR CONDITIONING - CONTROL & AIR DUCT — Toyota Parts Diagram with OEM Numbers & Prices | EPC Data