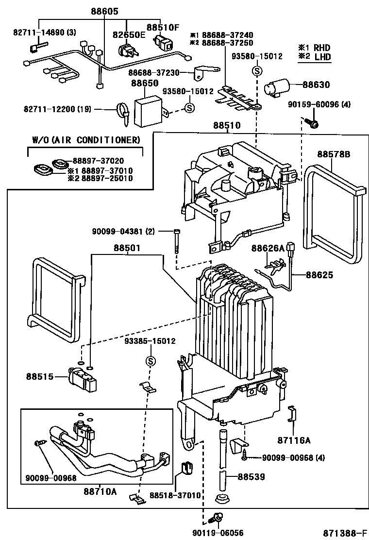
HEATING & AIR CONDITIONING - COOLER UNIT

82650EBREAKER ASSY, WIRING CIRCUIT
14A
87116ASPRING, HOLDING (FOR COOLER UNIT CASE)
main87116-14010×3iBU212,222,RZU100..(ARL,GEN,TAIW)..IV3;BU10#,11#,14#,211,213,221,223..(DM1,DM7,T1,T2,T3,T4,TW1,TW2)..(DSL,TDEFI)..(ARL,EUR,GEN,TAIW)..(CBU,IV3)199505-200110
88501EVAPORATOR SUB-ASSY, COOLER, NO.1
main88501-37050iBU222..LHD..(GEN,TAIW);BU10#,111,112,140,141,21#,221,223,RZU100..LHD..(DM1,DM7,T2,T3,T4,TW1,TW2)199505
MAKER OPTION
88510UNIT ASSY, COOLER
main88510-25060iBU212,222..RHD..(ARL,GEN)..IV3;BU101,111,14#,211,221,RZU100..RHD..(DSL,EFI)..(ARL,GEN)..(CBU,IV3)199905-200110
main88510-37050iBU212..RHD..IV3;BU100,101,110,111,14#,211,22#,RZU100..RHD..(ARL,GEN)..(CBU,IV3)199505-199905
MAKER OPTION
main88510-37060iBU222..LHD..(GEN,TAIW);BU10#,111,112,140,141,211,212,221..LHD..(DM1,DM7,T2,T3,T4,TW1,TW2)199505
main88510-37061iBU212..LHD..40T..TD;BU100,101,111,140,141,211,212,221..LHD..(DM1,T3,TW1,TW2)..DSL199712
MAKER OPTION
88510FHOLDER, FUSE
88515VALVE, COOLER EXPANSION
main88515-20100iBU212,222,RZU100..(ARL,GEN,TAIW)..IV3;BU10#,11#,14#,211,213,221,223..(DM1,DM7,T1,T2,T3,T4,TW1,TW2)..(DSL,TDEFI)..(ARL,EUR,GEN,TAIW)..(CBU,IV3)199505-200110
sub88515-22240
88539HOSE, COOLER UNIT DRAIN, NO.1
main88539-26150iBU212..ARL;BU100,101,110,111,14#,211,22#..RHD..DSL..(ARL,GEN)..(CBU,IV3)199505-199905
88578BPACKING, COOLING UNIT, NO.1
main88578-20470iBU212,222,RZU100..(ARL,GEN,TAIW)..IV3;BU10#,11#,14#,211,213,221,223..(DM1,DM7,T1,T2,T3,T4,TW1,TW2)..(DSL,TDEFI)..(ARL,EUR,GEN,TAIW)..(CBU,IV3)199505-200110
88605HARNESS SUB-ASSY, COOLER WIRING, NO.1
W(BOOST VENTILATOR)
HONG KONG SPEC
W(BOOST VENTILATOR)
W(BOOST VENTILATOR)
W(BOOST VENTILATOR)
88625THERMISTOR, COOLER, NO.1
main88625-3A020iBU212..ARL;BU212..LHD;BU101,111,14#,211,213,22#,RZU100..(DM1,T1,T2,T3,T4,TW1,TW2)..(DSL,EFI,TDEFI)..(ARL,GEN)..(CBU,IV3)200110
sub88625-3A090
88626AHOLDER, THERMISTOR
main88626-28010iBU212,222,RZU100..(ARL,GEN,TAIW)..IV3;BU10#,11#,14#,211,213,221,223..(DM1,DM7,T1,T2,T3,T4,TW1,TW2)..(DSL,TDEFI)..(ARL,EUR,GEN,TAIW)..(CBU,IV3)199505-200110
88630RELAY ASSY, COOLER
KENYA SPEC
ALGERIA SPEC & W(MAKER OPTION AIR CONDITIONER)
main88630-95702×3iRZU100;BU212..ARL;BU100,101,111,14#,211,221,222..RHD..DSL..(ARL,GEN)..(CBU,IV3)199905-200010
88650AMPLIFIER ASSY, COOLER STABILIZER
main88650-37010iBU212..LHD..40T..TD;BU100,101,111,140,141,211,221..(DM1,T1,T3,TW1,TW2)..(EUR,GEN)..(CBU,IV3)199505
main88650-37020iBU211..40T..GEN..IV3;BU211..LHD..40T..CBU;BU100,111..(DM1,T3)..WT..GEN;BU101,221..RHD..WT..GEN..IV3;BU100,140,141,211..LHD..(T3,TW2)..(175T,25T,30T)..GEN199505-199703
MAKER OPTION;CHINA SPEC OR HONG KONG SPEC
RUSSIA SPEC & DEALER OPTION
88710ATUBE ASSY, AIR CONDITIONER
MAKER OPTION
main88710-37200iBU101..LHD..WT;BU101..20T..GEN..TB;BU212..LHD..40T..TD;BU100,111,140,141,211,221..LHD..(DM1,T3,TW1,TW2)199708
MAKER OPTION
8271112200WIRE, FUSE TO FUSE(FOR COMBUSTION HEATER)
main82711-12200
8271114890WIRE, FUSE TO FUSE(FOR COMBUSTION HEATER)
main82711-14890
8851837010HOLDER, COOLING UNIT DOOR
main88518-37010
8868837230BRACKET, COOLER DIAPHRAGM
main88688-37230
8868837240BRACKET, COOLER DIAPHRAGM
main88688-37240
8868837250BRACKET, COOLER DIAPHRAGM
main88688-37250
8889725010VALVE, COOLER MAGNET
main88897-25010
8889737010VALVE, COOLER MAGNET
main88897-37010
8889737020VALVE, COOLER MAGNET
main88897-37020
9009900968
main90099-00968
9009904381
main90099-04381
9011906056
main90119-06056
9015960096
main90159-60096
9338515012
main93385-15012
9358015012
main93580-15012
29 parts on this diagram · 2 diagrams in section