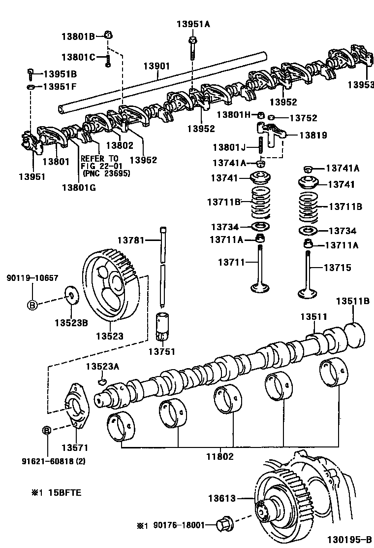
11802BEARING SET, CAMSHAFT
main11802-56030i14B,15B#,3B..BU10#,11#,14#,21#,22#199505-199905 STD
main11802-56031i14B,15B#,3B..BU10#,11#,14#,21#,22#199905-200008 STD
13511CAMSHAFT
main13511-56070i14B..BU101,102,111,112,141,211,212,221,222199505-200008 main13511-58020i15BF,15BFT..BU102,112,142,212,222199505 13511BPLUG, EXPANSION(FOR CAMSHAFT)
main90331-58001i14B,15B#,3B..BU10#,11#,14#,21#,22#199505-200008 13523GEAR OR SPROCKET, CAMSHAFT TIMING
main13523-58010i14B,15BF,15BFT..BU10#,111,14#,211,212,221,222199505-200008 13523AKEY, WOODRUFF(FOR TIMING GEAR)
main95161-30519i14B,15B#,3B..BU10#,11#,14#,21#,22#199505-200008 13523BWASHER, PLATE(FOR TIMING GEAR)
main90201-10227i14B,15B#..BU10#,111,14#,21#,22#199505-200008 13571PLATE, CAMSHAFT THRUST
main13571-56030i14B,15B#,3B..BU10#,11#,14#,21#,22#199505-200008 13613GEAR, INJECTION PUMP DRIVE
main22407-58010i15BFT..BU222..SA;15BFT..BU212..LHD;14B,15BF..BU101,111,14#,211,212,221,222199505-200008 13711VALVE, INTAKE
main13711-58021i14B..BU101,111,141,211,221199505-200008 main13711-58030i15B#..BU102,112,142,212,213,222,223199505 13711ASEAL OR RING, O(FOR VALVE STEM OIL)
main90913-02076i14B,3B..BU10#,11#,140,141,211,212,221,222199505-200008 main90913-02096i15B#..BU102,112,142,212,213,222,223199903 main90913-02108i15B#..BU102,112,142,212,222199505-199903 13711BSPRING, COMPRESSION(FOR INNER)
main90501-33012i14B,3B..BU10#,11#,140,141,211,212,221,222199505-200008 main90501-35027i15B#..BU102,112,142,212,213,222,223199505 13715VALVE, EXHAUST
main13715-58041i14B..BU101,111,141,211,221199505-200008 main13715-58070i15B#..BU102,112,142,212,213,222,223199505 13734SEAT, VALVE SPRING
main13734-56010i14B,3B..BU10#,11#,140,141,211,212,221,222199505-200008 main13734-62020i15B#..BU102,112,142,212,213,222,223199505 13741RETAINER, VALVE SPRING
main13741-17010i15B#..BU102,112,142,212,213,222,223199505 main13741-56040i14B..BU101,111,141,211,221199505-200008 13741ALOCK, VALVE SPRING RETAINER
main90913-03024i14B..BU101,111,141,211,221199505-200008 main90913-03027i15B#..BU102,112,142,212,213,222,223199505 13751LIFTER, VALVE
main13750-58010i14B,15B#,3B..BU10#,11#,14#,21#,22#199505-199709 main13750-58011i14B,15B#..BU10#,111,14#,21#,22#199709-200008 13752PAD, VALVE LIFTER
main13752-58010i15B#..BU102,112,142,212,213,222,223199505 13781ROD, VALVE PUSH
main13781-56020i14B..BU101,111,141,211,221199505-200008 main13781-58010i15B#..BU102,112,142,212,213,222,223199505 13801ARM SUB-ASSY, VALVE ROCKER, NO.1
main13811-58010i15B#..BU102,112,142,212,213,222,223199505 main13811-58030i14B..BU101,111,141,211,221199505-200008 13801BNUT, HEXAGON(FOR VALVE ADJUSTING)
main90179-08248i14B,15B#,3B..BU10#,11#,14#,21#,22#199505-200008 13801CSCREW, VALVE ADJUSTING
main90913-05025i14B,15B#,3B..BU10#,11#,14#,21#,22#199505-200008 13801GWASHER, PLATE(FOR VALVE ROCKER ARM)
main90201-19009i14B,3B..BU10#,11#,140,141,211,212,221,222199505-200008 main90206-19002i15B#..BU102,112,142,212,213,222,223199505 13801HNUT
main90179-08248i15B#..BU102,112,142,212,213,222,223199505 13801JSCREW, VALVE ADJUSTING
main90913-05024i15B#..BU102,112,142,212,213,222,223199505 13802ARM SUB-ASSY, VALVE ROCKER, NO.2
main13811-58030i14B..BU101,102,111,112,141,211,212,221,222199505-200008 main13812-58010i15B#..BU102,112,142,212,213,222,223199505 13819BRIDGE, VALVE
main13819-58010i15B#..BU102,112,142,212,213,222,223199505 13901SHAFT SUB-ASSY, VALVE ROCKER, NO.1
main13901-56030i14B,15B#,3B..BU10#,11#,14#,21#,22#199505-200008 13951SUPPORT, VALVE ROCKER, NO.1
main13951-56040i14B..BU101,102,111,112,141,211,212,221,222199505-200008 main13951-58010i15B#..BU102,112,142,212,213,222,223199505 13951ABOLT(FOR ROCKER SUPPORT SET)
main90105-08165i15B#..BU102,112,142,212,213,222,223199505 main90105-08165i14B,3B..BU10#,11#,140,141,211,212,221,222199505-200008 *8-1.25PX53-30
main90105-08177i14B..BU101,111,141,211,221199505-200008 *8-1.25PX63-30
13951BSCREW OR BOLT(FOR VALVE ROCKER SHAFT LOCK)
main13958-56010i14B,15B#..BU10#,111,14#,21#,22#199505-200008 13951FWASHER, PLATE(FOR VALVE ROCKER SUPPORT)
main90201-06350i14B,15B#,3B..BU10#,11#,14#,21#,22#199505-200008 13952SUPPORT, VALVE ROCKER, NO.2
main13952-56040i14B..BU101,102,111,112,141,211,212,221,222199505-200008 main13952-58010i15B#..BU102,112,142,212,213,222,223199505 13953SUPPORT, VALVE ROCKER, NO.3
main13953-56040i14B..BU101,102,111,112,141,211,212,221,222199505-200008 main13953-58010i15B#..BU102,112,142,212,213,222,223199505