E
EPC Data

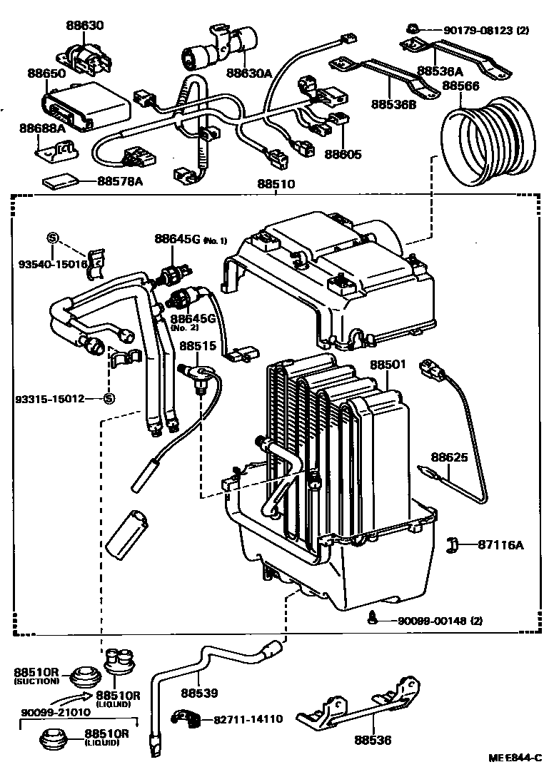
HEATING & AIR CONDITIONING - COOLER UNIT

Parts diagram
87116ASPRING, HOLDING (FOR COOLER UNIT CASE)
main87116-14010i198409-198708
88501EVAPORATOR SUB-ASSY, COOLER, NO.1
main88501-95401i198409-198603
main88501-95402i198409-198603
main88501-95403i198603-198708
main88501-95404i198603-198708
88510UNIT ASSY, COOLER
main88510-95401i198409-198708
main88510-95402i198409-198708
88510RGROMMET (FOR COOLER UNIT)
main90099-21010i198409-198708
LIQUID PIPE
main90099-21010i198409-198708
LIQUID PIPE,W/*BV
main90099-32098i198409-198708
LIQUID PIPE,W/HEATER
main90480-36003i198409-198703
SUCTION PIPE
main90480-36010i198703-198708
SUCTION PIPE
88515VALVE, COOLER EXPANSION
main88515-16030i198409-198708
main88515-16031i198604-198708
88536BRACKET, COOLING UNIT, NO.1
main88536-95403i198409-198708
88536ABRACKET, COOLING UNIT, NO.2
main88536-95404i198409-198708
main88536-95408i198409-198708
88536BBRACKET, COOLING UNIT, NO.3
main88536-95405i198409-198708
main88536-95406i198409-198708
main88536-95407i198409-198708
main88536-95409i198409-198708
88539HOSE, COOLER UNIT DRAIN, NO.1
main88539-95405i198409-198703
main88539-95406i198409-198703
main88539-95407i198409-198703
main88539-95408i198409-198703
main88539-95409i198703-198708
main88539-95410i198703-198708
main88539-95411i198703-198708
main88539-95412i198703-198708
88566DUCT, COOLER AIR, NO.1
main88566-95407i198409-198708
main88566-95408i198409-198708
88578APACKING, COOLER STABILIZER AMPLIFIER
main88578-95400i198409-198708
88605HARNESS SUB-ASSY, COOLER WIRING, NO.1
main88605-95405i198409-198708
main88605-95406i198409-198708
88625THERMISTOR, COOLER, NO.1
main88625-95A00i198409-198708
88630RELAY ASSY, COOLER
main88630-60020i198409-198708
main88630-95400i198411-198708
CHINA SPEC(24V)
88630ARELAY ASSY, COOLER
main88630-95401i198409-198708
main88630-95403i198409-198708
main88630-95405i198411-198708
CHINA SPEC(24V)
88645GSWITCH, PRESSURE
main88645-17010i198409-198708
NO.2
main88645-95J00i198409-198708
NO.1
88650AMPLIFIER ASSY, COOLER STABILIZER
main88650-14030i198409-198708
main88650-95A00i198411-198708
CHINA SPEC(24V)
88688ABRACKET, COOLER STABILIZER AMPLIFIER
main88688-95425i198409-198708
8271114110WIRE, FUSE TO FUSE(FOR COMBUSTION HEATER)
9009900148
9009921010
9017908123
9331515012
9354015016

24 parts on this diagram · 1 diagram in section

HEATING & AIR CONDITIONING - COOLER UNIT — Toyota Parts Diagram with OEM Numbers & Prices | EPC Data