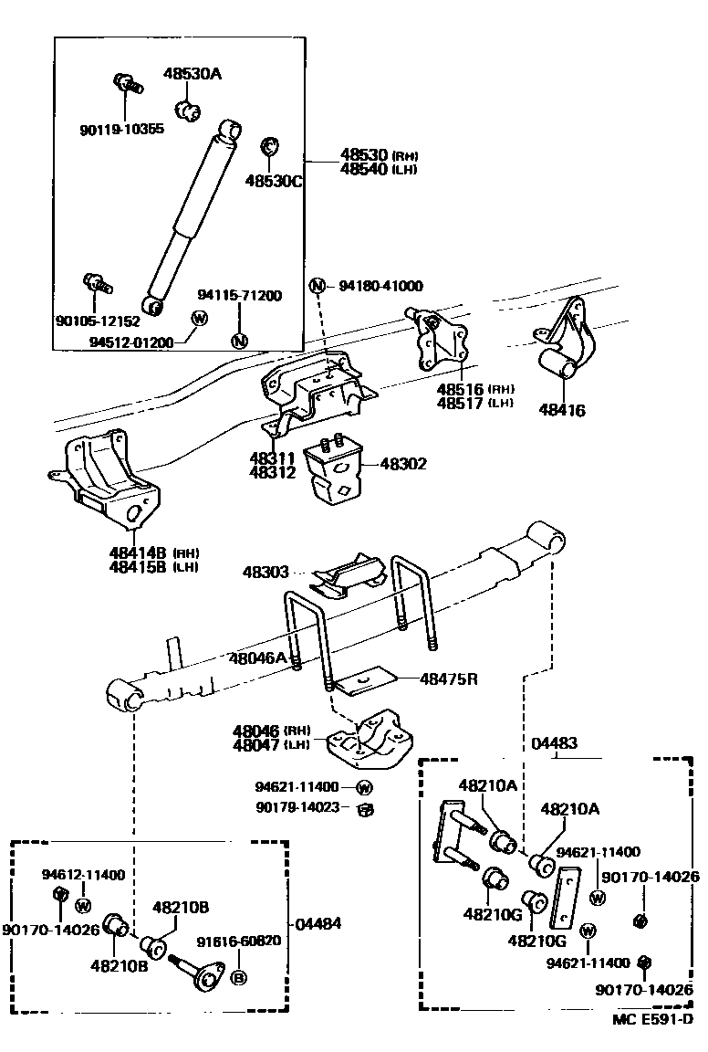
REAR SPRING & SHOCK ABSORBER

04483SHACKLE KIT, REAR SPRING
04484PIN KIT, REAR SPRING
sub04482-25020
48046ABOLT, U(FOR REAR SPRING)
L=170
L=180
48210SPRING ASSY, REAR RH
4-LEAF
6-LEAF
4-LEAF
4-LEAF
4-LEAF
48210ABUSH(FOR REAR SPRING SHACKLE UPPER)
48210BBUSH(FOR REAR SPRING PIN)
48210GBUSH(FOR REAR SPRING SHACKLE LOWER)
48302SPRING SUB-ASSY, HOLLOW
48303SEAT SUB-ASSY, HOLLOW SPRING
48311BRACKET, HOLLOW SPRING
48312BRACKET, HOLLOW SPRING, NO.2
48414BBRACKET, SPRING, NO.3 RH
48415BBRACKET, SPRING, NO.3 LH
48416BRACKET, SPRING, NO.4
RH
LH
48475RPLATE, DISTANCE(FOR REAR)
48516BRACKET, REAR SHOCK ABSORBER, UPPER RH
48517BRACKET, REAR SHOCK ABSORBER, UPPER LH
48530ABSORBER ASSY, SHOCK, REAR RH
48530ABUSH(FOR REAR SHOCK ABSORBER)
48530CWASHER, REAR SHOCK ABSORBER CUSHION, NO.2
48540ABSORBER ASSY, SHOCK, REAR LH
9010512152
main90105-12152
9011910355
main90119-10355
9017014026
main90170-14026
9017914023
main90179-14023
9161660820
main91616-60820
9411571200
main94115-71200
9418041000
main94180-41000
9451201200
main94512-01200
9461211400
main94612-11400
9462111400
main94621-11400
33 parts on this diagram · 4 diagrams in section