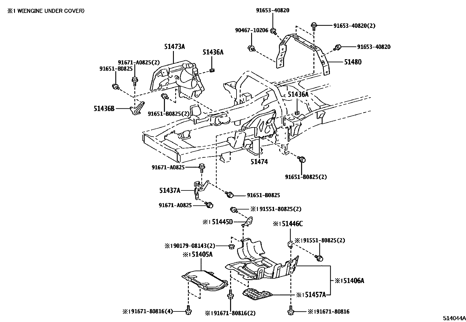
SUSPENSION CROSSMEMBER & UNDER COVER

51405ACOVER SUB-ASSY, ENGINE UNDER, NO.1
51406ACOVER SUB-ASSY, ENGINE UNDER, NO.2
sub51406-25091
51436ABRACKET, ENGINE SIDE COVER
51436BBRACKET, ENGINE SIDE COVER, NO.1 RH
51437ABRACKET, ENGINE SIDE COVER, NO.1 LH
51445DBRACKET, ENGINE UNDER COVER, RH
51446CBRACKET, ENGINE UNDER COVER, LH
51457ABRACKET, ENGINE UNDER COVER, NO.3
51473ACOVER SUB-ASSY, ENGINE SIDE, RH
51474COVER SUB-ASSY, ENGINE SIDE, LH
51480SHUTTER ASSY, ENGINE REAR SIDE, RH
9017908143
main90179-08143
9046710206
main90467-10206
9155180825
main91551-80825
91651B0825
main91651-B0825
9165340820
main91653-40820
9167180816
main91671-80816
91671A0825
main91671-A0825
18 parts on this diagram · 1 diagram in section