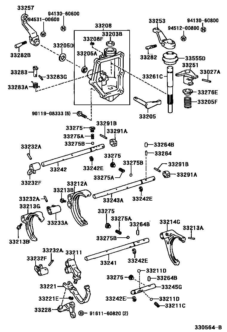
GEAR SHIFT FORK & LEVER SHAFT (MTM)

33027APIN, SLOTTED SPRING(FOR SHIFT LEVER SHAFT SET)
33203BSEAL, OIL(FOR SHIFT LEVER SHAFT)
33205SHAFT SUB-ASSY, SELECT LEVER
33205ASEAL, OIL(FOR SHIFT LEVER NO.2 SHAFT)
33205DWASHER(FOR OUTER LEVER OIL SETTING)
33205FSPRING, COMPRESSION(FOR SELECT RETURN)
33208HOUSING SUB-ASSY, SHIFT LEVER SHAFT
33208FPLUG, TIGHT(FOR SHIFT LEVER SHAFT HOUSING)
33211FORK, REVERSE SHIFT
33211CSPRING, COMPRESSION(FOR REVERSE SHIFT FORK RETURN)
33211DBALL(FOR REVERSE SHIFT FORK)
OD=9.52,STEEL
33212AFORK, GEAR SHIFT, NO.1
33213APIN, SLOTTED SPRING(FOR SHIFT FORK SET)
33213BBOLT(FOR SHIFT FORK SET)
33213GFORK, GEAR SHIFT, NO.2
sub33213-25021
33214GFORK, GEAR SHIFT, NO.3
sub33230-26011
33221ARM, REVERSE SHIFT
33221ERING(FOR REVERSE SHIFT ARM END SHAFT)
33228BRACKET, REVERSE SHIFT ARM
33232APIN, SLOTTED SPRING (FOR SHIFT HEAD SET)
33232FHEAD, GEAR SHIFT, NO.1
33233AHEAD, GEAR SHIFT, NO.2
33241SHAFT, REVERSE SHIFT FORK
sub33244-26021
33242SHAFT, GEAR SHIFT FORK, NO.1
sub33242-25040
33242ERING, SHAFT SNAP (FOR SHIFT FORK SHAFT)
33243ASHAFT, GEAR SHIFT FORK, NO.2
33245GSHAFT, GEAR SHIFT FORK, NO.4
33251LEVER, SHIFT & SELECT
33253LEVER, SHIFT OUTER, NO.1
33257LEVER, SELECT OUTER
33261CSHAFT, SHIFT & SELECT LEVER
sub33261-35111
33264PIN, OR BALL, SHIFT INTERLOCK, NO.1
L=11.5,OD=4.8
33264BROLLER, NO.1 (FOR SHIFT INTERLOCK )
L=13.6,OD=9.5
33275SEAT, SHIFT DETENT BALL SPRING, NO.1
OD=17
33275ASPRING, COMPRESSION (FOR SHIFT DETENT BALL LOW SIDE)
L=33.8
33275BBALL, SHAFT DETENT
33276ESEAT, SELECT SPRING, NO.1
33282PIN, LEVER LOCK, NO.2
33282BPIN, LEVER LOCK (FOR SELECT OUTER LEVER)
33283PIN, REVERSE RESTRICT, NO.1
33283ASPRING, COMPRESSION (FOR REVERSE RESTRICT PIN)
33283GPIN, SLOTTED SPRING (FOR REVERSE RESTRICT PIN)
33291ASTOPPER, SHIFT FORK SHAFT
33291BPIN, SLOTTED SPRING (FOR SHIFT FORK SHAFT STOPPER)
33555DBOOT, SHIFT LEVER
9011908333
main90119-08333
9161160820
main91611-60820
9413060600
main94130-60600
9413060800
main94130-60800
9451200800
main94512-00800
9453100600
main94531-00600
51 parts on this diagram · 1 diagram in section