E
EPC Data

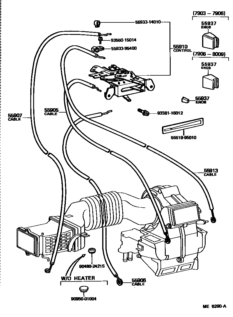
HEATING & AIR CONDITIONING - CONTROL & AIR DUCT

Parts diagram
55905CABLE SUB-ASSY, DEFROST CONTROL
main55906-95012i197903-198507
main55906-95013i197903-198507
55906CABLE SUB-ASSY, HEATER CONTROL
main55907-95010i197903-198507
55907CABLE SUB-ASSY, HEATER AIR INLET BUTTERFLY
main55908-95010i197903-198507
55910CONTROL ASSY, HEATER OR BOOST VENTILATOR
main55910-95011i197903-197906
main55910-95012i197903-197906
main55910-95013i197906-198507
main55910-95014i197906-198507
55913CABLE SUB-ASSY, BOOST VENT CONTROL
main55909-95011i197903-198507
55937KNOB, HEATER CONTROL LEVER
main55905-12070i198009-198507
main55905-20120i197903-197906
main55905-20140i197906-198009
5551995010PLATE, HEATER CONTROL NAME
5593314010GUIDE, LEVER, NO.2
5593395400GUIDE, LEVER, NO.2
9048024215
9095001004
9338116012
9356015014

13 parts on this diagram · 2 diagrams in section

HEATING & AIR CONDITIONING - CONTROL & AIR DUCT — Toyota Parts Diagram with OEM Numbers & Prices | EPC Data