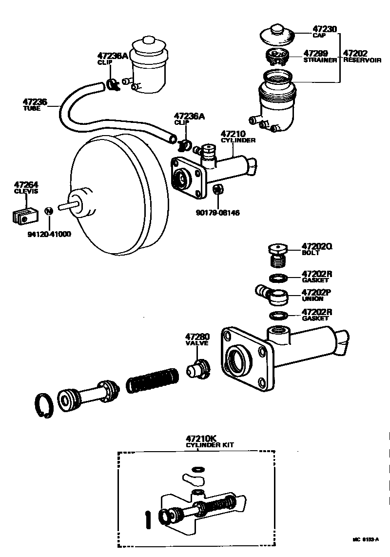
BRAKE MASTER CYLINDER

47202RESERVOIR SUB-ASSY, BRAKE MASTER CYLINDER
HONG KONG SPEC
sub47220-25021
sub47220-25022
sub47220-25031
sub47220-25032
sub47220-26032
sub47220-26033
47202PUNION, RESERVOIR(FOR BRAKE MASTER CYLINDER SIDE)
47202QBOLT, RESERVOIR UNION(FOR BRAKE MASTER CYLINDER SIDE)
47202RGASKET, RESERVOIR UNION(FOR BRAKE MASTER CYLINDER SIDE)
47210CYLINDER ASSY, MASTER, W/O BOOSTER
47210KCYLINDER KIT, BRAKE MASTER
47236TUBE, RESERVOIR BRAKE
HONG KONG SPEC
47264CLEVIS, MASTER CYLINDER PUSH ROD
47280VALVE ASSY, BRAKE MASTER CYLINDER OUTLET CHECK
47299STRAINER, BRAKE MASTER CYLINDER RESERVOIR
9017908146
main90179-08146
9412041000
main94120-41000
14 parts on this diagram · 2 diagrams in section