HEATING & AIR CONDITIONING - CONTROL & AIR DUCT

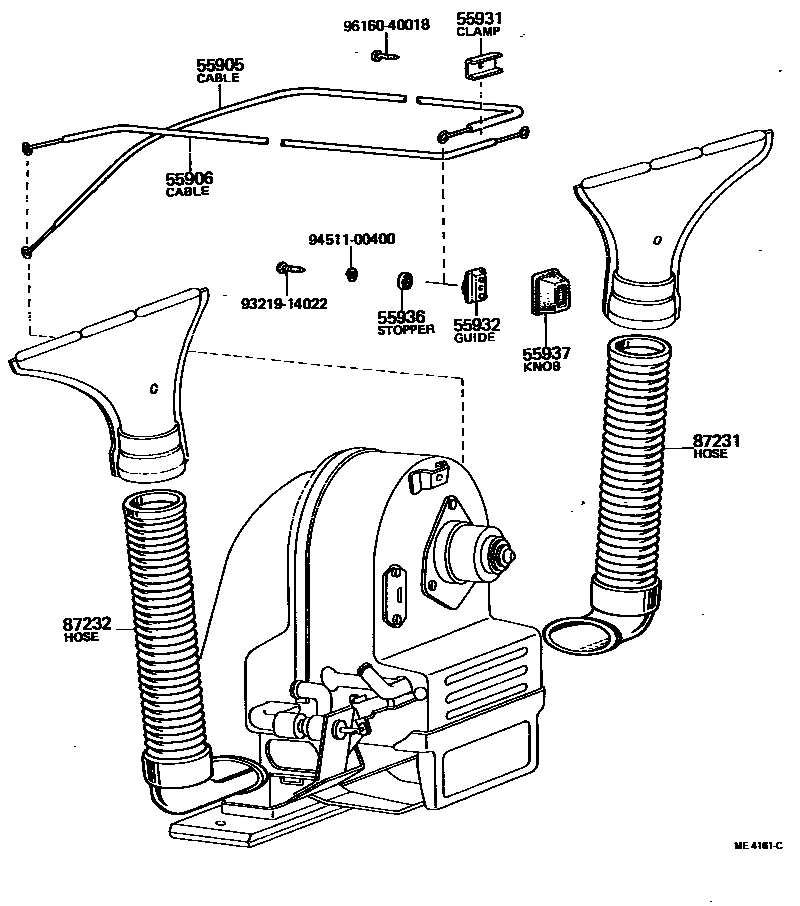
55905CABLE SUB-ASSY, DEFROST CONTROL
55906CABLE SUB-ASSY, HEATER CONTROL
55931CLAMP, HEATER CONTROL WIRE
55932GUIDE, LEVER, NO.1
55936STOPPER, HEATER CONTROL WIRE CLAMP
55937KNOB, HEATER CONTROL LEVER
9321914022
main93219-14022
9451100400
main94511-00400
9616040018
main96160-40018
11 parts on this diagram · 2 diagrams in section