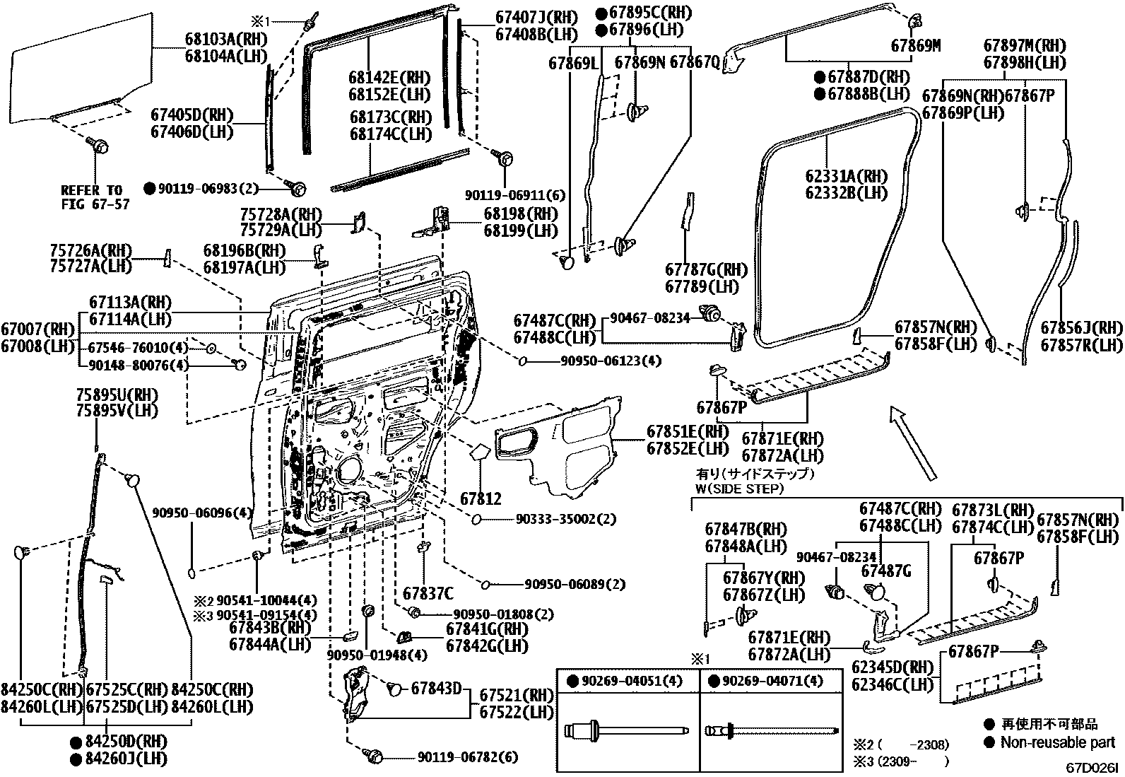
REAR DOOR PANEL & GLASS

62331AWEATHERSTRIP, REAR DOOR OPENING TRIM, RH
62332BWEATHERSTRIP, REAR DOOR OPENING TRIM, LH
62345DWEATHERSTRIP, SLIDE DOOR, NO.3 RH
62346CWEATHERSTRIP, SLIDE DOOR, NO.3 LH
67007PANEL SUB-ASSY, SLIDE DOOR, RH
67008PANEL SUB-ASSY, SLIDE DOOR, LH
67113APANEL, SLIDE DOOR, OUTER RH
67114APANEL, SLIDE DOOR, OUTER LH
67405DGUIDE SUB-ASSY, SLIDE DOOR WINDOW, FRONT RH
67406DGUIDE SUB-ASSY, SLIDE DOOR WINDOW, FRONT LH
67407JGUIDE SUB-ASSY, SLIDE DOOR WINDOW, REAR RH
67408BGUIDE SUB-ASSY, SLIDE DOOR WINDOW, REAR LH
67487CSEAL, REAR DOOR REAR GUIDE, RH
67487GCLIP, REAR DOOR REAR GUIDE SEAL
67488CSEAL, REAR DOOR REAR GUIDE, LH
67521COVER SUB-ASSY, SLIDE DOOR PANEL, RH
67522COVER SUB-ASSY, SLIDE DOOR PANEL, LH
67525CCOVER, SLIDE DOOR PANEL, LOWER RH
67525DCOVER, SLIDE DOOR PANEL, LOWER LH
6757
67787GCOVER, SLIDE DOOR TRIM, CTR RH
67789COVER, SLIDE DOOR TRIM, CTR LH
67812PAD, REAR DOOR SILENCER
67837CSEAL, REAR DOOR DUST PROOF
67841GCOVER, SLIDE DOOR SERVICE HOLE, RH
67842GCOVER, SLIDE DOOR SERVICE HOLE, LH
67843BCOVER, REAR DOOR SERVICE HOLE, NO.2 RH
67843DCLIP, REAR DOOR SERVICE HOLE
BLACK
67844ACOVER, REAR DOOR SERVICE HOLE, NO.2 LH
67847BSEAL, REAR DOOR VENT, RH NO.1
67848ASEAL, REAR DOOR VENT, LH NO.1
67856JWEATHERSTRIP, SLIDE DOOR, REAR RH
67857NPROTECTOR, SLIDE DOOR RAIL, RH
67857RWEATHERSTRIP, SLIDE DOOR, REAR LH
67858FPROTECTOR, SLIDE DOOR RAIL, LH
67867PRETAINER, SLIDE DOOR WEATHERSTRIP, NO.1
67867QRETAINER, SLIDE DOOR WEATHERSTRIP, NO.2
STEP & STEP COVER-WITH
67867YRETAINER, SLIDE DOOR VENT SEAL, RH
67867ZRETAINER, SLIDE DOOR VENT SEAL, LH
67869LCLIP, REAR DOOR WEATHERSTRIP
67869MCLIP, DOOR WEATHERSTRIP
67869NCLIP, REAR DOOR WEATHERSTRIP, RH
67869PCLIP, REAR DOOR WEATHERSTRIP, LH
67871EWEATHERSTRIP, SLIDE DOOR, NO.1 RH
67872AWEATHERSTRIP, SLIDE DOOR, NO.1 LH
67873LWEATHERSTRIP, REAR DOOR, NO.5 RH
67874CWEATHERSTRIP, REAR DOOR, NO.5 LH
67887DWEATHERSTRIP, SLIDE DOOR, NO.2 RH
67888BWEATHERSTRIP, SLIDE DOOR, NO.2 LH
67895CWEATHERSTRIP, REAR DOOR, NO.3 RH
67896WEATHERSTRIP, REAR DOOR, NO.3 LH
67897MWEATHERSTRIP, SLIDE DOOR, NO.4 RH
67898HWEATHERSTRIP, SLIDE DOOR, NO.4 LH
68103AGLASS SUB-ASSY, SLIDE DOOR, RH
INDIA SPEC
DESTINATION PACKAGE(ERP)-AZERBAIJAN SPEC
68104AGLASS SUB-ASSY, SLIDE DOOR, LH
DESTINATION PACKAGE(ERP)-AZERBAIJAN SPEC
INDIA SPEC
68142ERUN, SLIDE DOOR GLASS, RH
68152ERUN, SLIDE DOOR GLASS, LH
68173CWEATHERSTRIP, SLIDE DOOR GLASS, INNER RH
68174CWEATHERSTRIP, SLIDE DOOR GLASS, INNER LH
68196BSEAL, REAR DOOR BELT, FRONT RH
68197ASEAL, REAR DOOR BELT, FRONT LH
68198SEAL, REAR DOOR BELT, REAR RH
68199SEAL, REAR DOOR BELT, REAR LH
75726ACOVER, REAR DOOR BELT MOULDING END, FRONT RH
75727ACOVER, REAR DOOR BELT MOULDING END, FRONT LH
75728ACOVER, REAR DOOR BELT MOULDING END, REAR RH
75729ACOVER, REAR DOOR BELT MOULDING END, REAR LH
75895UTAPE, MOULDING, NO.1, RH
75895VTAPE, MOULDING, NO.1, LH
84250CCLIP (FOR POWER SLIDE DOOR SENSOR, RH)
84250DSENSOR ASSY, POWER SLIDE DOOR, RH
84260JSENSOR ASSY, POWER SLIDE DOOR, LH
84260LCLIP (FOR POWER SLIDE DOOR SENSOR, LH)
6754676010CHANNEL, VENT WINDOW DRIP, RH
main67546-76010
9011906782
main90119-06782
9011906911
main90119-06911
9011906983
main90119-06983
9014880076
main90148-80076
9026904051
main90269-04051
9026904071
main90269-04071
9033335002
main90333-35002
9046708234
main90467-08234
9054109154
main90541-09154
9054110044
main90541-10044
9095001808
main90950-01808
9095001948
main90950-01948
9095006089
main90950-06089
9095006096
main90950-06096
9095006123
main90950-06123
91 parts on this diagram · 2 diagrams in section