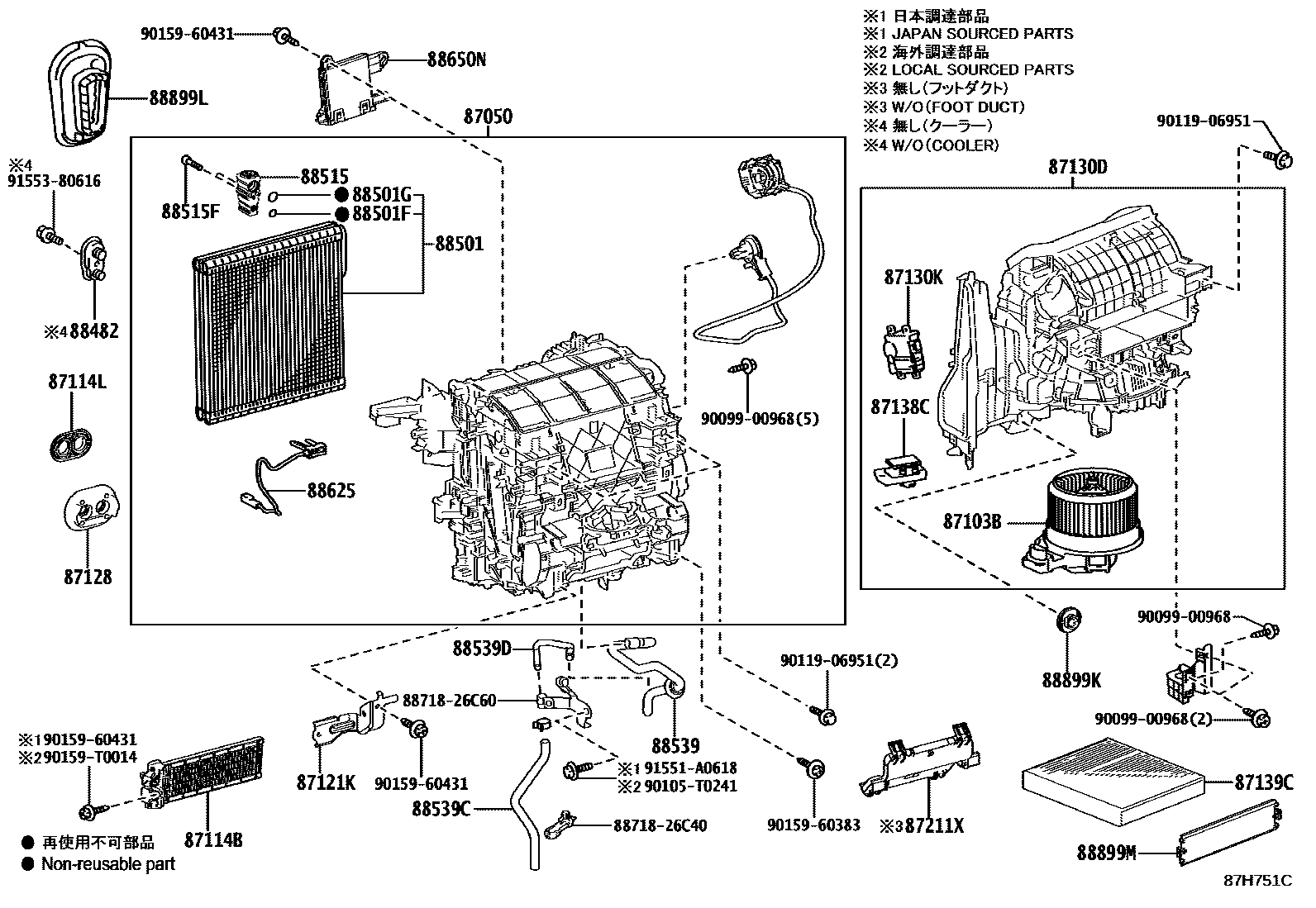
HEATING & AIR CONDITIONING - COOLER UNIT

87050RADIATOR ASSY, AIR CONDITIONER
FRONT HEATER-WITH(PTC HEATER)
main87050-26350iGDH300..5D..SP..GEN;GDH300..RHD..4D..SP..6F..GEN;GDH301,320,322,GRH320..RHD..(SG,SP)..D..GEN201902-202506
FRONT HEATER-WITH
FRONT AIR CONDITIONER-MANUAL COOLER&REAR AIR CONDITIONER-WITH(REAR COOLER,JET NOZZLE)
FRONT AIR CONDITIONER-MANUAL COOLER&REAR AIR CONDITIONER-WITH(REAR COOLER,JET NOZZLE)
main87050-26580iGDH322..LHD..SG..6F..N;GDH322..LHD..6FC..N..GEN;GDH301,328,GRH301,322..LHD..SG..N201902-202107
FRONT HEATER-WITH
GEORGIA SPEC&COLD AREA SPEC(-10C AREA)&FRONT HEATER-WITH(PTC HEATER)
main87050-26590iGDH301..GSOB..N;GDH322..AGT,GCC;GDH322..GSOB..6F..N;GDH328,GRH321..BZ,GEN;GDH322..6FC..(P,Q)..GEN;GDH300,320,GRH300,320,322..GCC201902
FRONT HEATER-WITH(PTC HEATER)
FRONT HEATER-WITH
FRONT HEATER-WITH(PTC HEATER & 2LAYER TYPE)&FRONT AIR CONDITIONER-AUTO AIR CONDITIONER
87103BMOTOR SUB-ASSY, BLOWER W/FAN
FRONT HEATER-WITH
FRONT HEATER-WITH(PTC HEATER)
main87103-26191iGRH322..6FC..N;GDH320..LHD..GEN;GRH322..LHD..6F..GEN;GDH322..LHD..GSOB..6F..D;GDH322..LHD..6FC..(D,N)..GEN;GDH322..LHD..SG..6F..(D,N)..GEN;GDH301,GRH320..LHD..(GSOB201902-202310
main87103-26201iGRH322..6FC..N;GDH320..LHD..GEN;GRH322..LHD..6F..GEN;GDH322..LHD..GSOB..6F..D;GDH322..LHD..6FC..(D,N)..GEN;GDH322..LHD..SG..6F..(D,N)..GEN;GDH301,GRH320..LHD..(GSOB201902
FRONT HEATER-WITH
main87103-26201iGRH322..6FC..N;GDH320..LHD..GEN;GRH322..LHD..6F..GEN;GDH322..LHD..GSOB..6F..D;GDH322..LHD..6FC..(D,N)..GEN;GDH322..LHD..SG..6F..(D,N)..GEN;GDH301,GRH320..LHD..(GSOB201902
FRONT HEATER-WITH(PTC HEATER)
GEORGIA SPEC&COLD AREA SPEC(-10C AREA)&FRONT HEATER-WITH(PTC HEATER)
FRONT HEATER-WITH&REAR AIR CONDITIONER-WITH(REAR COOLER,INDIVIDUAL NOZZLE)
FRONT HEATER-WITH&REAR AIR CONDITIONER-WITH(REAR COOLER,JET NOZZLE)
87114BCOVER, HEATER
main87114-0K040iGRH322..6F;GDH322..P..GCC;GRH322..6FC..GCC;GRH322..RHD..6FC;GDH301..GSOB..6FC;GDH322..RHD..GSOB..N;GDH301..LHD..GSOB..6F;GDH300..5D..(GCC,GEN);GDH321..RHD..(GEN,IDN202212-202505
FRONT HEATER-WITH(PTC & VISCOUS & 2LAYER TYPE),(L)
main87114-0K040iGRH322..6F;GDH322..P..GCC;GRH322..6FC..GCC;GRH322..RHD..6FC;GDH301..GSOB..6FC;GDH322..RHD..GSOB..N;GDH301..LHD..GSOB..6F;GDH300..5D..(GCC,GEN);GDH321..RHD..(GEN,IDN202212-202505
(L)
main87114-48110iGRH322..6F;GRH322..RHD..6FC;GDH322,GRH303..GCC;GRH322..6FC..(N,P,Q);GRH303,320..LHD..5D..(D,G);GDH304,306,GRH303,320..RHD..(GEN,TH);GDH300,301,303,32#,GRH300,301,30201902-202212
FRONT HEATER-WITH(PTC & VISCOUS & 2LAYER TYPE)
(J)
87114LCOVER, HEATER, NO.2
main87114-26120iGRH322..6FC..N;GRH322..6F..GEN;GRH322..RHD..6FC;GDH322..RHD..GSOB..N;GDH322..LHD..GSOB..6FC;GDH301..LHD..GSOB..6F..D;GDH300..5D..(PSOB,SP)..GEN;GDH300,GRH320..LHD..201902-202505
FRONT HEATER-WITH(PTC & VISCOUS & 2LAYER TYPE)&FRONT AIR CONDITIONER-MANUAL COOLER
main87114-26120iGRH322..6FC..N;GRH322..6F..GEN;GRH322..RHD..6FC;GDH322..RHD..GSOB..N;GDH322..LHD..GSOB..6FC;GDH301..LHD..GSOB..6F..D;GDH300..5D..(PSOB,SP)..GEN;GDH300,GRH320..LHD..201902-202406
FRONT HEATER-WITH(PTC & VISCOUS & 2LAYER TYPE)&FRONT AIR CONDITIONER-MANUAL COOLER&REAR AIR CONDITIONER-WITH(REAR COOLER,JET NOZZLE)
main87114-26120iGRH322..6FC..N;GRH322..6F..GEN;GRH322..RHD..6FC;GDH322..RHD..GSOB..N;GDH322..LHD..GSOB..6FC;GDH301..LHD..GSOB..6F..D;GDH300..5D..(PSOB,SP)..GEN;GDH300,GRH320..LHD..201902-202406
FRONT HEATER-WITH(PTC & VISCOUS & 2LAYER TYPE)&REAR AIR CONDITIONER-WITH(REAR COOLER,JET NOZZLE)
FRONT HEATER-WITH&REAR AIR CONDITIONER-WITH(REAR COOLER,JET NOZZLE)
FRONT HEATER-WITH(PTC HEATER)&REAR AIR CONDITIONER-WITH(REAR COOLER,JET NOZZLE)
FRONT HEATER-WITH(PTC & VISCOUS & 2LAYER TYPE)
REAR AIR CONDITIONER-WITH(REAR COOLER,JET NOZZLE)
87121KBRACKET, HEATER
main87121-26210iGDH322..ARL,NZ;GDH300..RHD..5D;GDH322..RHD..GSOB..N;GDH301..RHD..GSOB..6FC;GDH300..4D..SP..(ARL,TH);GDH300,322..RHD..4D..(PSOB,SG)..(D,N);GDH300,322..RHD..4D..(GSOB201902
FRONT HEATER-WITH&REAR AIR CONDITIONER-WITH(REAR COOLER,JET NOZZLE)
main87121-26210iGDH322..ARL,NZ;GDH300..RHD..5D;GDH322..RHD..GSOB..N;GDH301..RHD..GSOB..6FC;GDH300..4D..SP..(ARL,TH);GDH300,322..RHD..4D..(PSOB,SG)..(D,N);GDH300,322..RHD..4D..(GSOB201902
FRONT HEATER-WITH(PTC HEATER)&REAR AIR CONDITIONER-WITH(REAR COOLER,JET NOZZLE)
main87121-26210iGDH322..ARL,NZ;GDH300..RHD..5D;GDH322..RHD..GSOB..N;GDH301..RHD..GSOB..6FC;GDH300..4D..SP..(ARL,TH);GDH300,322..RHD..4D..(PSOB,SG)..(D,N);GDH300,322..RHD..4D..(GSOB201902
FRONT HEATER-WITH(PTC & VISCOUS & 2LAYER TYPE)
main87121-26210iGDH322..ARL,NZ;GDH300..RHD..5D;GDH322..RHD..GSOB..N;GDH301..RHD..GSOB..6FC;GDH300..4D..SP..(ARL,TH);GDH300,322..RHD..4D..(PSOB,SG)..(D,N);GDH300,322..RHD..4D..(GSOB201902-202505
FRONT HEATER-WITH(PTC & VISCOUS & 2LAYER TYPE)&FRONT AIR CONDITIONER-MANUAL COOLER
main87121-26210iGDH322..ARL,NZ;GDH300..RHD..5D;GDH322..RHD..GSOB..N;GDH301..RHD..GSOB..6FC;GDH300..4D..SP..(ARL,TH);GDH300,322..RHD..4D..(PSOB,SG)..(D,N);GDH300,322..RHD..4D..(GSOB201902
FRONT HEATER-WITH(PTC & VISCOUS & 2LAYER TYPE)&FRONT AIR CONDITIONER-MANUAL COOLER&REAR AIR CONDITIONER-WITH(REAR COOLER,JET NOZZLE)
main87121-26210iGDH322..ARL,NZ;GDH300..RHD..5D;GDH322..RHD..GSOB..N;GDH301..RHD..GSOB..6FC;GDH300..4D..SP..(ARL,TH);GDH300,322..RHD..4D..(PSOB,SG)..(D,N);GDH300,322..RHD..4D..(GSOB201902
FRONT HEATER-WITH(PTC & VISCOUS & 2LAYER TYPE)&REAR AIR CONDITIONER-WITH(REAR COOLER,JET NOZZLE)
main87121-26210iGDH322..ARL,NZ;GDH300..RHD..5D;GDH322..RHD..GSOB..N;GDH301..RHD..GSOB..6FC;GDH300..4D..SP..(ARL,TH);GDH300,322..RHD..4D..(PSOB,SG)..(D,N);GDH300,322..RHD..4D..(GSOB201902
REAR AIR CONDITIONER-WITH(REAR COOLER,JET NOZZLE)
FRONT HEATER-WITH(PTC & VISCOUS & 2LAYER TYPE)&FRONT AIR CONDITIONER-MANUAL COOLER&REAR AIR CONDITIONER-WITH(REAR COOLER,JET NOZZLE)
FRONT HEATER-WITH(PTC & VISCOUS & 2LAYER TYPE)&REAR AIR CONDITIONER-WITH(REAR COOLER,JET NOZZLE)
REAR AIR CONDITIONER-WITH(REAR COOLER,JET NOZZLE)
FRONT HEATER-WITH&REAR AIR CONDITIONER-WITH(REAR COOLER,JET NOZZLE)
FRONT HEATER-WITH(PTC & VISCOUS & 2LAYER TYPE)
FRONT HEATER-WITH(PTC & VISCOUS & 2LAYER TYPE)&FRONT AIR CONDITIONER-MANUAL COOLER
87128GROMMET, HEATER
87130DBLOWER ASSY
sub87130-0L031
sub87130-26281
FRONT HEATER-WITH(PTC HEATER)&FRONT AIR CONDITIONER-MANUAL COOLER&REAR AIR CONDITIONER-WITH(REAR COOLER,JET NOZZLE)
sub87130-26301
FRONT HEATER-WITH
sub87130-26301
FRONT HEATER-WITH&FRONT AIR CONDITIONER-MANUAL COOLER
sub87130-26301
FRONT HEATER-WITH&FRONT AIR CONDITIONER-MANUAL COOLER&REAR AIR CONDITIONER-WITH(REAR COOLER,JET NOZZLE)
sub87130-26301
FRONT HEATER-WITH(PTC HEATER)
sub87130-26301
FRONT HEATER-WITH(PTC HEATER)&FRONT AIR CONDITIONER-MANUAL COOLER
sub87130-26301
sub87130-26301
main87130-26301iGDH322..RHD..GSOB..6F;GRH301,322..RHD..6F..N;GDH300..5D..(PSOB,SP)..GEN;GDH320,322,GRH320..RHD..(PSOB,SG,SP)..D..GEN;GDH300,301..RHD..4D..(PSOB,SG,SP)..6F..D..GEN;G202007-202506
FRONT HEATER-WITH
main87130-26301iGDH322..RHD..GSOB..6F;GRH301,322..RHD..6F..N;GDH300..5D..(PSOB,SP)..GEN;GDH320,322,GRH320..RHD..(PSOB,SG,SP)..D..GEN;GDH300,301..RHD..4D..(PSOB,SG,SP)..6F..D..GEN;G202007-202506
FRONT HEATER-WITH(PTC HEATER)
GEORGIA SPEC&COLD AREA SPEC(-10C AREA)&FRONT HEATER-WITH(PTC HEATER)
main87130-26330iGRH321..GEN;GDH301..GSOB..N;GDH322..GSOB..6F..N;GDH322..6FC..(P,Q)..GEN;GDH300,320,322,328,GRH300,320,322..AGT,BZ,GCC201902
FRONT HEATER-WITH
main87130-26330iGRH321..GEN;GDH301..GSOB..N;GDH322..GSOB..6F..N;GDH322..6FC..(P,Q)..GEN;GDH300,320,322,328,GRH300,320,322..AGT,BZ,GCC201902
FRONT HEATER-WITH(PTC HEATER)
FRONT HEATER-WITH&REAR AIR CONDITIONER-WITH(REAR COOLER,JET NOZZLE)
FRONT HEATER-WITH&REAR AIR CONDITIONER-WITH(REAR COOLER,INDIVIDUAL NOZZLE)
87130KDAMPER SERVO SUB-ASSY, BLOWER, NO.1
87138CRESISTOR, BLOWER
87139CFILTER, CLEAN AIR
POLLEN FILTER,(L)
POLLEN FILTER,GEORGIA SPEC&COLD AREA SPEC(-10C AREA),(L)
POLLEN FILTER,FRONT HEATER-WITH(PTC & VISCOUS & 2LAYER TYPE)
POLLEN FILTER
POLLEN FILTER,(J)
POLLEN FILTER,GEORGIA SPEC&COLD AREA SPEC(-10C AREA),(J)
DEODORANT FILTER
87211XBLOWER COVER
PAPUA NEW GUINEA SPEC&FRONT SEAT-SEPARATE TYPE&REAR SEAT-WITHOUT
OCEANIA(GENERAL)SPEC&FRONT SEAT-SEPARATE TYPE&REAR SEAT-4-ROW(FOR 12 PERSONS), W(*RRS)
PAKISTAN SPEC&FRONT SEAT-SEPARATE TYPE&REAR SEAT-4-ROW(FOR 12 PERSONS), W(*RRS)
88482CAP, COOLER
FRONT HEATER-WITH(PTC HEATER)&REAR AIR CONDITIONER-WITH(REAR COOLER,JET NOZZLE)
FRONT HEATER-WITH(PTC & VISCOUS & 2LAYER TYPE)&FRONT AIR CONDITIONER-MANUAL COOLER
FRONT HEATER-WITH(PTC & VISCOUS & 2LAYER TYPE)&FRONT AIR CONDITIONER-MANUAL COOLER&REAR AIR CONDITIONER-WITH(REAR COOLER,JET NOZZLE)
FRONT HEATER-WITH(PTC & VISCOUS & 2LAYER TYPE)&REAR AIR CONDITIONER-WITH(REAR COOLER,JET NOZZLE)
REAR AIR CONDITIONER-WITH(REAR COOLER,JET NOZZLE)
FRONT HEATER-WITH&REAR AIR CONDITIONER-WITH(REAR COOLER,JET NOZZLE)
88501EVAPORATOR SUB-ASSY, COOLER, NO.1
main88501-10170iGDH321..D..IDN;GRH300,320..ARL,GEN;GDH300,301,320,322,GRH301,322..D..GEN201902-202105
FRONT AIR CONDITIONER-MANUAL COOLER
sub88501-12620
main88501-10170iGDH322..N;GDH322..LHD..(P,Q);GDH300,301,320,328,GRH300,320..GCC,PH,TH;GDH321,GRH303,321..(D,G,J,P,Q)..(ARL,GCC,GEN);GDH301,303,304,306,321,GRH301,304,322..(G,H,J,N,201902-202105
FRONT HEATER-WITH&FRONT AIR CONDITIONER-MANUAL COOLER
sub88501-12620
main88501-10170iGDH322..N;GDH322..LHD..(P,Q);GDH300,301,320,328,GRH300,320..GCC,PH,TH;GDH321,GRH303,321..(D,G,J,P,Q)..(ARL,GCC,GEN);GDH301,303,304,306,321,GRH301,304,322..(G,H,J,N,201902-202105
FRONT HEATER-WITH&FRONT AIR CONDITIONER-MANUAL COOLER&REAR AIR CONDITIONER-WITH(REAR COOLER,JET NOZZLE)
sub88501-12620
main88501-10170iGDH322..N;GDH322..LHD..(P,Q);GDH300,301,320,328,GRH300,320..GCC,PH,TH;GDH321,GRH303,321..(D,G,J,P,Q)..(ARL,GCC,GEN);GDH301,303,304,306,321,GRH301,304,322..(G,H,J,N,201902-202105
FRONT HEATER-WITH(PTC HEATER)&FRONT AIR CONDITIONER-MANUAL COOLER
sub88501-12620
main88501-10170iGDH322..N;GDH322..LHD..(P,Q);GDH300,301,320,328,GRH300,320..GCC,PH,TH;GDH321,GRH303,321..(D,G,J,P,Q)..(ARL,GCC,GEN);GDH301,303,304,306,321,GRH301,304,322..(G,H,J,N,201902-202105
FRONT HEATER-WITH(PTC HEATER)&FRONT AIR CONDITIONER-MANUAL COOLER&REAR AIR CONDITIONER-WITH(REAR COOLER,JET NOZZLE)
sub88501-12620
main88501-10170iGDH322..N;GDH322..LHD..(P,Q);GDH300,301,320,328,GRH300,320..GCC,PH,TH;GDH321,GRH303,321..(D,G,J,P,Q)..(ARL,GCC,GEN);GDH301,303,304,306,321,GRH301,304,322..(G,H,J,N,201902-202105
FRONT AIR CONDITIONER-MANUAL COOLER&REAR AIR CONDITIONER-WITH(REAR COOLER,JET NOZZLE)
sub88501-12620
FRONT AIR CONDITIONER-MANUAL COOLER&REAR AIR CONDITIONER-WITH(REAR COOLER,INDIVIDUAL NOZZLE)
sub88501-12620
FRONT HEATER-WITH&FRONT AIR CONDITIONER-MANUAL COOLER
FRONT AIR CONDITIONER-MANUAL COOLER
main88501-12620iGRH322..GSOB;GRH322..N,P,Q;GDH322..LHD..P;GDH306,321..6FC..(D,J)..GEN;GDH300,301,320,328,GRH300,320..BZ,GCC,PH,TH;GDH301,303,304,322,GRH301,303,304,321..(G,H,J,N,Q)202106
FRONT HEATER-WITH(PTC HEATER)&FRONT AIR CONDITIONER-MANUAL COOLER
FRONT AIR CONDITIONER-MANUAL COOLER&REAR AIR CONDITIONER-WITH(REAR COOLER,JET NOZZLE)
sub88501-76020
FRONT AIR CONDITIONER-MANUAL COOLER
FRONT AIR CONDITIONER-MANUAL COOLER&REAR AIR CONDITIONER-WITH(REAR COOLER,JET NOZZLE)
88501FO-RING, COOLER EVAPORATOR NO.1(DISCHARGE)
ID=10.2,OD=15.0
ID=10.8,OD=15.6
88501GO-RING, COOLER EVAPORATOR NO.1(SUCTION)
ID=13.4,OD=18.2
ID=13.4,OD=18.2
88515VALVE, COOLER EXPANSION
main88515-26110iGRH322..6F..D;GRH322..RHD..6FC;GDH322..SG..D..GEN;GDH322..RHD..GSOB..6F;GDH301..LHD..GSOB..6F..D;GDH300..5D..(PSOB,SP)..GEN;GDH300,322..LHD..(GSOB,SP)..D..GEN;GDH30201902-202505
FRONT AIR CONDITIONER-MANUAL COOLER&REAR AIR CONDITIONER-WITH(REAR COOLER,JET NOZZLE)
main88515-48120iGDH300..5D..SP..GEN;GDH300..RHD..4D..SP..6F..GEN;GDH301,320,322,GRH320..RHD..(SG,SP)..D..GEN201902-202506
FRONT AIR CONDITIONER-MANUAL COOLER&REAR AIR CONDITIONER-WITH(REAR COOLER,JET NOZZLE)
FRONT HEATER-WITH
FRONT HEATER-WITH&FRONT AIR CONDITIONER-MANUAL COOLER&REAR AIR CONDITIONER-WITH(REAR COOLER,JET NOZZLE)
FRONT HEATER-WITH(PTC HEATER)
main88515-48120iGRH301..LHD..6FC..D;GDH301..SG..6F..D..GEN;GDH301..LHD..GSOB..6F..D;GDH300,301..(GSOB,SG,SHP)..6FC..D..GEN201902-202506
FRONT HEATER-WITH(PTC HEATER)&FRONT AIR CONDITIONER-MANUAL COOLER&REAR AIR CONDITIONER-WITH(REAR COOLER,JET NOZZLE)
FRONT HEATER-WITH&REAR AIR CONDITIONER-WITH(REAR COOLER,INDIVIDUAL NOZZLE)
FRONT HEATER-WITH&REAR AIR CONDITIONER-WITH(REAR COOLER,JET NOZZLE)
FRONT HEATER-WITH(PTC HEATER)&REAR AIR CONDITIONER-WITH(REAR COOLER,INDIVIDUAL NOZZLE)
FRONT HEATER-WITH(PTC HEATER)&REAR AIR CONDITIONER-WITH(REAR COOLER,JET NOZZLE)
REAR AIR CONDITIONER-WITH(REAR COOLER,INDIVIDUAL NOZZLE)
REAR AIR CONDITIONER-WITH(REAR COOLER,JET NOZZLE)
88515FBOLT(FOR COOLER EXPANSION VALVE)
88539HOSE, COOLER UNIT DRAIN, NO.1
main88539-26700iGDH306,322..LHD..(D,J,N,P,Q)..(GCC,GEN);GDH300,301,303,304,320,328,GRH300,301,303,32#..LHD..(GCC,GEN,PH,VN)201902-202505
88539CHOSE, COOLER UNIT DRAIN, NO.2
88539DPIPE, COOLER UNIT DRAIN
88625THERMISTOR, COOLER, NO.1
88650NAMPLIFIER ASSY, AIR CONDITIONER
COLD AREA SPEC(-10C AREA)&FRONT HEATER-WITH(PTC HEATER)&FRONT AIR CONDITIONER-MANUAL COOLER
GEORGIA SPEC&COLD AREA SPEC(-10C AREA)&FRONT HEATER-WITH(PTC HEATER)
FRONT HEATER-WITH&FRONT AIR CONDITIONER-MANUAL COOLER
FRONT AIR CONDITIONER-MANUAL COOLER
main88650-26700iGDH322,328..AGT,BZ;GDH301..GSOB..6FC..N;GDH322..6FC..(P,Q)..GEN;GDH300,320,GRH300,320..GCC201902
COLD AREA SPEC(-10C AREA)&FRONT HEATER-WITH(PTC HEATER)
main88650-26700iGDH322,328..AGT,BZ;GDH301..GSOB..6FC..N;GDH322..6FC..(P,Q)..GEN;GDH300,320,GRH300,320..GCC201902
FRONT HEATER-WITH
COSTA RICA SPEC&FRONT HEATER-WITH
GUATEMALA SPEC&FRONT HEATER-WITH
FRONT AIR CONDITIONER-MANUAL COOLER
COLD AREA SPEC(-10C AREA)&40B-AREA SPEC&FRONT HEATER-WITH(PTC HEATER)&FRONT AIR CONDITIONER-MANUAL COOLER&REAR AIR CONDITIONER-WITH(REAR COOLER,INDIVIDUAL NOZZLE)
40B-AREA SPEC&FRONT HEATER-WITH&FRONT AIR CONDITIONER-MANUAL COOLER&REAR AIR CONDITIONER-WITH(REAR COOLER,INDIVIDUAL NOZZLE)
40B-AREA SPEC&FRONT HEATER-WITH
COLD AREA SPEC(-10C AREA)&40B-AREA SPEC&FRONT HEATER-WITH(PTC HEATER)
FRONT HEATER-WITH
REAR AIR CONDITIONER-WITH(REAR COOLER,INDIVIDUAL NOZZLE)
main88650-26810iGDH328..6F;GDH322..TH;GDH321..N..IDN;GDH321..6FC..GEN;GDH322..LHD..GSOB..6FC..N201903
FRONT AIR CONDITIONER-MANUAL COOLER&REAR AIR CONDITIONER-WITH(REAR COOLER,INDIVIDUAL NOZZLE)
88899KPLATE, COVER
FRONT HEATER-WITH(PTC & VISCOUS & 2LAYER TYPE)&REAR AIR CONDITIONER-WITH(REAR COOLER,JET NOZZLE)
FRONT HEATER-WITH(PTC & VISCOUS & 2LAYER TYPE)&FRONT AIR CONDITIONER-MANUAL COOLER
FRONT HEATER-WITH(PTC & VISCOUS & 2LAYER TYPE)
FRONT HEATER-WITH(PTC & VISCOUS & 2LAYER TYPE)&FRONT AIR CONDITIONER-MANUAL COOLER&REAR AIR CONDITIONER-WITH(REAR COOLER,JET NOZZLE)
REAR AIR CONDITIONER-WITH(REAR COOLER,JET NOZZLE)
FRONT HEATER-WITH&REAR AIR CONDITIONER-WITH(REAR COOLER,JET NOZZLE)
FRONT HEATER-WITH(PTC HEATER)&REAR AIR CONDITIONER-WITH(REAR COOLER,JET NOZZLE)
88899LPARTS, COOLING UNIT
88899MPLATE, COVER(FOR AIR FILTER)
GEORGIA SPEC&COLD AREA SPEC(-10C AREA),(L)
(L)
(J)
main88899-47120iGDH300..5D;GDH300..4D..6FC;GDH322..ARL,GCC;GRH320..LHD..SG;GRH322..RHD..6FC;GRH301..RHD..6FC..N;GDH320..PSOB..6FC..GEN;GDH320,GRH301..LHD..6F..D;GDH320,GRH322..6FC.201902-202505
GEORGIA SPEC&COLD AREA SPEC(-10C AREA),(J)
main88899-47120iGDH300..5D;GRH322..6F;GRH322..6FC..GCC;GRH322..RHD..6FC;GDH301..GSOB..6FC;GDH321,322..RHD..SG;GDH322..RHD..GSOB..N;GDH301..LHD..GSOB..6F;GDH300..4D..SP..(ARL,TH);GD202212
FRONT HEATER-WITH(PTC & VISCOUS & 2LAYER TYPE)
8871826C40PIPE, COOLER REFRIGERANT SUCTION, NO.2
main88718-26C40
8871826C60PIPE, COOLER REFRIGERANT SUCTION, NO.2
main88718-26C60
9009900968
main90099-00968
90105T0241
main90105-T0241
9011906951
main90119-06951
9015960383
main90159-60383
9015960431
main90159-60431
90159T0014
main90159-T0014
91551A0618
main91551-A0618
9155380616
main91553-80616
35 parts on this diagram · 11 diagrams in section