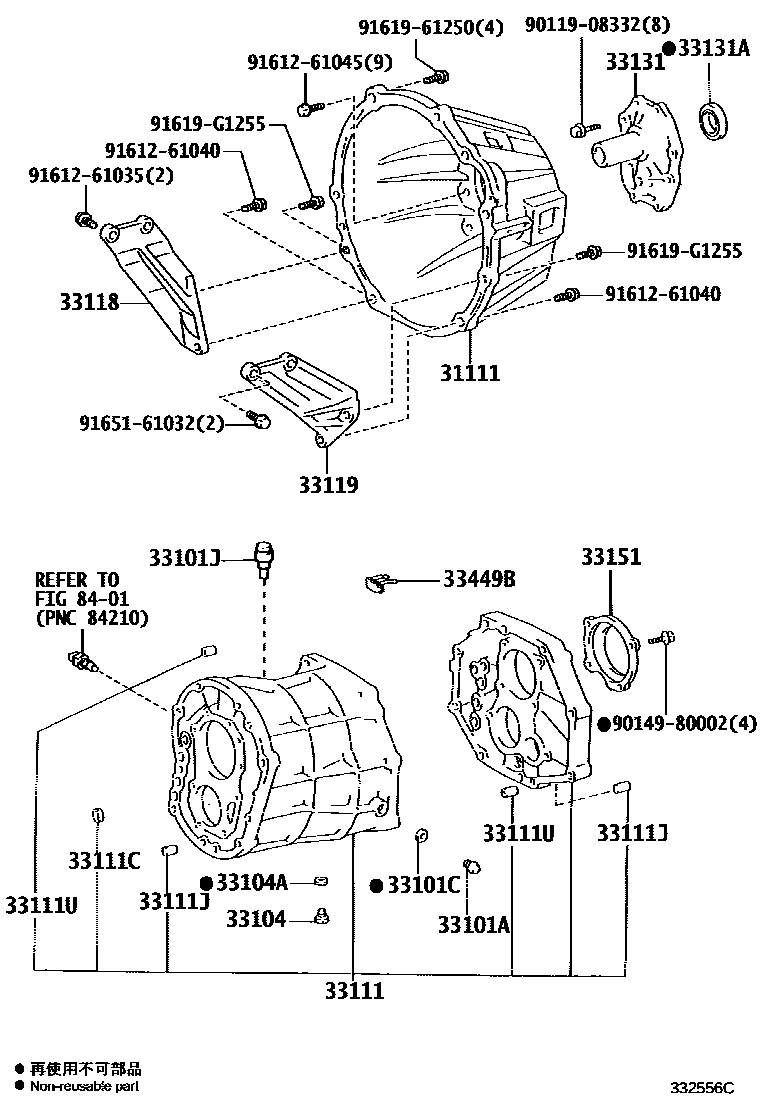
CLUTCH HOUSING & TRANSMISSION CASE (MTM)

33101APLUG(FOR MANUAL TRANSMISSION FILLER)
33101CGASKET(FOR MANUAL TRANSMISSION FILLER PLUG)
33101JPLUG, BREATHER
33104PLUG SUB-ASSY, DRAIN(MTM)
33104AGASKET, DRAIN PLUG(MTM)
33111CPLUG(FOR TRANSMISSION CASE)
main90331-14004iKDH202..GL..TH;KDH221..5D..5F;KDH202..HRF..MA;TRH203..15S..GEN;KDH202..LHD..12S..5F;TRH201,223..4D..SG..5F;TRH20#..4D..5F..(ARL,GCC,MA,SA);KDH220,TRH201..5D..5F..(G200501-201105
OD=14
OD=12
OD=18
33111JPIN, STRAIGHT(FOR MANUAL TRANSMISSION CASE)
L=16,OD=12
33111UPIN, RING(FOR MANUAL TRANSMISSION CASE)
L=11,OD=11
L=14,OD=15
33118PLATE, STIFFENER, RH(MTM)
33131ASEAL, OIL(FOR TRANSMISSION FRONT BEARING RETAINER)
33449BMAGNET, TRANSMISSION
8401
9011908332
main90119-08332
9014980002
main90149-80002
9161261035
main91612-61035
9161261040
main91612-61040
9161261045
main91612-61045
9161961250
main91619-61250
91619G1255
main91619-G1255
9165161032
main91651-61032
25 parts on this diagram · 3 diagrams in section