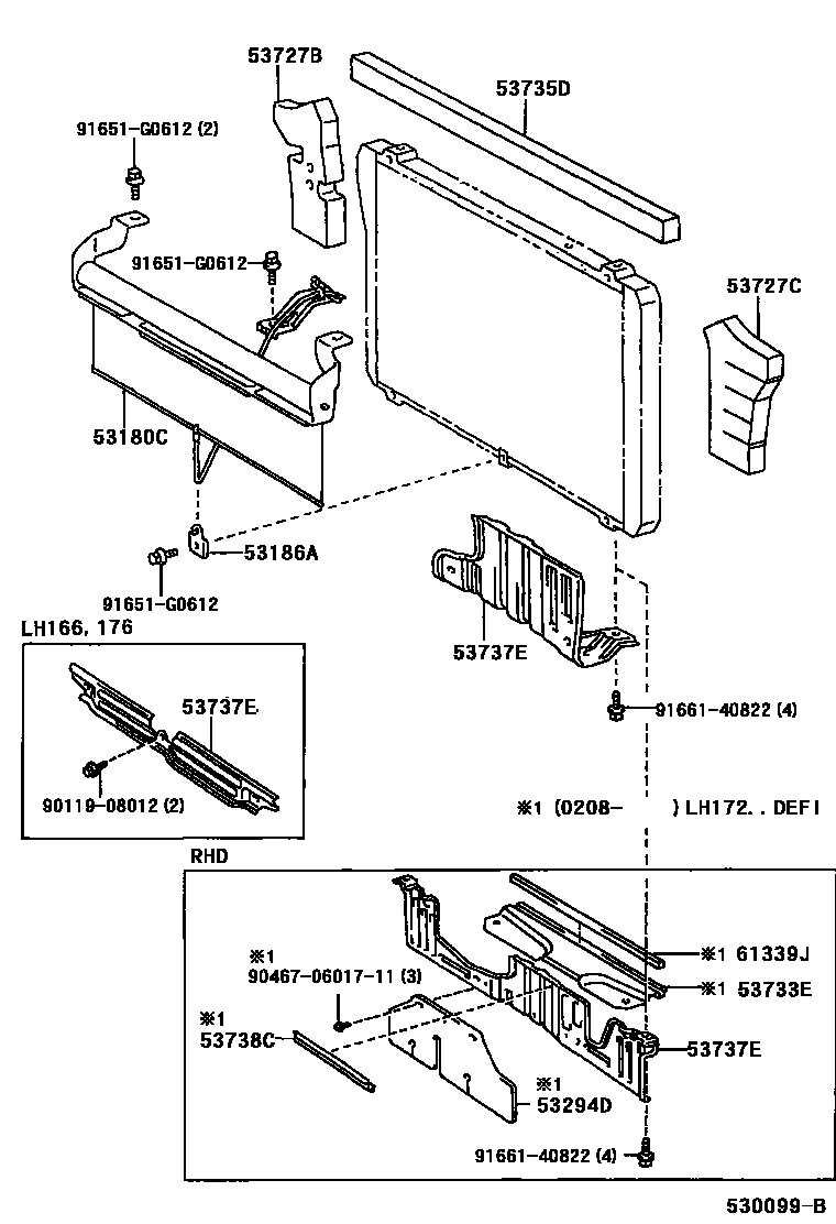
RADIATOR SUPPORT & WIND GUIDE

53180CSHUTTER ASSY, RADIATOR
*EX-USSR SPEC
53186AHOOK, RADIATOR SHUTTER
*EX-USSR SPEC
53294DDEFLECTOR, RADIATOR LOWER AIR, NO.1
53727BSHUTTER, HOT AIR SIDE, RH
53727CSHUTTER, HOT AIR SIDE, LH
53733ESHUTTER, HOT AIR
53735DSHUTTER, HOT AIR, UPPER
*EX-USSR SPEC
53737ESHUTTER, HOT AIR, LOWER
main53737-26070iRZH112..RHD..03S;LH103,11#,125,162,172,174,184,RZH103,104,105,113,114,125,135,153..RHD199408-200208
53738CSHUTTER, HOT AIR, LOWER LH
61339JSEAL, CENTER BODY PILLAR, INNER
sub61339-95J01
9011908012
main90119-08012
904670601711
main90467-0601711
91651G0612
main91651-G0612
9166140822
main91661-40822
14 parts on this diagram · 1 diagram in section