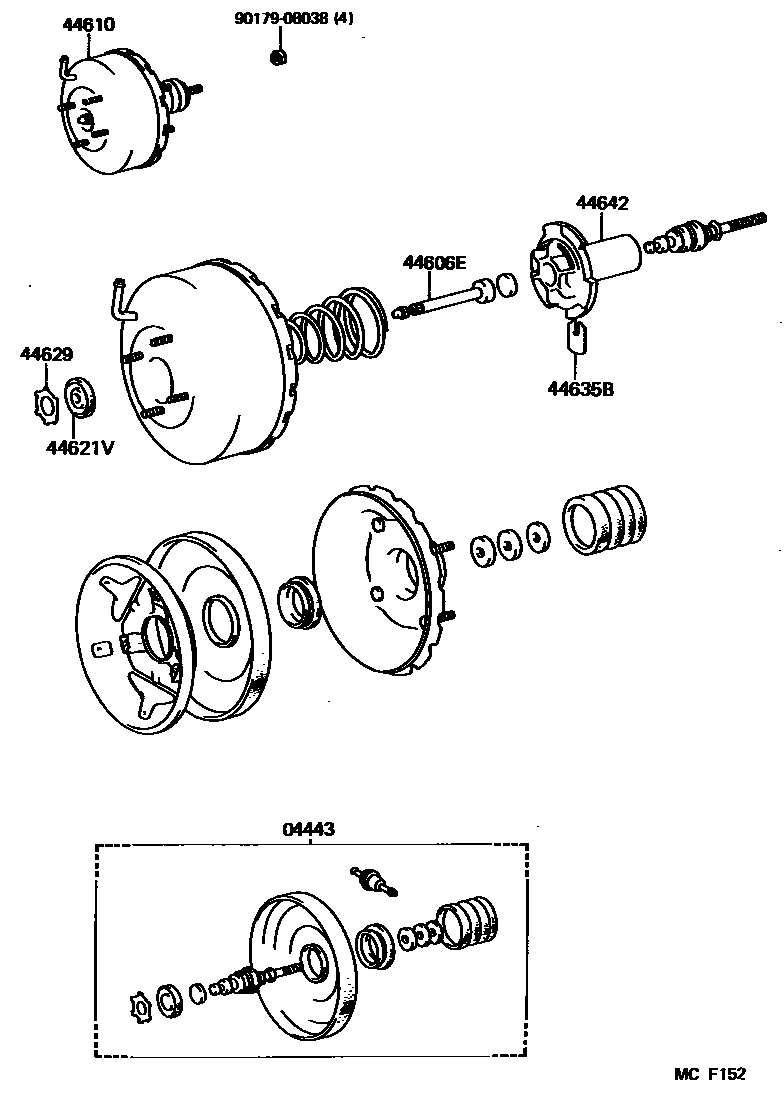
BRAKE BOOSTER & VACUUM TUBE

04443BOOSTER KIT, BRAKE
W(FRONT DISC BRAKE & LSPV)
W(FRONT DISC BRAKE & LSPV)
W(LSPV)
W(LSPV)
SWEDEN SPEC
44606EROD SUB-ASSY, BRAKE BOOSTER PISTON
44610BOOSTER ASSY, BRAKE
W(FRONT DISC BRAKE & LSPV)
W(FRONT DISC BRAKE & LSPV)
W(LSPV)
W(LSPV)
SWEDEN SPEC
44621VSEAL, BOOSTER BODY
44629RING, CIRCULAR INTERNAL
44635BKEY, VALVE STOPPER
44642PISTON, BRAKE BOOSTER
W(LSPV)
W(FRONT DISC BRAKE & LSPV)
9017908038
8 parts on this diagram · 6 diagrams in section