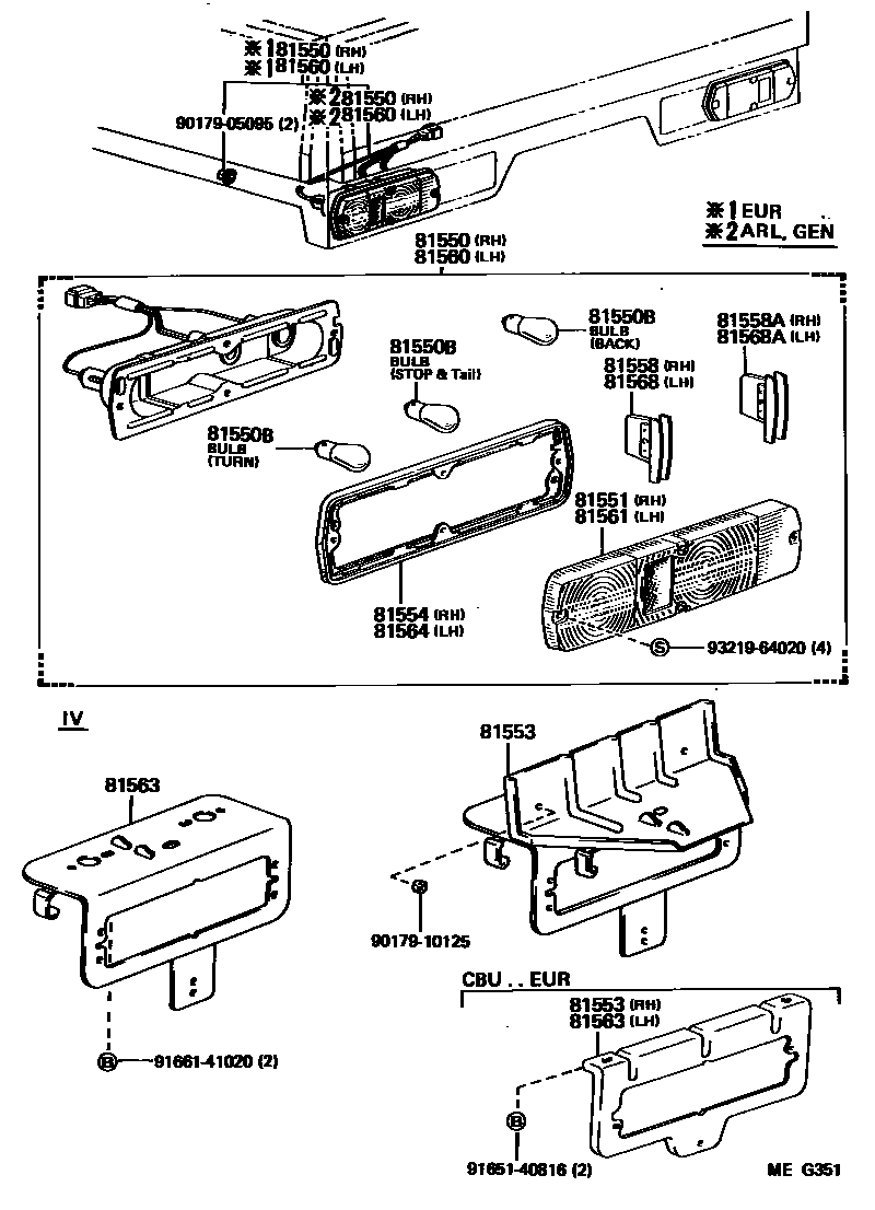
REAR COMBINATION LAMP

81550BBULB(FOR REAR COMBINATION LAMP)
12V 21W,12V 21W(TURN,BACK)
12V 23W,12V 23W(TURN,BACK)
12V 21/5W,12V 21/5W(STOP & TAIL)
81553BRACKET, REAR COMBINATION LAMP, NO.1 RH
81554GASKET, REAR COMBINATION LAMP BODY, RH
81558SHADE, REAR COMBINATION LAMP, NO.1 RH
81558ASHADE, REAR COMBINATION LAMP, NO.2 RH
81563BRACKET, REAR COMBINATION LAMP, NO.1 LH
81564GASKET, REAR COMBINATION LAMP BODY, LH
81568SHADE, REAR COMBINATION LAMP, NO.1 LH
81568ASHADE, REAR COMBINATION LAMP, NO.2 LH
9017905095
main90179-05095
9017910125
main90179-10125
9165140816
main91651-40816
9166141020
main91661-41020
9321964020
main93219-64020
18 parts on this diagram · 1 diagram in section