E
EPC Data

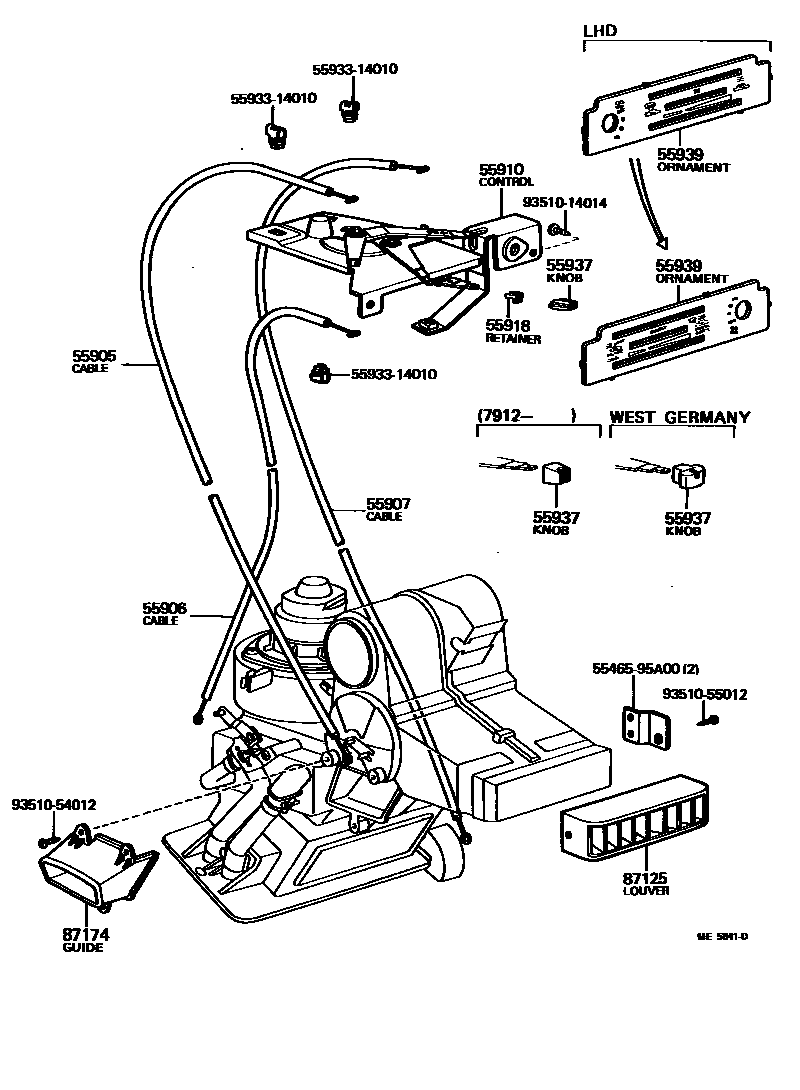
HEATING & AIR CONDITIONING - CONTROL & AIR DUCT

Parts diagram
55905CABLE SUB-ASSY, DEFROST CONTROL
main55905-95A00i197702-198211
L=510
main55905-95A01i197702-198211
L=500
55906CABLE SUB-ASSY, HEATER CONTROL
main55907-95A00i197702-197912
L=490
main55907-95A01i197702-197912
L=475
main55907-95A02i197912-198211
L=550
main55907-95A03i197912-198211
L=535
55907CABLE SUB-ASSY, HEATER AIR INLET BUTTERFLY
main55906-95A00i197702-198211
L=710
55910CONTROL ASSY, HEATER OR BOOST VENTILATOR
main55902-95A00i197702-197912
main55902-95A01i197702-197912
main55902-95A02i197912-198211
main55902-95A03i197912-198211
main55902-95A05i198111-198211
W/BOOST VENTILATOR
55918RETAINER, HEATER CONTROL LEVER
main55914-12020i197702-198211
55937KNOB, HEATER CONTROL LEVER
main55905-12070i198012-198211
main55905-20140i197912-198012
main55905-30090i197912-198211
WEST GERMANY SPEC
main55937-95700i197702-197912
55939ORNAMENT, HEATER CONTROL
main55519-95A00i197912-198211
main55519-95A01i197912-198211
main55519-95A04i198111-198211
W/BOOST VENTILATOR
87125LOUVER, VENTILATION
main88960-27011i197702-198211
87174GUIDE, AIR DUCT
main87174-95A00i198001-198211
5546595A00COVER, INSTRUMENT HOLE
5593314010GUIDE, LEVER, NO.2
9351014014
9351054012
9351055012

14 parts on this diagram · 4 diagrams in section

HEATING & AIR CONDITIONING - CONTROL & AIR DUCT — Toyota Parts Diagram with OEM Numbers & Prices | EPC Data