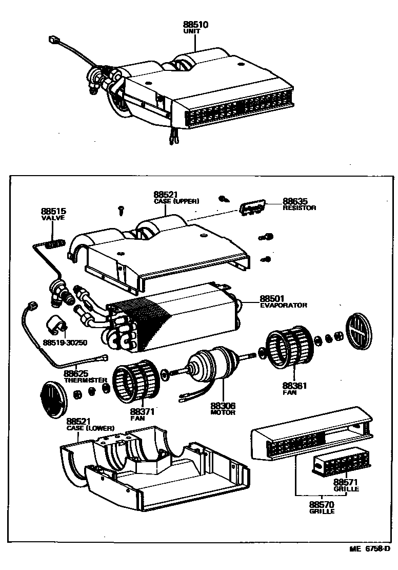
HEATING & AIR CONDITIONING - COOLER UNIT

88306MOTOR SUB-ASSY, COOLER BLOWER, NO.1
RR
88361FAN, COOLER BLOWER, NO.1
RR
88371FAN, COOLER BLOWER, NO.2
88501EVAPORATOR SUB-ASSY, COOLER, NO.1
FR
FR
RR
88510UNIT ASSY, COOLER
FR
RH
LH
RR
RR
88515VALVE, COOLER EXPANSION
RR
FR
88570GRILLE SUB-ASSY, COOLER AIR OUTLET
FR
RR
88571GRILLE, AIR OUTLET
88625THERMISTOR, COOLER, NO.1
8851930250HOLDER, REMOTE BULB
main88519-30250
12 parts on this diagram · 11 diagrams in section