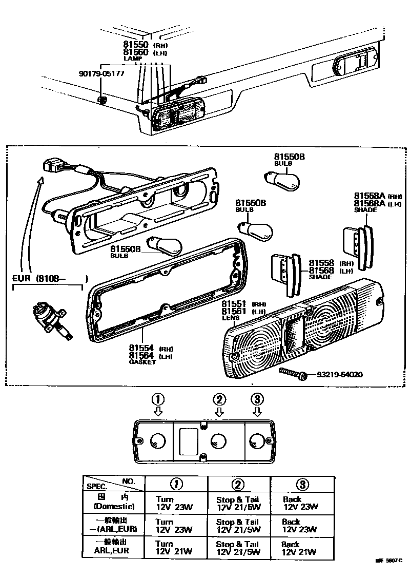
REAR COMBINATION LAMP

81550LAMP ASSY, REAR COMBINATION, RH
AMBER-RED-CLEAR
AMBER-RED-CLEAR
AMBER-RED-CLEAR
AMBER-RED-CLEAR
AMBER-RED-CLEAR
AMBER-RED-CLEAR
AMBER-RED-CLEAR
AMBER-RED-CLEAR
81550BBULB(FOR REAR COMBINATION LAMP)
12V 21W,12V 21W
12V 23W,12V 23W
12V 21/5W,12V 21/5W
81551LENS, REAR COMBINATION LAMP, RH
AMBER-RED-CLEAR
AMBER-RED-CLEAR
81554GASKET, REAR COMBINATION LAMP BODY, RH
81558SHADE, REAR COMBINATION LAMP, NO.1 RH
81558ASHADE, REAR COMBINATION LAMP, NO.2 RH
81560LAMP ASSY, REAR COMBINATION, LH
AMBER-RED-CLEAR
AMBER-RED-CLEAR
AMBER-RED-CLEAR
AMBER-RED-CLEAR
AMBER-RED-CLEAR
AMBER-RED-CLEAR
AMBER-RED-CLEAR
AMBER-RED-CLEAR
81561LENS, REAR COMBINATION LAMP, LH
AMBER-RED-CLEAR
AMBER-RED-CLEAR
81564GASKET, REAR COMBINATION LAMP BODY, LH
81568SHADE, REAR COMBINATION LAMP, NO.1 LH
81568ASHADE, REAR COMBINATION LAMP, NO.2 LH
9017905177
main90179-05177
9321964020
main93219-64020
13 parts on this diagram · 2 diagrams in section