E
EPC Data

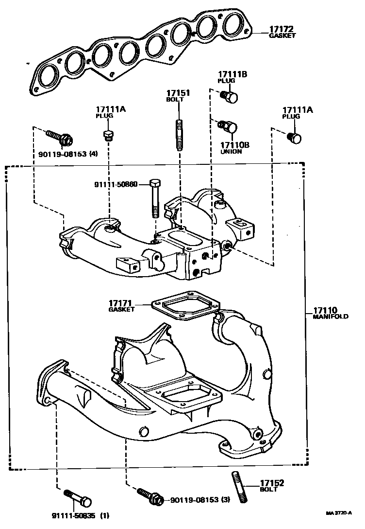
MANIFOLD

Parts diagram
17110MANIFOLD ASSY
main17110-44141i197903-198204
main17110-44142i198204-198609
17110BUNION(FOR VENTILATION HOSE TO MANIFOLD)
main90407-10040i197903-198609
W/PCV
17111MANIFOLD, INTAKE
main17111-71020i198609-200002
17111APLUG, NO.1
main90345-51025i197903-198609
17111BPLUG, NO.2
main90345-52013i197903-198609
W/O PCV
17151BOLT, STUD(FOR MANIFOLD TO CARBURETOR)
main90116-08276i197903-198012
L=52,S=11&23
main90116-08291i198012-198609
main92122-40835i198609-200002
17152BOLT, STUD(FOR MANIFOLD TO EXHAUST PIPE)
main90116-10027i197907-198609
L=37,S=20&14
main90116-10042i197903-197907
L=37,S=20&13
main90116-10058i198609-198909
main90116-10146i199001-200002
main90116-10148i198909-199001
17171GASKET, INTAKE TO EXHAUST MANIFOLD
main17171-44010i197903-198609
17172GASKET, MANIFOLD TO CYLINDER HEAD
main17172-44011i197903-198609
main17172-73010i198609-200002
9011908153
9111150835
9111150860

12 parts on this diagram · 2 diagrams in section

MANIFOLD — Toyota Parts Diagram with OEM Numbers & Prices | EPC Data