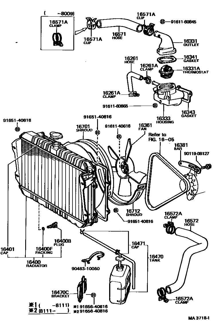
RADIATOR & WATER OUTLET

1605
16261HOSE, WATER BY-PASS
16261ACLAMP OR CLIP, HOSE(FOR WATER BY-PASS HOSE)
ID=24
ID=25
16331ATHERMOSTAT
*WAX 82-95,FUJI-THOMSON
*WAX 82-95
16333HOUSING, WATER OUTLET
16343GASKET, WATER OUTLET HOUSING
sub16343-44011
16361FAN
5 BLADES
W(AIR CONDITIONER)
16381BAR, FAN BELT ADJUSTING
16400RADIATOR ASSY
16400BPLUG, RADIATOR DRAIN COCK
16400FPACKING(FOR RADIATOR DRAIN COCK)
16470TANK ASSY, RADIATOR RESERVE
16470CBRACKET(FOR RADIATOR RESERVE TANK)
16571HOSE, RADIATOR, INLET
16572HOSE, RADIATOR, OUTLET
16701SHROUD SUB-ASSY, FAN
W(AIR CONDITIONER)
16712SHROUD, FAN, NO.2
W/COOLER
9011908127
main90119-08127
9046310060
main90463-10060
9161140616
main91611-40616
9161160845
main91611-60845
9161160865
main91611-60865
9165140816
main91651-40816
9165640616
main91656-40616
9165640816
main91656-40816
31 parts on this diagram · 2 diagrams in section