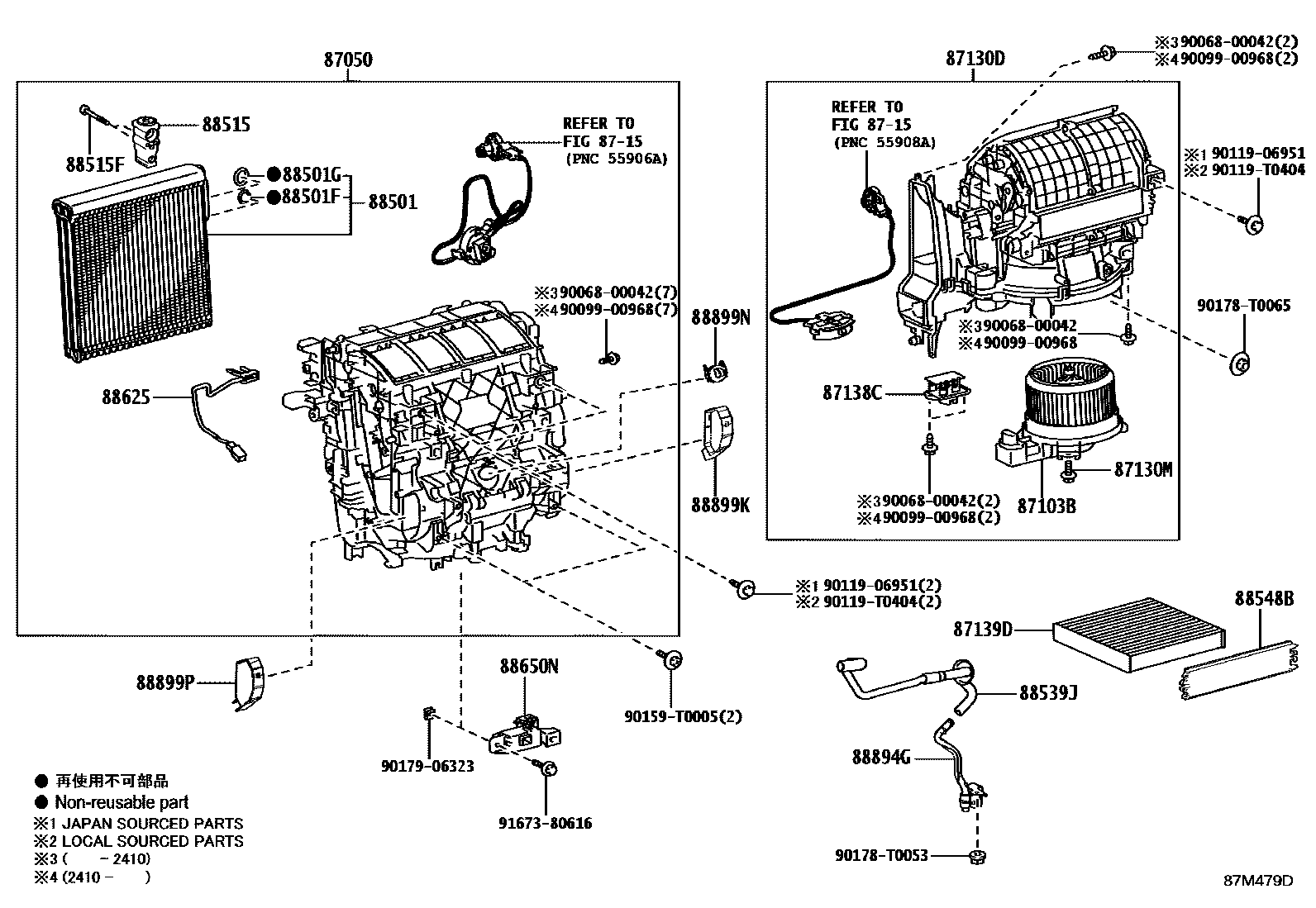
HEATING & AIR CONDITIONING - COOLER UNIT

87050RADIATOR ASSY, AIR CONDITIONER
FRONT AIR CONDITIONER-MANUAL COOLER
87103BMOTOR SUB-ASSY, BLOWER W/FAN
FRONT AIR CONDITIONER-MANUAL COOLER
87130DBLOWER ASSY
FRONT AIR CONDITIONER-MANUAL COOLER
87130MSCREW(FOR BLOWER)
87138CRESISTOR, BLOWER
87139DELEMENT, AIR REFINER
(L)
FRONT AIR CONDITIONER-MANUAL COOLER,(L)
(L)
(J)
88501EVAPORATOR SUB-ASSY, COOLER, NO.1
88501FO-RING, COOLER EVAPORATOR NO.1(DISCHARGE)
ID=10.2,OD=15.0
88501GO-RING, COOLER EVAPORATOR NO.1(SUCTION)
ID=13.4,OD=18.2
88515VALVE, COOLER EXPANSION
88515FBOLT(FOR COOLER EXPANSION VALVE)
88539JHOSE, DRAIN COOLER
88548BCASE, AIR FILTER
88625THERMISTOR, COOLER, NO.1
88650NAMPLIFIER ASSY, AIR CONDITIONER
88894GCONNECTOR, DRAIN HOSE
88899KPLATE, COVER
FRONT AIR CONDITIONER-MANUAL COOLER
88899NPLATE, COVER
FRONT AIR CONDITIONER-MANUAL COOLER
88899PPLATE, COVER
FRONT AIR CONDITIONER-MANUAL COOLER
9006800042
main90068-00042
9009900968
main90099-00968
9011906951
main90119-06951
90119T0404
main90119-T0404
90159T0005
main90159-T0005
90178T0053
main90178-T0053
90178T0065
main90178-T0065
9017906323
main90179-06323
9167380616
main91673-80616
28 parts on this diagram · 3 diagrams in section