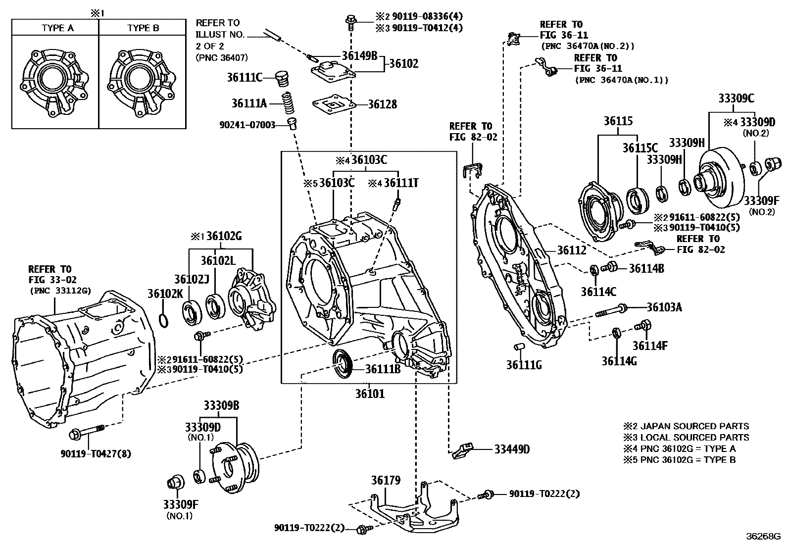
TRANSFER CASE & EXTENSION HOUSING

3302
33309BFLANGE SUB-ASSY, OUTPUT SHAFT COMPANION
PNC 36102G=TYPE B
main33309-35113iGUN126..S..IV3;GUN126..LHD..6FC;GUN125..6FC..GCC;GUN126..H..MHV..IV3;GGN125,LAN125,TGN126;GUN125..6F..(H,L)..GCC;GUN126..LHD..6F..H..GEN;GUN126..6F..(BZAG,GCC,IND,L¥5,500202408
PNC 36102G=TYPE A
33309CFLANGE SUB-ASSY, OUTPUT SHAFT COMPANION
PNC 36102G=TYPE B
PNC 36102G=TYPE A
PNC 36102G=TYPE B
main36204-71020iGUN126..RHD..6F;GUN126..6F..S..LA;GUN126..LHD..6F..(H,L);GUN125..6F..(H,L)..GCC;GUN125..6F..(ARL,GEN,IDN,LA,PH,TH,VN)202408-202409
PNC 36102G=TYPE A
33309DSEAL, OIL(FOR TRANSFER OUTPUT SHAFT COMPANION FLANGE)
main90312-23001iGUN126..S..IV3;GUN126..LHD..6FC;GUN125..6FC..GCC;GUN126..H..MHV..IV3;GGN125,LAN125,TGN126;GUN125..6F..(H,L)..GCC;GUN126..LHD..6F..H..GEN;GUN126..6F..(BZAG,GCC,IND,L¥120202408
PNC36102G=T/P A,NO.1
main90312-32006iGUN126..S..IV3;GUN126..LHD..6FC;GUN125..6FC..GCC;GUN126..H..MHV..IV3;GGN125,LAN125,TGN126;GUN125..6F..(H,L)..GCC;GUN126..LHD..6F..H..GEN;GUN126..6F..(BZAG,GCC,IND,L¥140202408
PNC36102G=T/P A,NO.2
main90312-T0004iGUN126..S..IV3;GUN126..H..MHV..IV3;GGN125,GUN125,LAN125,TGN126;GUN126..(AGTP,CAMP,GHAP,KENP,MAP,MMRP,SAP,THP)..CBU202408
PNC36102G=T/P B,NO.1
33309FNUT (FOR TRANSFER OUTPUT SHAFT COMPANION FLANGE)
main90179-22016iGUN126..S..IV3;GUN126..H..MHV..IV3;GGN125,GUN125,LAN125,TGN126;GUN126..(AGTP,CAMP,GHAP,KENP,MAP,MMRP,SAP,THP)..CBU¥220202408
PNC36102G=T/P A,NO.1
main90179-22016iGUN126..S..IV3;GUN126..H..MHV..IV3;GGN125,GUN125,LAN125,TGN126;GUN126..(AGTP,CAMP,GHAP,KENP,MAP,MMRP,SAP,THP)..CBU¥220202408
PNC36102G=T/P B,NO.1
PNC36102G=T/P B,NO.2
PNC36102G=T/P A,NO.2
33309HWASHER, TRANSFER OUTPUT SHAFT
T=0.8,PNC 36102G=TYPE A
T=0.8,PNC 36102G=TYPE B
33449DMAGNET (FOR TRANSFER CASE)
PNC 36102G=TYPE A
main33449-32020iGUN126..S..IV3;GUN126..H..MHV..IV3;GGN125,GUN125,LAN125,TGN126;GUN126..(AGTP,CAMP,GHAP,KENP,MAP,MMRP,SAP,THP)..CBU¥650202408
PNC 36102G=TYPE B
36101CASE SUB-ASSY, TRANSFER
main36101-71020iGUN126..S..IV3;GUN126..H..MHV..IV3;GGN125,GUN125,LAN125,TGN126;GUN126..(AGTP,CAMP,GHAP,KENP,MAP,MMRP,SAP,THP)..CBU¥45,900202408
36102COVER SUB-ASSY, TRANSFER CASE
PNC 36102G=TYPE B
PNC 36102G=TYPE A
36102GRETAINER SUB-ASSY, TRANSFER FRONT BEARING
main36102-0K010iGUN126..6FC..S..IV3;GUN126..H..MHV..IV3;GGN125,GUN125,LAN125,TGN126..5F,6FC;GUN126..(AGTP,CAMP,GHAP,KENP,MAP,MMRP,SAP,THP)..6FC..CBU202408
TYPE B:REFER ILLUST.
TYPE B:REFER ILLUST.
main36102-35060iGUN126..6FC..S..IV3;GUN126..H..MHV..IV3;GGN125,GUN125,LAN125,TGN126..5F,6FC;GUN126..(AGTP,CAMP,GHAP,KENP,MAP,MMRP,SAP,THP)..6FC..CBU¥2,300202408
TYPE A:REFER ILLUST.
TYPE A:REFER ILLUST.
36102JSEAL, TYPE T OIL (FOR TRANSFER COVER)
PNC 36102G=TYPE A
PNC 36102G=TYPE B
36102KRING, O
PNC 36102G=TYPE B
PNC 36102G=TYPE A
36102LSEAL, TYPE T OIL(FOR TRANSFER FRONT BEARING)
PNC 36102G=TYPE A
main90311-T0071iGUN126..S..IV3;GUN126..H..MHV..IV3;GGN125,GUN125,LAN125,TGN126;GUN126..(AGTP,CAMP,GHAP,KENP,MAP,MMRP,SAP,THP)..CBU202408
PNC 36102G=TYPE B
36103ABOLT (FOR TRANSFER CASE)
*8-1.25PX55-30,PNC 36102G=TYPE A
*8-1.25PX55-30,PNC 36102G=TYPE B
36103CCASE, TRANSFER, FRONT
main36101-71020iGUN126..S..IV3;GUN126..LHD..6FC;GUN125..6FC..GCC;GUN126..H..MHV..IV3;GGN125,LAN125,TGN126;GUN125..6F..(H,L)..GCC;GUN126..LHD..6F..H..GEN;GUN126..6F..(BZAG,GCC,IND,L¥45,900202408
PNC 36102G=TYPE A
PNC 36102G=TYPE B
3611
36111ASPRING, COMPRESSION (FOR TRANSFER CASE)
PNC 36102G=TYPE A
PNC 36102G=TYPE B
36111BSEAL, OIL (FOR TRANSFER CASE)
PNC 36102G=TYPE A
main90311-T0082iGUN126..S..IV3;GUN126..H..MHV..IV3;GGN125,GUN125,LAN125,TGN126;GUN126..(AGTP,CAMP,GHAP,KENP,MAP,MMRP,SAP,THP)..CBU202408
PNC 36102G=TYPE B
36111CPLUG (FOR TRANSFER CASE)
PNC 36102G=TYPE A
PNC 36102G=TYPE B
36111GPIN, STRAIGHT (FOR TRANSFER CASE)
L=14,OD=10,PNC 36102G=TYPE A
L=14,OD=10,PNC 36102G=TYPE B
36111TTUBE (FOR TRANSFER CASE)
main90441-05001iGUN126..S..IV3;GUN126..LHD..6FC;GUN125..6FC..GCC;GUN126..H..MHV..IV3;GGN125,LAN125,TGN126;GUN125..6F..(H,L)..GCC;GUN126..LHD..6F..H..GEN;GUN126..6F..(BZAG,GCC,IND,L¥180202408
PNC 36102G=TYPE A
sub90406-T0007
36112CASE, TRANSFER, REAR
main36112-0K030iGUN126..S..IV3;GUN126..H..MHV..IV3;GUN125,LAN125,TGN126;GUN126..(AGTP,CAMP,GHAP,KENP,MAP,MMRP,SAP,THP)..CBU202408
PNC 36102G=TYPE B
PNC 36102G=TYPE A
36114BPLUG, NO.1 (FOR TRANSFER CASE)
main90341-18006iGUN126..S..IV3;GUN126..H..MHV..IV3;GGN125,GUN125,LAN125,TGN126;GUN126..(AGTP,CAMP,GHAP,KENP,MAP,MMRP,SAP,THP)..CBU¥180202408
PNC 36102G=TYPE B
main90341-18006iGUN126..S..IV3;GUN126..H..MHV..IV3;GGN125,GUN125,LAN125,TGN126;GUN126..(AGTP,CAMP,GHAP,KENP,MAP,MMRP,SAP,THP)..CBU¥180202408
PNC 36102G=TYPE A
36114CGASKET, NO.1 (FOR TRANSFER CASE)
main90430-18008iGUN126..S..IV3;GUN126..LHD..6FC;GUN125..6FC..GCC;GUN126..H..MHV..IV3;GGN125,LAN125,TGN126;GUN125..6F..(H,L)..GCC;GUN126..LHD..6F..H..GEN;GUN126..6F..(BZAG,GCC,IND,L¥110202408
PNC 36102G=TYPE A
PNC 36102G=TYPE B
36114FPLUG (FOR TRANSFER DRAIN)
main90341-18006iGUN126..S..IV3;GUN126..H..MHV..IV3;GGN125,GUN125,LAN125,TGN126;GUN126..(AGTP,CAMP,GHAP,KENP,MAP,MMRP,SAP,THP)..CBU¥180202408
PNC 36102G=TYPE A
main90341-18006iGUN126..S..IV3;GUN126..LHD..6FC;GUN125..6FC..GCC;GUN126..H..MHV..IV3;GGN125,LAN125,TGN126;GUN125..6F..(H,L)..GCC;GUN126..LHD..6F..H..GEN;GUN126..6F..(BZAG,GCC,IND,L¥180202408
PNC 36102G=TYPE B
36114GGASKET (FOR TRANSFER DRAIN PLUG)
PNC 36102G=TYPE A
main90430-T0021iGUN126..S..IV3;GUN126..H..MHV..IV3;GGN125,GUN125,LAN125,TGN126;GUN126..(AGTP,CAMP,GHAP,KENP,MAP,MMRP,SAP,THP)..CBU202408
PNC 36102G=TYPE B
36115HOUSING, TRANSFER EXTENSION
PNC 36102G=TYPE B
PNC 36102G=TYPE A
36115CSEAL, TYPE T OIL (FOR TRANSFER EXTENSION HOUSING)
main90311-45034iGUN126..S..IV3;GUN126..LHD..6FC;GUN125..6FC..GCC;GUN126..H..MHV..IV3;GGN125,LAN125,TGN126;GUN125..6F..(H,L)..GCC;GUN126..LHD..6F..H..GEN;GUN126..6F..(BZAG,GCC,IND,L¥470202408
PNC 36102G=TYPE A
main90311-T0072iGUN126..S..IV3;GUN126..H..MHV..IV3;GGN125,GUN125,LAN125,TGN126;GUN126..(AGTP,CAMP,GHAP,KENP,MAP,MMRP,SAP,THP)..CBU202408
PNC 36102G=TYPE B
36128DEFLECTOR, BREATHER OIL
PNC 36102G=TYPE B
PNC 36102G=TYPE A
36149BTUBE, TRANSFER BREATHER
PNC 36102G=TYPE B
36179PROTECTOR, TRANSFER CASE LOWER
main36179-0K011iGUN126..S..IV3;GUN126..H..MHV..IV3;GGN125,GUN125,LAN125,TGN126;GUN126..(AGTP,CAMP,GHAP,KENP,MAP,MMRP,SAP,THP)..CBU¥1,390202408-202411
8202
9011908336
90119T0222
90119T0410
90119T0412
90119T0427
main90119-T0427
9024107003
9161160822
39 parts on this diagram · 4 diagrams in section