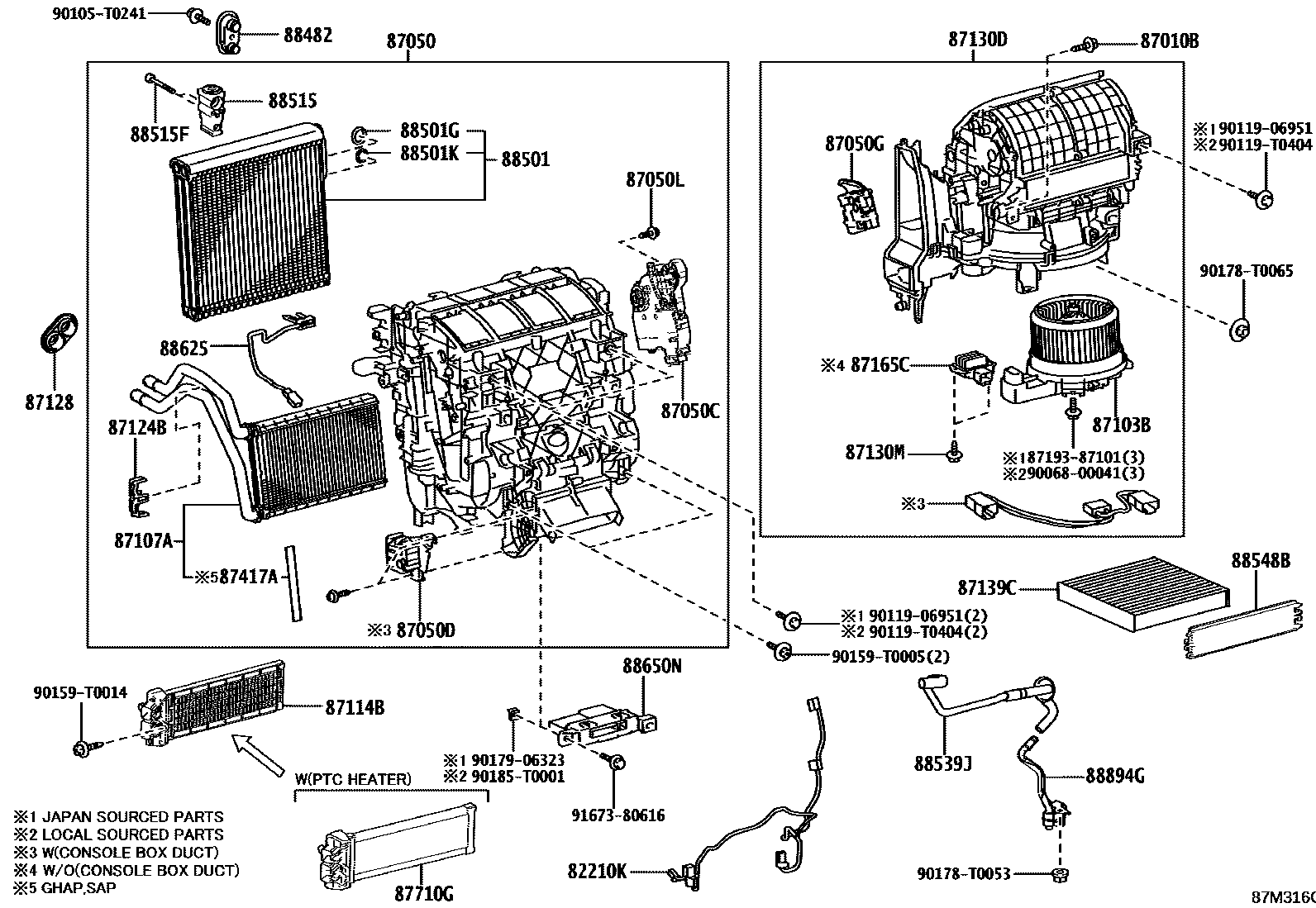
HEATING & AIR CONDITIONING - COOLER UNIT

82210KHARNESS ASSY, AIR CONDITIONER
87010BSCREW(FOR AIR CONDITIONER UNIT)
HEATER CONTROL PANEL-AUTO AIR CONDITIONER(DOP)&FRONT AIR CONDITIONER-AUTO(DOP - DEALERSHIP INSTALL)
87050RADIATOR ASSY, AIR CONDITIONER
FRONT AIR CONDITIONER-MANUAL
FRONT AIR CONDITIONER-MANUAL(DOP - PLANT INSTALL)
ASIA COLD COUNTRY SPEC
main87050-0KE90iTGN136..BZAG;GUN126..AGTP..6F..H..LA;GUN125,126,135,TGN126..AGTP..(L,S)202311-202410
FRONT AIR CONDITIONER-MANUAL(DOP - PLANT INSTALL)
FRONT AIR CONDITIONER-MANUAL(DOP - DEALERSHIP INSTALL)
ASIA COLD COUNTRY SPEC
HEATER CONTROL PANEL-AUTO AIR CONDITIONER(DOP)&FRONT AIR CONDITIONER-AUTO(DOP - DEALERSHIP INSTALL)
FRONT AIR CONDITIONER-AUTO
TOYOTA STOP & START SYSTEM-WITHOUT
TOYOTA STOP & START SYSTEM-WITH
FRONT AIR CONDITIONER-AUTO
SEAT COVER MATERIAL-SUEDE & LEATHER(FOR GR SPORT)
FRONT AIR CONDITIONER-COOLER LESS
TOYOTA STOP & START SYSTEM-WITH&FRONT AIR CONDITIONER-MANUAL
MLM ADVENTURE PACKAGE&SEAT COVER MATERIAL-NATURAL LEATHER
87050CDAMPER SERVO SUB-ASSY, AIR CONDITIONER RADIATOR, NO.1
87050DDAMPER SERVO SUB-ASSY, AIR CONDITIONER RADIATOR, NO.2
87050GDAMPER SERVO SUB-ASSY, AIR CONDITIONER RADIATOR, NO.5
HEATER CONTROL PANEL-AUTO AIR CONDITIONER(DOP)&FRONT AIR CONDITIONER-AUTO(DOP - DEALERSHIP INSTALL)
87050LSCREW(FOR AIR CONDITIONER RADIATOR)
HEATER CONTROL PANEL-AUTO AIR CONDITIONER(DOP)&FRONT AIR CONDITIONER-AUTO(DOP - DEALERSHIP INSTALL)
main90094-90426×11iGUN126..6FC..S..BZAG;GUN125,135..AGTP..S..LA;GUN126..AGTP..6F..(H,S)..LA202311-202410
FRONT AIR CONDITIONER-MANUAL(DOP - PLANT INSTALL)
87103BMOTOR SUB-ASSY, BLOWER W/FAN
HEATER CONTROL PANEL-MANUAL AIR CONDITIONER&FRONT AIR CONDITIONER-MANUAL
main87103-0K461iGUN126..AGTP..(L,S);GUN126,136..AGTP..H..LA;GUN125,135,TGN126,136..AGTP202311-202410
SEAT COVER MATERIAL-SUEDE & LEATHER(FOR GR SPORT)
87107AUNIT SUB-ASSY, HEATER RADIATOR
87114BCOVER, HEATER
main87114-0K040iGUN126..MHV..(ARL,GCC,LA);TGN126..THP..(GCC,GEN,LA);GGN125,GUN12#,13#,TGN120,121,136..THP..(DCRL,HTWC)202308-202407
87124BCLAMP, HEATER
main87124-06140iGUN135..6F..H..PH;GUN125,135..H..(IDN,TH);GUN126..MHV..(ARL,GCC,LA);GUN135..THP..6F..(GEN,LA,VN);GUN135..6FC..(ARL,GEN,PH,VN);GUN126,TGN126..THP..(DCRL,HTWC)..(ARL,202308-202407
HEATER CONTROL PANEL-AUTO AIR CONDITIONER(DOP)&FRONT AIR CONDITIONER-AUTO(DOP - DEALERSHIP INSTALL)
87128GROMMET, HEATER
main87128-0K180iGUN135..6F..H..PH;GUN125,135..H..(IDN,TH);GUN126..MHV..(ARL,GCC,LA);GUN135..THP..6F..(GEN,LA,VN);GUN135..6FC..(ARL,GEN,PH,VN);GUN126,TGN126..THP..(DCRL,HTWC)..(ARL,202308-202407
HEATER CONTROL PANEL-AUTO AIR CONDITIONER(DOP)&FRONT AIR CONDITIONER-AUTO(DOP - DEALERSHIP INSTALL)
87130DBLOWER ASSY
main87130-0K581iTGN121..GEN;TGN121..5F..S;GUN122,125..MTM..L..GCC;GUN125,135..THP..6F..LA;TGN126..THP..5F..(L,S)..(GCC,LA)202308-202407
FRONT AIR CONDITIONER-MANUAL(DOP - DEALERSHIP INSTALL)
FRONT AIR CONDITIONER-AUTO
FRONT AIR CONDITIONER-MANUAL(DOP - DEALERSHIP INSTALL)
main87130-0K711iTGN136..BZAG;GUN126..AGTP..6F..H..LA;GUN125,126,135,TGN126..AGTP..(L,S)202311-202410
FRONT AIR CONDITIONER-MANUAL(DOP - PLANT INSTALL)
FRONT AIR CONDITIONER-AUTO
SEAT COVER MATERIAL-SUEDE & LEATHER(FOR GR SPORT)
FRONT AIR CONDITIONER-MANUAL
87130MSCREW(FOR BLOWER)
HEATER CONTROL PANEL-AUTO AIR CONDITIONER(DOP)&FRONT AIR CONDITIONER-AUTO(DOP - DEALERSHIP INSTALL)
main90094-90426×5iGUN126..6FC..S..BZAG;GUN125,135..AGTP..S..LA;GUN126..AGTP..6F..(H,S)..LA202311-202410
FRONT AIR CONDITIONER-MANUAL(DOP - PLANT INSTALL)
87139CFILTER, CLEAN AIR
MICRO DUST FILTER
POLLEN FILTER
POLLEN FILTER
POLLEN FILTER
POLLEN FILTER
POLLEN FILTER
DEODORANT FILTER
87165CCONTROL, BLOWER MOTOR
87417APACKING, AIR DUCT
87710GQUICK HEATER ASSY
ASIA COLD COUNTRY SPEC
88482CAP, COOLER
FRONT AIR CONDITIONER-MANUAL(DOP - PLANT INSTALL)
FRONT AIR CONDITIONER-MANUAL(DOP - PLANT INSTALL)
88501EVAPORATOR SUB-ASSY, COOLER, NO.1
HEATER CONTROL PANEL-AUTO AIR CONDITIONER(DOP)&FRONT AIR CONDITIONER-AUTO(DOP - DEALERSHIP INSTALL)
TOYOTA STOP & START SYSTEM-WITH
main88501-0K390iGUN126..LHD..S..GEN;TGN126..THP..(L,S)..(GCC,GEN,LA);GUN126,135..THP..DCRL..(LA,PH,VN);GUN125,136,TGN126..LHD..THP..H..(GEN,LA);GUN122,125,TGN120,121,136..LHD..THP.202308-202407
HEATER CONTROL PANEL-MANUAL AIR CONDITIONER&FRONT AIR CONDITIONER-MANUAL
FRONT AIR CONDITIONER-MANUAL
88501GO-RING, COOLER EVAPORATOR NO.1(SUCTION)
main90068-14044iGUN126..MHV..(ARL,GCC,LA);TGN126..THP..(GCC,GEN,LA);GGN125,GUN12#,13#,TGN120,121,136..THP..(DCRL,HTWC)202308-202407
ID=10.2,OD=15.0,FRONT AIR CONDITIONER-AUTO(DOP - DEALERSHIP INSTALL)
ID=13.4,OD=18.27
ID=13.4,OD=18.2
88501KO-RING, COOLER EVAPORATOR NO.1(LIQUID)
ID=13.4,OD=18.2,FRONT AIR CONDITIONER-MANUAL(DOP - DEALERSHIP INSTALL)
ID=10.8,OD=15.47
ID=10.8,OD=15.6
88515VALVE, COOLER EXPANSION
TOYOTA STOP & START SYSTEM-WITHOUT
TOYOTA STOP & START SYSTEM-WITH
88515FBOLT(FOR COOLER EXPANSION VALVE)
88539JHOSE, DRAIN COOLER
FRONT AIR CONDITIONER-AUTO(DOP - DEALERSHIP INSTALL)
88548BCASE, AIR FILTER
main88899-06330iGUN126..MHV..(ARL,GCC,LA);TGN126..THP..(GCC,GEN,LA);GGN125,GUN12#,13#,TGN120,121,136..THP..(DCRL,HTWC)202308-202407
HEATER CONTROL PANEL-AUTO AIR CONDITIONER(DOP)&FRONT AIR CONDITIONER-AUTO(DOP - DEALERSHIP INSTALL)
88625THERMISTOR, COOLER, NO.1
TOYOTA STOP & START SYSTEM-WITH
88650NAMPLIFIER ASSY, AIR CONDITIONER
FRONT AIR CONDITIONER-MANUAL(DOP - PLANT INSTALL)
FRONT AIR CONDITIONER-MANUAL(DOP - PLANT INSTALL)
CAMBODIA SPEC&FRONT AIR CONDITIONER-AUTO
ASIA COLD COUNTRY SPEC
main88650-0K880iGUN126..6FC..S..BZAG;GUN125,135..AGTP..S..LA;GUN126..AGTP..6F..(H,S)..LA202311-202410
FRONT AIR CONDITIONER-AUTO
ASIA COLD COUNTRY SPEC
SEAT COVER MATERIAL-FABRIC(FOR SEAT VENTILATION)
SEAT COVER MATERIAL-LEATHER(FOR SEAT VENTILATION)
88894GCONNECTOR, DRAIN HOSE
FRONT AIR CONDITIONER-AUTO(DOP - DEALERSHIP INSTALL)
8719387101
main87193-87101
9006800041
main90068-00041
90105T0241
main90105-T0241
9011906951
main90119-06951
90119T0404
main90119-T0404
90159T0005
main90159-T0005
90159T0014
main90159-T0014
90178T0053
main90178-T0053
90178T0065
main90178-T0065
9017906323
main90179-06323
90185T0001
main90185-T0001
9167380616
main91673-80616
41 parts on this diagram · 8 diagrams in section