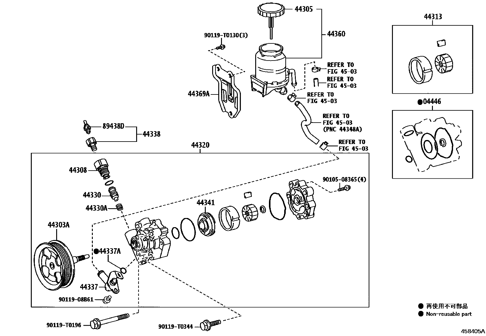
VANE PUMP & RESERVOIR (POWER STEERING)

04446GASKET KIT, POWER STEERING PUMP
44303ASHAFT SUB-ASSY, W/PULLEY
44305CAP SUB-ASSY, VANE PUMP OIL RESERVOIR
44308UNION SUB-ASSY, PRESSURE PORT
VSC-WITHOUT
44313ROTOR, VANE PUMP
44320PUMP ASSY, VANE
44330VALVE ASSY, FLOW CONTROL
MARK A
MARK B
MARK C
MARK D
MARK E
MARK F
MARK A
MARK B
MARK C
MARK D
MARK E
MARK F
MARK A,VSC-WITHOUT
MARK B
MARK C
MARK D,VSC-WITHOUT
MARK E
MARK F
MARK C
MARK D
MARK E
MARK F
MARK A
MARK B
MARK C
MARK D
MARK E
MARK F
44330ASPRING, COMPRESSION(FOR FLOW CONTROL VALVE)
44337UNION, POWER STEERING SUCTION PORT
44337ARING, O(FOR POWER STEERING SUCTION PORT)
44338UNION, PRESSURE PORT
44341PLATE, VANE PUMP SIDE, FRONT
44360RESERVOIR ASSY, VANE PUMP OIL
44369ABRACKET, OIL RESERVOIR, NO.1
4503
89438DSWITCH, POWER STEERING OIL PRESSURE
9010508365
main90105-08365
9011908B61
main90119-08B61
90119T0130
main90119-T0130
90119T0196
main90119-T0196
90119T0344
main90119-T0344
21 parts on this diagram · 5 diagrams in section