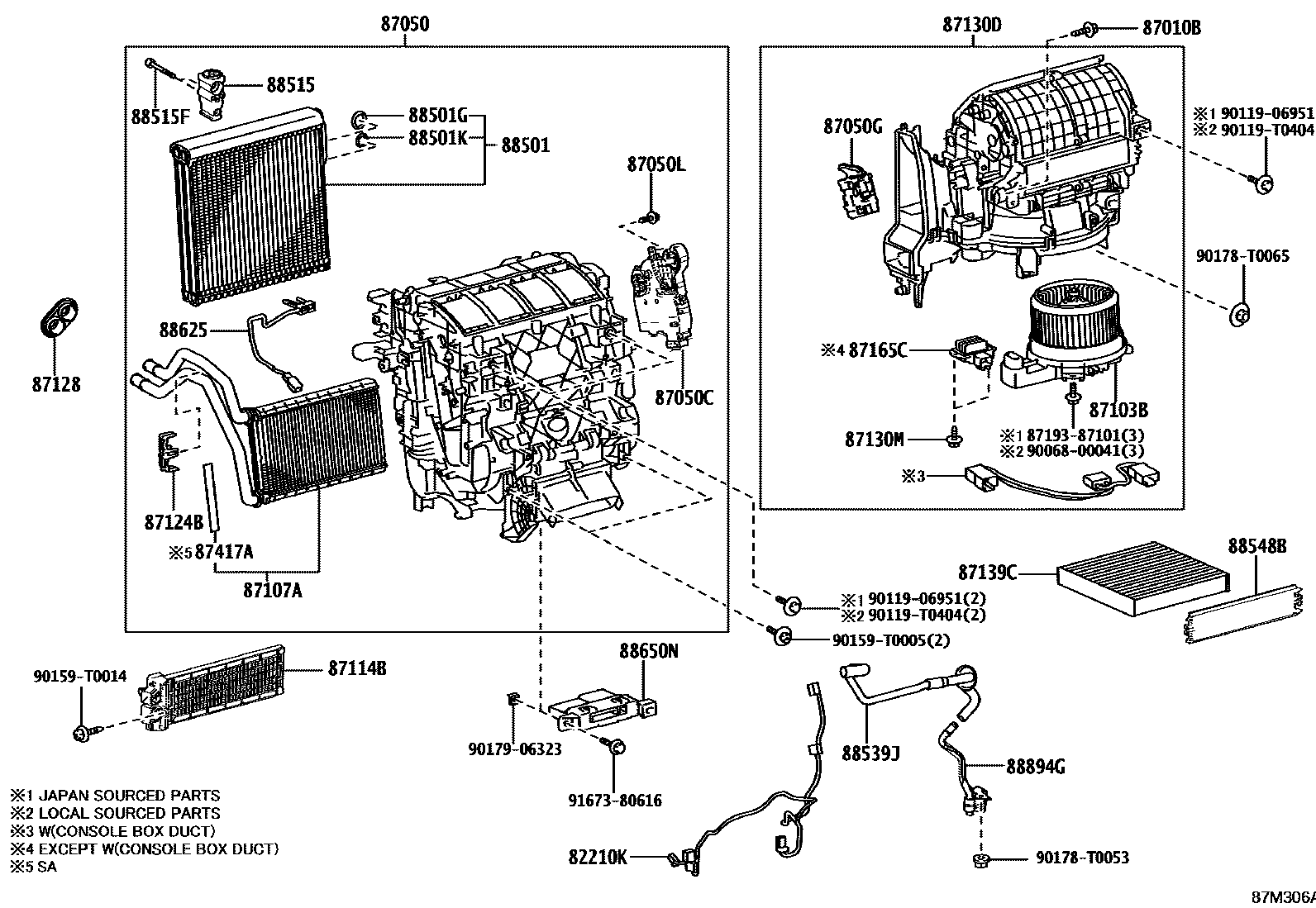
HEATING & AIR CONDITIONING - COOLER UNIT

82210KHARNESS ASSY, AIR CONDITIONER
FRONT AIR CONDITIONER-AUTO
FRONT AIR CONDITIONER-AUTO
87010BSCREW(FOR AIR CONDITIONER UNIT)
FRONT AIR CONDITIONER-MANUAL(DOP - DEALERSHIP INSTALL)&FRONT SEAT-SEPARATE TYPE(SEAT COVER=BASIC)
87050RADIATOR ASSY, AIR CONDITIONER
FRONT AIR CONDITIONER-MANUAL
FRONT AIR CONDITIONER-MANUAL(DOP - DEALERSHIP INSTALL)&FRONT SEAT-SEPARATE TYPE(SEAT COVER=BASIC)
FRONT AIR CONDITIONER-MANUAL
FRONT AIR CONDITIONER-AUTO
FRONT AIR CONDITIONER-AUTO
FRONT AIR CONDITIONER-COOLER LESS
TOYOTA STOP & START SYSTEM-WITH&FRONT AIR CONDITIONER-MANUAL
TOYOTA STOP & START SYSTEM-WITH
87050CDAMPER SERVO SUB-ASSY, AIR CONDITIONER RADIATOR, NO.1
FRONT AIR CONDITIONER-AUTO
87050GDAMPER SERVO SUB-ASSY, AIR CONDITIONER RADIATOR, NO.5
FRONT AIR CONDITIONER-AUTO
FRONT AIR CONDITIONER-AUTO
87050LSCREW(FOR AIR CONDITIONER RADIATOR)
main90068-00042×8iGUN135..H;GUN126..THP..(H,S)..CBU;GUN11#,122,125,135,TGN11#,12#..LHD..THP..(L,S)..(GCC,GEN,LA)202308-202407
TOYOTA STOP & START SYSTEM-WITH
87103BMOTOR SUB-ASSY, BLOWER W/FAN
main87103-0K381iGUN135..H;GUN126..RHD..THP..(H,S);GUN122,125,13#,TGN121..RHD..(ARL,GEN)202308-202407
FRONT AIR CONDITIONER-AUTO
FRONT AIR CONDITIONER-MANUAL(DOP - DEALERSHIP INSTALL)&FRONT SEAT-SEPARATE TYPE(SEAT COVER=BASIC)
87107AUNIT SUB-ASSY, HEATER RADIATOR
main87107-0K110iTGN126..S;TGN126..THP..LA;GUN112,122..LHD..L..(GCC,GEN);GUN111,125,126,TGN111..THP..(GCC,LA)202308-202407
TOYOTA STOP & START SYSTEM-WITH&FRONT AIR CONDITIONER-AUTO
87114BCOVER, HEATER
87124BCLAMP, HEATER
main87124-06140iTGN126..S;TGN126..THP..LA;GUN112,122..LHD..L..(GCC,GEN);GUN111,125,126,TGN111..THP..(GCC,LA)202308-202407
TOYOTA STOP & START SYSTEM-WITH&FRONT AIR CONDITIONER-AUTO
87128GROMMET, HEATER
main87128-0K180iTGN126..S;TGN126..THP..LA;GUN112,122..LHD..L..(GCC,GEN);GUN111,125,126,TGN111..THP..(GCC,LA)202308-202407
TOYOTA STOP & START SYSTEM-WITH&FRONT AIR CONDITIONER-AUTO
87130DBLOWER ASSY
FRONT AIR CONDITIONER-MANUAL
FRONT AIR CONDITIONER-MANUAL(DOP - DEALERSHIP INSTALL)&FRONT SEAT-SEPARATE TYPE(SEAT COVER=BASIC)
FRONT AIR CONDITIONER-AUTO
FRONT AIR CONDITIONER-AUTO
87130MSCREW(FOR BLOWER)
FRONT AIR CONDITIONER-MANUAL(DOP - DEALERSHIP INSTALL)&FRONT SEAT-SEPARATE TYPE(SEAT COVER=BASIC)
87139CFILTER, CLEAN AIR
MICRO DUST FILTER
POLLEN FILTER
POLLEN FILTER
POLLEN FILTER
POLLEN FILTER
DEODORANT FILTER
87165CCONTROL, BLOWER MOTOR
FRONT AIR CONDITIONER-AUTO
87417APACKING, AIR DUCT
88501EVAPORATOR SUB-ASSY, COOLER, NO.1
main88501-0K390iTGN126..S;TGN126..THP..LA;GUN112,122..LHD..L..(GCC,GEN);GUN111,125,126,TGN111..THP..(GCC,LA)202308-202407
FRONT AIR CONDITIONER-MANUAL(DOP - DEALERSHIP INSTALL)&FRONT SEAT-SEPARATE TYPE(SEAT COVER=BASIC)
TOYOTA STOP & START SYSTEM-WITH
88501GO-RING, COOLER EVAPORATOR NO.1(SUCTION)
ID=10.2,OD=15.0,FRONT AIR CONDITIONER-MANUAL(DOP - DEALERSHIP INSTALL)&FRONT SEAT-SEPARATE TYPE(SEAT COVER=BASIC)
ID=13.4,OD=18.2
88501KO-RING, COOLER EVAPORATOR NO.1(LIQUID)
ID=13.4,OD=18.2,FRONT AIR CONDITIONER-MANUAL(DOP - DEALERSHIP INSTALL)&FRONT SEAT-SEPARATE TYPE(SEAT COVER=BASIC)
ID=10.8,OD=15.6
88515VALVE, COOLER EXPANSION
main88515-0K580iTGN126..S;TGN126..LA;GUN112,122..LHD..L..(GCC,GEN);GUN111,125,126,TGN111..(GCC,LA)..CBU202308-202407
FRONT AIR CONDITIONER-MANUAL(DOP - DEALERSHIP INSTALL)&FRONT SEAT-SEPARATE TYPE(SEAT COVER=BASIC)
TOYOTA STOP & START SYSTEM-WITH
88515FBOLT(FOR COOLER EXPANSION VALVE)
FRONT AIR CONDITIONER-MANUAL(DOP - DEALERSHIP INSTALL)&FRONT SEAT-SEPARATE TYPE(SEAT COVER=BASIC)
88539JHOSE, DRAIN COOLER
main88539-0K380iTGN126..S;TGN126..THP..LA;GUN112,122..L..GCC;GUN111,125,126,TGN111..THP..(GCC,LA)202308-202407
ECUADOR SPEC&FRONT AIR CONDITIONER-MANUAL(DOP - DEALERSHIP INSTALL)
88548BCASE, AIR FILTER
88625THERMISTOR, COOLER, NO.1
main88620-0K010iTGN126..S;TGN126..LA;GUN112,122..LHD..L..(GCC,GEN);GUN111,125,126,TGN111..(GCC,LA)..CBU202308-202407
FRONT AIR CONDITIONER-MANUAL(DOP - DEALERSHIP INSTALL)&FRONT SEAT-SEPARATE TYPE(SEAT COVER=BASIC)
TOYOTA STOP & START SYSTEM-WITH
88650NAMPLIFIER ASSY, AIR CONDITIONER
FRONT AIR CONDITIONER-AUTO
TOYOTA STOP & START SYSTEM-WITH&FRONT AIR CONDITIONER-MANUAL
88894GCONNECTOR, DRAIN HOSE
main88894-0K260iTGN126..S;TGN126..THP..LA;GUN112,122..L..GCC;GUN111,125,126,TGN111..THP..(GCC,LA)202308-202407
ECUADOR SPEC&FRONT AIR CONDITIONER-MANUAL(DOP - DEALERSHIP INSTALL)
8719387101
main87193-87101
9006800041
main90068-00041
9011906951
main90119-06951
90119T0404
main90119-T0404
90159T0005
main90159-T0005
90159T0014
main90159-T0014
90178T0053
main90178-T0053
90178T0065
main90178-T0065
9017906323
main90179-06323
9167380616
main91673-80616
36 parts on this diagram · 10 diagrams in section